ПРОМА-ГГ1, горелка газовая
Для сжигания горючих газов низкого и среднего давления в топках котлоагрегатов, работающих как под наддувом, так и под разрежением.
Применяются в комплектациях печей обжига керамических изделий, металлургических печах, сушки сыпучих материалов, промышленных и отопительных котлах, теплогенераторах и технологических агрегатах, работающих при температуре не выше 1500 °С.
Имеется возможность визуального контроля пламени.
Диапазон мощностей от 41 до 995 кВт.
0
людей смотрят этот товар прямо сейчас
Дополнительно комплектуются
- Газовая рампа (электромагнитные клапана, газовый фильтр, газовая заслонка производства Madas или Термобрест).
- Датчики-реле давления воздуха, газа.
- Блок управления горелкой (менеджер горения). Позиционное или плавное регулирование.
- Фотодатчики контроля пламени горелки.
- Трансформаторы розжига.
Основные технические характеристики
| Наименование | ГГ1-01 | ГГ1-02 | ГГ1-03 | ГГ1-04 | ГГ1-05 | ГГ1-06 | ГГ1-07 | ГГ1-08 |
|---|---|---|---|---|---|---|---|---|
| Мощность тепловая | ||||||||
| — Номинальная, кВт | 41 | 93 | 155 | 239 | 332 | 467 | 635 | 995 |
| — Максимальная, кВт | 55 | 125 | 210 | 320 | 445 | 625 | 850 | 1335 |
| — Минимальная рабочая, кВт | 6 | 15 | 30 | 40 | 55 | 80 | 110 | 172 |
| Коэффициент рабочего регулирования мощности, не менее | 6 | |||||||
| Номинальный расход газа, нм3/ч | 4,3 | 9,2 | 15,5 | 23,8 | 33 | 46,4 | 63 | 99 |
| Давление газа перед горелкой | ||||||||
| — Номинальное, кПа | 2,0 | |||||||
| — Максимальное, кПа | 3,0 | |||||||
| — Минимальное, кПа | 0,1 | |||||||
| Номинальный расход воздуха на горение, нм3/ч | 42 | 94 | 156 | 239 | 333 | 468 | 636 | 997 |
| Номинальное давление воздуха перед горелкой, кПа | 3,2 | |||||||
| Длина факела, м, | 0,25 | 0,45 | 0,55 | 0,65 | 0,95 | 1,15 | 1,05 | 1,25 |
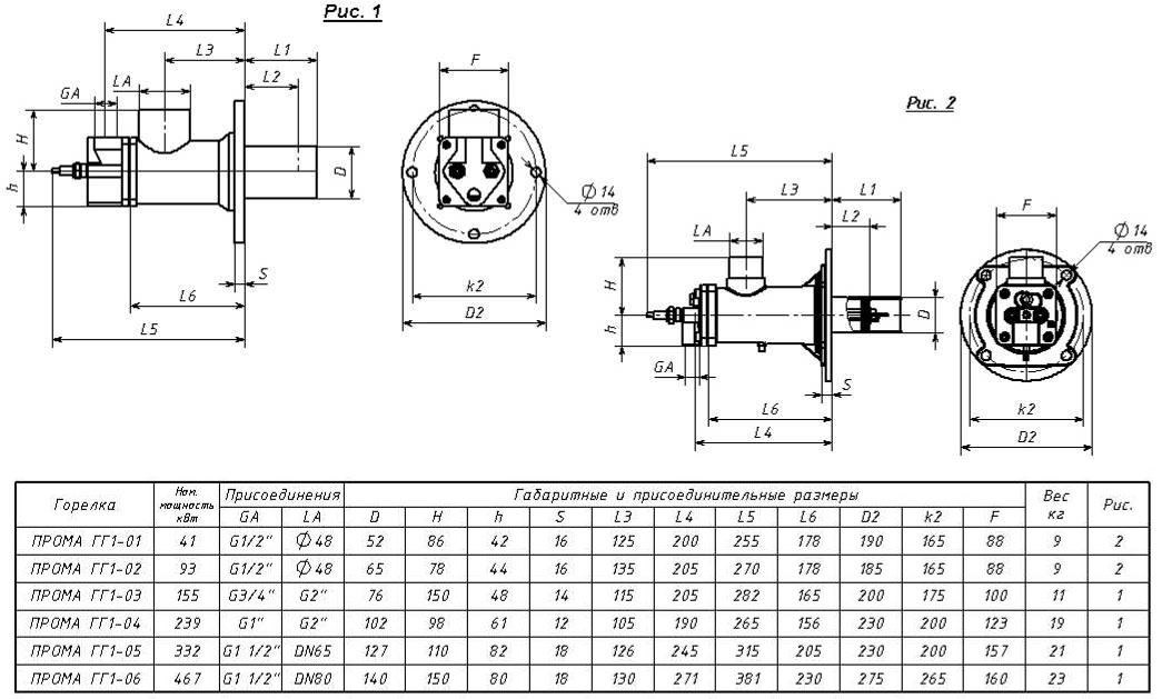
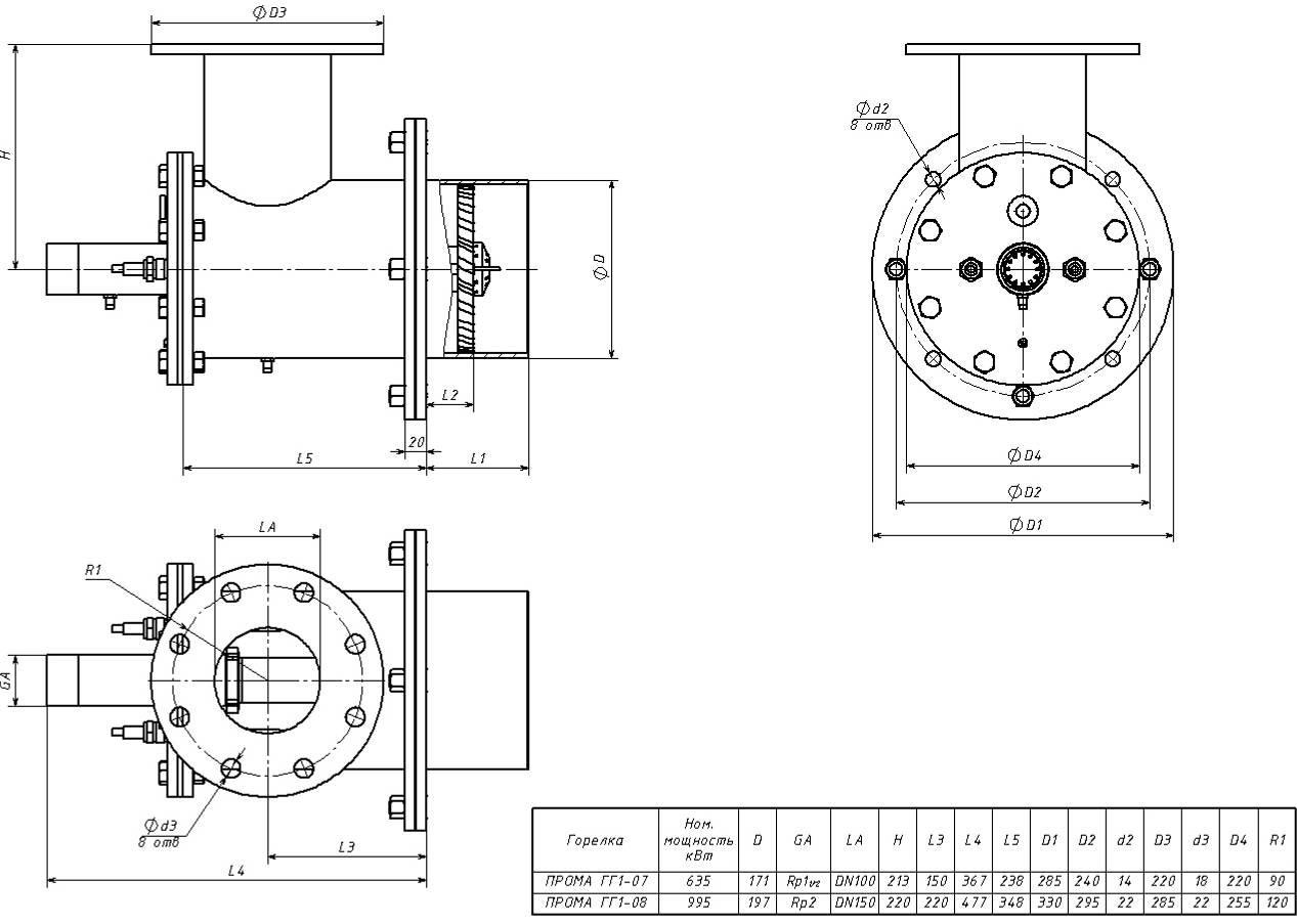
Габаритные и установочные размеры
| Вариант |
ГГ1-01 ,ГГ1-02 ,ГГ1-03 ,ГГ1-04 ,ГГ1-05 ,ГГ1-06 ,ГГ1-07 ,ГГ1-08 |
|---|


