Автомат горения котлов малой мощности и тепловых установок САФАР-АМК-ЩД
Для запуска, контроля и регулирования мощности двухступенчатых атмосферных и смесительных газовых горелок с возможностью дополнительного подключения запальной (пилотной) горелки.
Цена: по запросу
Отправьте заявку
0
людей смотрят этот товар прямо сейчас
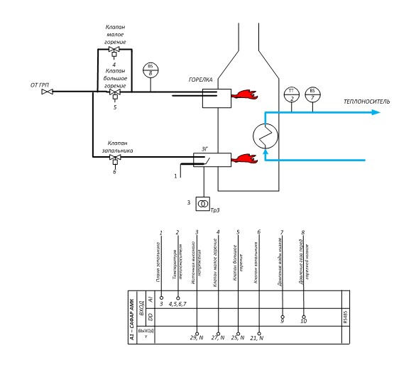
Конструктивно состоит:
- БЛОК ИНДИКАЦИИ И УПРАВЛЕНИЯ
Двустрочный дисплей с отображением текущего состояния работы, контролируемых параметров, аварий и предупреждений - БЛОК ДИСКРЕТНЫХ И АНАЛОГОВЫХ ВХОДОВ/ВЫХОДОВ
Функции и отличительные особенности
- Наличие алгоритма розжига, контроля аварийных защит, регулирования мощности;
- Измерение и регулирование температуры в заданных пределах встроенным регулятором, путем позиционного регулирования мощности горелки (пилотная горелка (режим ожидания), малое горение, большое горение);
- Автоматический розжиг, переход в режим ожидания и последующий повторный розжиг;
- Суточные и часовые профили регулятора температуры;
- Автоматические защиты, обеспечивающую останов и блокировку пуска горелки при возникновении аварии:
ДАВЛЕНИЕ ВОДЫ НИЗКОЕ,
ДАВЛЕНИЕ ГАЗА ВЫСОКОЕ/НИЗКОЕ,
ТЕМПЕРАТУРА ВЫСОКАЯ
ОТСУТСТВИЕ ПЛАМЕНИ ЗАПАЛЬНИКА И ОСНОВНОЙ ГОРЕЛКИ
ДОПОЛНИТЕЛЬНЫЙ ВХОД ПО АВАРИИ (например сигнализатор загазованности) - Возможность выбора задействованных защит с помощью меню автомата горения;
- Архив срабатывания защит с фиксацией времени срабатывания;
- Контроль наличия пламени ионизационным электродом или фотодатчиком;
- Измерение температуры теплоносителя термометром сопротивления, подключаемым напрямую к автомату горения;
- Индикация на двухстрочном дисплее текущего этапа розжига горелки или рабочего режима и причины блокировки автомата горения;
- Возможность дистанционного запуска и останова горелки;
- Встроенная в лицевую панель кнопка запуска и остановки горелки;
- Обеспечивает ручной режим проверки всех входов и механизмов;
- Контроль постороннего света перед запуском горелки;
- Функция контроля сетевого напряжения питания;
- Часы реального времени с возможностью подсчета общего времени работы котла;
- Связь с верхним уровнем по интерфейсу RS-485 протокол Modbus – RTU;
- дискретные входные сигналы (фаза 220 В переменного тока) с возможностью инвертирования сигналов.
Основные технические характеристики САФАР-АМК-ЩД
| Напряжение питания | 220В/50Гц |
| Энергопотребление, ВА | 50 (при розжиге 300) |
| Коммутируемое номинальное напряжение релейных выходов | ~220В/50Гц |
| Коммутируемый ток релейных выходов, А | 2 |
| Коммутируемое номинальное напряжение на электродвигатель вентилятора | ~380В/50Гц |
| Коммутируемый ток на двигатель вентилятора, А | 2 |
| Тип термочувствительного элемента | Pt100 |
| Напряжение дискретных входных сигналов, В | ~220 |
| Длина экранированного кабеля ионизационного электрода, не более, м | 20 |
| Класс защиты по ГОСТ 14254-96 блок управления и индикации (лицевая часть) блок расширения |
IP54 IP20 |
| Сопротивление изоляции при нормальных условиях эксплуатации, МОм | 20 |
| Температура окружающего воздуха, °С | 0÷70 Сº |
| Габариты устройства (высота х ширина х глубина), мм блок управления и индикации блок расширения |
114х60х75 57х144х90 |
| Масса, не более, кг | 1,5 |

