Фотодатчик сигнализирующий ФДС-03-С-220
Для контроля наличия пламени горелки в топках котлоагрегатов, технологических установок и выдачи сигналов наличия/отсутствия пламени в схемы контроля и защиты установок.
Обеспечивает МАКСИМАЛЬНУЮ селективность наличия/отсутствия пламени основных и пилотных горелок печей.
Цена: по запросу
Вид топлива – газ/мазут.
Принципиально новая версия датчиков контроля пламени горе-лок для нефтехимических производств.
- Система самоконтроля и отказоустойчивости соответствует самым строгим требованиям для промышленной эксплуатации
- Контроль исправности фотоприемника
- Контроль исправности электронной схемы
- Контроль температуры внутри датчика
- Сигнализация о загрязнении стекла и снижении интенсивности факела
- Ресурс новейшего высокочувствительного фотоприемника последнего поколения в 7-10 раз выше, чем у ранее применявшихся колбовых, фоторезистивных и фотодиодных приемников
- ФДС-03-С-220 — температурный диапазон от — 40 до + 60°С
- прочный металлический корпус и степень защиты IP65 позволяют использовать датчик в самых тяжелых и неблагоприятных климатических условиях
Основные технические харектиристики ФДС-03-С-220
| Выходной сигнал |
Электромеханическое реле Токовый аналоговый сигнал 4-20мА |
|
Допустимая нагрузка — реле — токовый выход |
— 220 В, 50 Гц / 2А , = 30 В/ 2А от 1 до 500 Ом. |
| Время срабатывания (регулируемое, настраивается в меню), с при появлении пламени при погасании пламени |
0-5 0-5 |
|
Питание, переменный ток ФДС- 03- С — 220 ФДС- 03- С — 24 T |
220 В, 50 Гц =24В |
| Потребляемая мощность, не более | 3 ВА |
|
Температура окружающего воздуха ФДС — 03- С- 220 ФДС- 03- С- 24 Т |
от -40 до + 60 С от -55 до +60 С |
| Степень защиты по ГОСТ 14254-96 | IP65 |
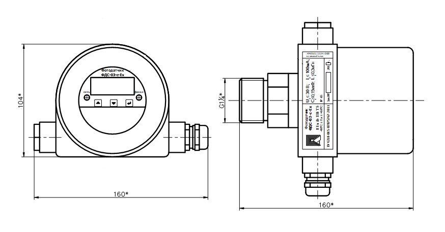
| Габаритные размеры, мм ширина x высота x глубина | 160x104x160 |
| Масса прибора, кг | 1,5 |


