Регулятор газ-воздух-разрежение ПРОМА-РТИ-304
Для управления горелочными устройствами, обеспечивает одновременное регулирование и поддержание следующих параметров:
- разрежения в топке;
- температуры для водогрейного котла или давление пара для парового котла;
- соотношение газ/воздух перед горелкой;
- регулятор также может быть использован для управления горелками тепловентиляторов и технологических установок.
Регулятор работает совместно с аналоговыми датчиками, имеющие стандартные токовые выходы.
Цена: по запросу
Отправьте заявку
0
людей смотрят этот товар прямо сейчас
Преимущетсва
- Конструктивно объединяет в себе несколько регуляторов.
- Возможность подключения частотных приводов или исполнительных механизмов для поддержания параметров.
Функции
- поддерживает заданное разрежение в топке, управляя частотным приводом дымососа;
- поддерживает заданную температуру (для водогрейного котла) или давление пара (для парового котла) управляя заслонкой газа;
- обеспечивает давление воздуха перед горелкой управляя либо заслонкой воздуха, либо частотным приводом дутьевого вентилятора;
- обеспечивает питание аналоговых датчиков давления напряжением постоянного тока 24В;
- обеспечивает управление заслонками;
- обеспечивает питание датчиков положения заслонок;
- обеспечивает настройку прибора при помощи меню, которое выводится на жидкокристаллический дисплей.
Основные технические характеристики ПРОМА-РТИ-304
| НСХ подключаемых термопреобразователей | Pt100, Pt500, Pt1000, 50М, 100М |
| Точность измерения по аналоговым входам, % | ±0,5 |
| Количество аналоговых входов, шт. | 4 |
| Тип аналогового входа-ток, мА | 4-20 |
| Выходы для питания аналоговых датчиков напряжением, В | 24 |
| Допустимый ток нагрузки для питания датчиков, мА | 180 |
| Количество подключаемых термопреобразователей сопротивления, шт. | 2 |
| Точность контроля температуры, % | 0,5 |
| Количество дискретных входов, шт. | 4 |
| Коммутируемое напряжение дискретных входов, В | 24 |
| Входное сопротивление дискретных входов, кОм | 5 |
| Количество подключаемых входов для измерения положения, шт. | 2 |
| Сопротивление датчиков положения, Ом | 0–3000 |
| Количество выходов управления, шт. | 5 |
| Количество токовых выходов, шт. | 2 |
| Тип токового выхода, мА | 4-20 |
| Интерфейс и протокол связи | MODBUS RTU / RS485 |
| Температура окружающего воздуха, °C | от -20 до +50 |
| Габаритные размеры, мм | 96x96x100 |
| Масса не более, кг | 1 |
Варианты комплектности
| № | Наименование | Вариант комплектации | |||
|---|---|---|---|---|---|
| 00 | 01 | 02 | 03 | ||
| 1 | ПРОМА-РТИ-304-05 | + | + | + | + |
| 2 | Датчик разряжения типа ДДМ-03МИ-0,25ДИВ | — | + | + | — |
| 3 | Датчик давления газа типа ДДМ-03МИ-40ДИ | — | + | + | — |
| 4 | Датчик давления воздуха типа ДДМ-03МИ-10ДИ | — | + | + | — |
| 5 | Датчик давления пара типа ДДМ-03МИ-2500ДИ | — | + | + | — |
| 6 | Датчик температуры воды типа Термопреобразователь ПРОМА-ТС-101 | — | + | + | — |
| 7 | Датчик температуры воздуха типа Термопреобразователь ПРОМА-ТС-102 | — | + | + | |
| 8 | Заслонка воздуха | — | + | — | + |
| 9 | Заслонка газа | — | + | — | + |
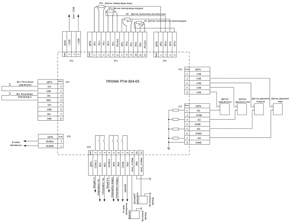
Схема внешних подключений
Габаритные и установочные размеры

| Вариант |
ПРОМА-РТИ-304-00 ,ПРОМА-РТИ-304-01 ,ПРОМА-РТИ-304-02 ,ПРОМА-РТИ-304-03 |
|---|


