Блоки питания БП
Для питания любых индустриальных систем автоматизации.
Блок питания обеспечивает защиту от короткого замыкания, превышения нагрузки и напряжения, а также температурную защиту. Встроенный фильтр для снижения помех.
Цена: по запросу
БП-1-24
ПРЕДНАЗНАЧЕНЫ для питания датчиков давления ДДМ-03Т, а так же любых индустриальных систем автоматизации.
- Блок питания обеспечивает защиту от короткого замыкания, превышения нагрузки и напряжения, а также температурную защиту.
- Имеется встроенный фильтр для снижения помех.
- Способ монтажа: на DIN -рейку
- Гарантия 2 года
Основные технические характеристики БП-1-24
|
БП-1-24 (-12) |
БП-1 2 -24 (-12) |
|
|
Вход Входное напряжение, В: — переменное Частота, Гц Потребляемый мощность, ВА
|
187 – 242 47 — 63 2 |
187 – 242 47 — 63 |
|
Выход Мощность, не более, Вт Напряжение постоянное, В Ток, не более, А
|
1 24 (12) 0,042
|
1 2 24 (12) 0, 5
|
|
Степень защиты IP Рабочая температура , 0 С Габаритные размеры, мм Масса, кг |
40 От -10 до +50 100х35х65 0,2 |
40 От -10 до +50 100х35х65 0,2 |
Основные технические характеристики БП-ХХ-24 БП-ХХ-12
|
|
БП-10-24 (-12) |
БП-20-24(-12) |
БП-48-24(-12) |
БП-60-24 |
БП-100-24(-12) |
|
Вход Входное напряжение, В: — переменное — постоянное Частота, Гц Потребляемый ток, А Выход Мощность, не более, Вт Напряжение постоянное, В Пределы изменения, % Ток, не более, А Точность регулировки, % |
85 – 264 120 – 370 47 — 63 0,21
10 24 (12) ±2 0,4 ±1 |
85 – 264 120 – 370 47 — 63 0,35
24 24 (12) ±1 1 ±1 |
85 – 264 120 – 370 47 — 63 0,75
48 24 (12) ±1 2 ±1 |
88 – 264 124 – 370 47 — 63 0,8
60 24 ±1 2,5 ±1 |
88 – 264 124 – 370 47 — 63 1,6
100 24 (12) ±1 4 ±1 |
|
Токовая защита при «холодном старте» |
5А/115 В 70А/230 В 1 мА/240В |
20А/115 В 40А/230 В 1 мА/240В |
28А/115 В 56А/230 В 1 мА/240В |
18А/115 В 36А/230 В 1 мА/240В |
30А/115 В 45А/230 В 1 мА/240В |
|
Степень защиты IP Рабочая температура , 0 С Габаритные размеры, мм Масса, кг |
40 От -20 до +70 22,5х100х100 0,2 |
40 От -20 до +70 22,5х100х100 0,2 |
40 От -10 до +50 78х93х56 0,35 |
40 От -20 до +60 78х93х56 0,35 |
40 От -20 до +60 100х93х56 0,35 |
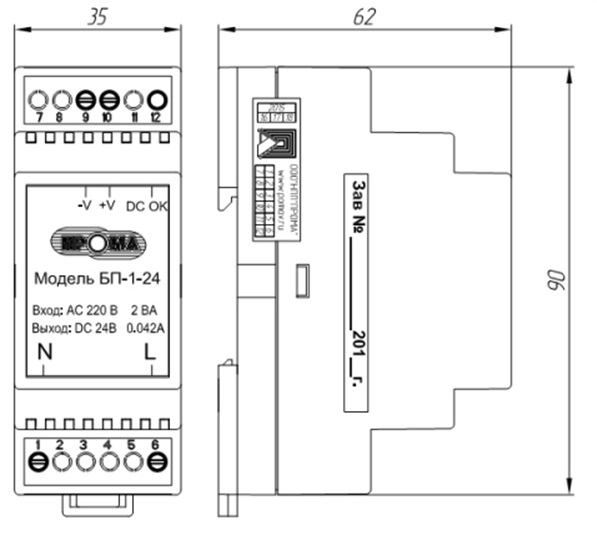
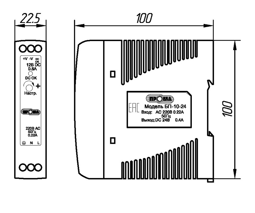
Габаритные и установочные размеры
![]() |
![]() |
![]() |
БП 1-24 |
|
БП 10-24 |
БП 48-12 |






