Сигнализаторы горения ЛУЧ-1АМ, ЛУЧ-КЭ
Для контроля и индикации наличия факела запальных устройств или горелки в топках котлов и в технологических установках.
Цена: по запросу
Отправьте заявку
0
людей смотрят этот товар прямо сейчас
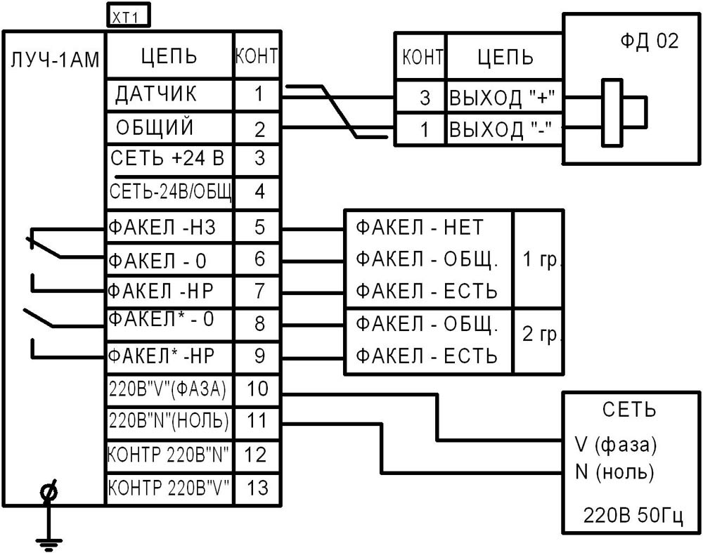
Используются в качестве вторичных преобразователей сигналов от фотодатчиков, ионизационных датчиков, контрольных электродов (ЛУЧ-1АМ) или контрольных электродов (ЛУЧ-КЭ).
В качестве фотодатчиков используются ФД-02 — инфракрасное или ФД-05 ГМ ультрафиолетовое излучение факела горелки.
Выпускаются в 2-х вариантах – щитовое и настенное исполнение.
- Простота настройки прибора;
- В исполнении Н и Щ имеется светодиодная линейка интенсивности факела;
- Возможность работы с фотодатчиками инфракрасного и ультрафиолетового излучения;
- Повышенная помехозащищенность от сетевых наводок.
Основные технические характеристики ЛУЧ-1АМ, ЛУЧ-КЭ
| Длина линии датчик-сигнализатор: — с фотодатчиком, м не более — ионизационным датчиком, м не более |
200 100 (до 200 м для ЛУЧ-КЭ) |
| Температура окружающей среды °С | от -40 до +60 |
| Чувствительность на частоте 15 Гц при усилении, мВ не хуже — Регулятор-mах — Регулятор-min |
0,5 2,0 |
| Напряжение питания, В | 220В, 50Гц |
| Допустимая нагрузка по коммутации внешних цепей: — Постоянный ток — Переменный ток |
30 В/2А 220В/0,1А |
| Быстродействие сигнализатора, с не более | 2 |
| Степень защиты, (код IP) | IP54 |
| Габаритные размеры: длина х ширина х высота, мм -настенное исполнение -щитовое исполнение |
135 х 60 х 105 96 х 105 х 48 |
| Масса сигнализатора, кг | 0,6 |
Схема внешних подключений
- ЛУЧ-1АМ
- ЛУЧ-КЭ
| Вариант |
ЛУЧ-1АМ ,ЛУЧ-КЭ |
|---|


