Шкаф САФАР-400-ПАР
Шкаф автоматики водогрейных котлов и тепловых установок
Паровой котел плавное регулирование (Е-1.0-09)
для автоматизации работы (розжига, регулирования и защиты) водогрейных котлоагрегатов, автоматизации теплогенераторов, асфальтобетонных установок, сушилок, печей, а так же других тепловых установок, работающих на газообразном и/или жидком топливе. Для замены систем автоматики типа АЛЬФА, БУК, БУРС, БУС и прочие.
Цена: по запросу
Используется в качестве блока автоматики, включающего в себя:
- Блок управления на базе контроллера САФАР-400 и терминальных блоков;
- Пускатели (вентилятор, дымосос, питательный насос);
- Тепловые и промежуточные реле;
- Автоматы электрические;
- Выходные клеммные соединения;
- Панель управления с индикацией и сигнализацией.
Преимущества
- Наличие встроенного автомата контроля герметичности;
- Экономическая выгода от использования блоков автомитики с плавным регулирование мощности позволяет снизить затраты на топливо до 15-20%;
- Работа как с аналоговыми, так и с дискретными датчиками;
- Наличие интерфейса RS-485 Modbus RTU. Позволяет работать в автоматическом режиме и в системах диспетчеризации котельной;
- Наличие часов реального времени, позволяет котлоагрегату работать по суточному и/или недельному графику, что экономит до 30% тепловой энергии;
- Современная элементная база повышает надежность и ремонтопригодность по сравнению с аналогами;
- Цена ниже в 2-3 раз по сравнению с системами с использованием ПЛК или существующими аналогами за счет использования специализированных контроллеров.
Функции
- автоматический розжиг и останов котла;
- предпусковой автоматический контроль герметичности;
- поддержание в заданных пределах давления пара на выходе из котла путем регулирования мощности горелки;
- режим работы котла: автоматическое регулирование или ручное управление;
- плавное регулирование подачи воздуха в соответствии с подачей топлива;
- автоматическое поддержание уровня воды в барабане путем позиционного управления питательным насосом;
- возможность ручного управления питательным насосом;
- плановый останов котла;
- формирование информации о текущем состоянии и вывод ее на OLED индикатор;
- возможность проведения регламентного контроля срабатывания защит котла без отключения котла;
- аварийный останов котла с выдачей аварийной звуковой и световой сигнализации, отображение причины останова на OLED индикаторе и запоминание ее;
- автоматическую защиту, обеспечивающую останов котла и блокировку его пуска при возникновении следующих аварийных ситуаций:
- ДАВЛЕНИЕ ВОЗДУХА ПЕРЕД ГОРЕЛКОЙ НИЗКОЕ;
- ДАВЛЕНИЕ ТОПЛИВА ПЕРЕД ГОРЕЛКОЙ НИЗКОЕ;
- ДАВЛЕНИЕ ТОПЛИВА ПЕРЕД ГОРЕЛКОЙ ВЫСОКОЕ;
- РАЗРЕЖЕНИЕ В ТОПКЕ НИЗКОЕ;
- УРОВЕНЬ ВОДЫ В БАРАБАНЕ НИЗКИЙ;
- УРОВЕНЬ ВОДЫ В БАРАБАНЕ ВЫСОКИЙ;
- ДАВЛЕНИЕ ПАРА ВЫСОКОЕ;
- ПОГАСАНИЕ ПЛАМЕНИ ГОРЕЛКИ;
- возможность выбора задействованных защит и включения функции автоматического контроля герметичности с помощью меню автомата горения;
- связь с верхним уровнем по интерфейсу RS-485 протокол Modbus – RTU;
- возможность выбора типа и диапазонов датчиков;
- контроль пламени осуществляется ионизационным электродом, либо фотодатчиком.
Автоматическая защита котла
Обеспечивает останов котла и блокировку его пуска до устранения причины при возникновении следующих аварийных ситуаций:
- давление воздуха перед горелкой низкое;
- давление газа перед горелкой низкое;
- давление газа перед горелкой высокое;
- разряжение в топке низкое;
- давление воды на выходе низкое;
- давление воды на выходе высокое;
- температура воды высокая;
- погасание пламени горелки;
- дополнительный пользовательский параметр;
- дополнительный пользовательский параметр.
Основные технические характеристики САФАР-400-ПАР
| Напряжение питания, В | 220 (+10 …– 15 %) 50 Гц |
| Энергопотребление, А | 7,6 |
| Коммутируемое номинальное напряжение релейных выходов, В | ~220 |
| Коммутируемый ток релейных выходов, А | 2 |
| Коммутируемое номинальное напряжение на электродвигатели вентилятора, насоса и дымососа, В | 380 (+10 …– 15 %) 50 Гц |
| Коммутируемый ток на двигатель вентилятора и насоса, А | 3,5 |
| Коммутируемый ток на двигатель дымососа, А | 7 |
| Дискретные входные сигналы, В | 24 |
| Аналоговые входные сигналы, мА | от 4 до 20 |
| Длина экранированного кабеля подключения ионизационного электрода, не более м | 20 |
| Класс защиты | IP54 |
| Габариты устройства:высота х ширина х глубина, мм | 500х400х270 |
| Температура окружающего воздуха | 0÷70 Сº |
| Масса, не более кг | 12 |
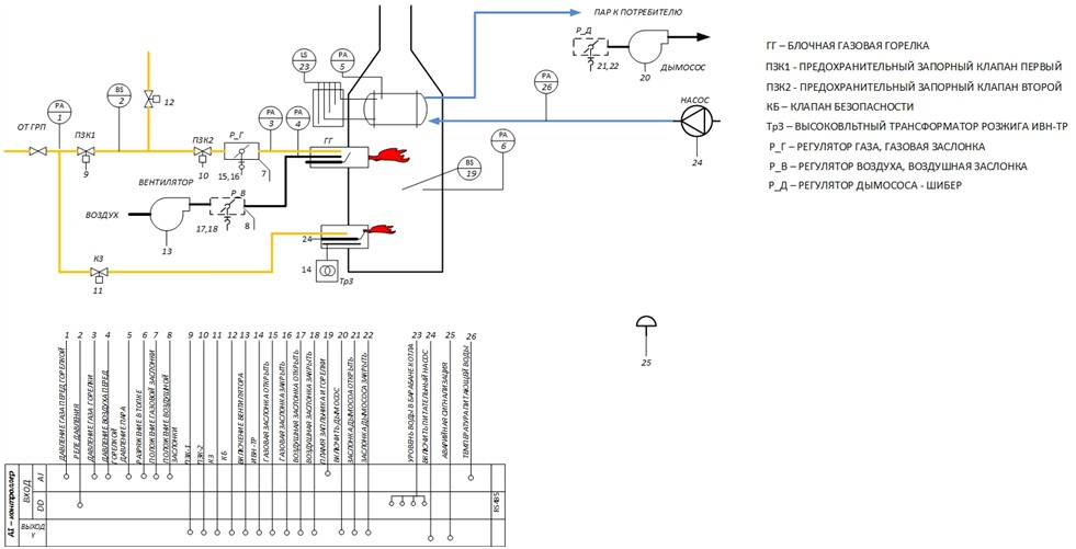
Схемы автоматизации
Спецификация к схеме автоматизации парового газового котла Е1/9
| поз | Наименование | Завод изготовитель | Ед. измер | Кол-во |
|---|---|---|---|---|
| Газовоздушный тракт | ||||
| 1 | *Датчик давления перед ПЗК1 ДДМ-03МИ-10ДИ, Кл. 0,5; 10кПа | НПП «ПРОМА» | ШТ. | 1 |
| 2 | реле давления ДРДМ-50 | НПП «ПРОМА» | ШТ. | 1 |
| 3 | *Датчик давления газа перед газовой горелкой ДДМ-03МИ-2,5ДИ, Кл. 0,5; 2,5кПа- | НПП «ПРОМА» | ШТ. | 1 |
| 4 | Датчик давления воздуха перед газовой горелкой ДДМ-03МИ-4ДИ, Кл. 0,5; 4 кПа | НПП «ПРОМА» | ШТ. | 1 |
| 9 | ПЗК 1 Газовый электромагнитный клапан КЭГ-50 | НПП «ПРОМА» | ШТ. | 1 |
| 10 | ПЗК 2 Газовый электромагнитный клапан КЭГ-50 | НПП «ПРОМА» | ШТ. | 1 |
| 11 | Клапан на запальник КЭГ-15 | НПП «ПРОМА» | ШТ. | 1 |
| 12 | Клапан безопасности нормально открытый КЭГ-20НО | НПП «ПРОМА» | ШТ. | 1 |
| Р_Г | Заслонка газовая ЗГП-50 | НПП «ПРОМА» | ШТ. | 1 |
| Р_В | Заслонка воздушная ЗП-80 | НПП «ПРОМА» | ШТ. | 1 |
| 6 | Датчик разряжения в топке ДДМ-03МИ-0,25ДИ, Кл. 0,5 | НПП «ПРОМА» | ШТ. | 1 |
| Р_Д | Заслонка дымососа | ШТ. | 1 | |
| 19 | Датчик пламени горелки — ионизационный электрод или фотодатчик ФДС-01-220 | НПП «ПРОМА» | ШТ. | 1 |
| Общекотлвые параметры | ||||
| 5 | Датчик давления пара ДДМ-03Т-1600ДИ | НПП «ПРОМА» | ШТ. | 1 |
| 26 | Датчик температуры питающей воды ПРОМА-ТС-101-01-80мм 0 — 150°С | |||
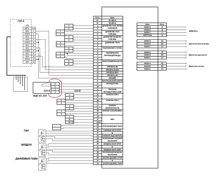
| 23 | Сигнализатор уровня СУР-4 | НПП «ПРОМА» | ШТ. | 1 |
| Контроллерное оборудование | ||||
| Шкаф управления котлом Е1/9 САФАР 400 | НПП «ПРОМА» | ШТ. | 1 |


