Шкаф САФАР-БЗК-ВОДА
Шкаф автоматики водогрейных котлов и тепловых установок
Водогрейный котел позиционное регулирование (ВК-21)
Для автоматизации работы (розжига, регулирования и защиты) волдогрейных котлоагрегатов, автоматизации теплогенераторов, асфальтобетонных установок, сушилок, печей, а так же других тепловых установок, работающих на газообразном и/или жидком топливе. Для замены систем автоматики типа АЛЬФА, БУК, БУРС, БУС и прочие.
Цена: по запросу
Используется в качестве блока автоматики, включающего в себя:
- Блок управления на базе контроллера САФАР-200-БЗК;
- Пускатели (вентилятор, дымосос);
- Тепловые и промежуточные реле;
- Автоматы электрические;
- Выходные клеммные соединения;
- Панель управления с индикацией и сигнализацией.
Преимущества
- Наличие встроенного автомата контроля герметичности;
- Работа как с аналоговыми, так и с дискретными датчиками;
- Наличие интерфейса RS-485 Modbus RTU. Позволяет работать в автоматическом режиме и в системах диспетчеризации котельной;
- Наличие часов реального времени, позволяет котлоагрегату работать по суточному и/или недельному графику, что экономит до 30% тепловой энергии;
- Современная элементная база повышает надежность и ремонтопригодность по сравнению с аналогами;
- Цена ниже в 2-3 раз по сравнению с системами с использованием ПЛК или существующими аналогами за счет использования специализированных контроллеров.
Функции
- автоматический розжиг и останов котла;
- предпусковой автоматический контроль герметичности газовых клапанов;
- поддержание в заданных пределах температуры воды на выходе из котла путем позиционного регулирования мощности горелки;
- режим работы котла: автоматическое регулирование или режим прогрева; • дискретное регулирование подачи воздуха в соответствии с подачей топлива (большое и малое горение);
- плановый останов котла;
- формирование информации о текущем состоянии и вывод ее на OLED индикатор;
- возможность проведения регламентного контроля срабатывания защит котла без отключения котла;
- аварийный останов котла с выдачей аварийной звуковой и световой сигнализации, отображение причины останова на OLED индикаторе и запоминание ее;
- автоматическую защиту, обеспечивающую останов котла и блокировку его пуска при возникновении аварийных ситуаций:
- возможность выбора задействованных защит и включения функции автоматического контроля герметичности с помощью меню автомата горения;
- связь с верхним уровнем по интерфейсу RS-485 протокол Modbus – RTU;
- возможность до трех аналоговых датчиков (4 – 20) мА;
- функция контроля сетевого напряжения питания.
Автоматическая защита котла
Обеспечивает останов котла и блокировку его пуска до устранения причины при возникновении следующих аварийных ситуаций:
- давление воздуха перед горелкой низкое;
- давление газа перед горелкой низкое;
- давление газа перед горелкой высокое;
- разряжение в топке низкое;
- давление воды на выходе низкое (водогрейный котел), уровень воды в барабане низкий (паровой);
- давление воды на выходе высокое (водогрейный котел), уровень воды в барабане высокий (паровой);
- температура воды высокая (водогрейный котел), давление пара высокое (паровой);
- погасание пламени горелки;
- дополнительный пользовательский параметр;
- дополнительный пользовательский параметр
Основные технические характеристики САФАР-БЗК-ВОДА
| Рабочее напряжение | 380В (+10..-15%) / 50Гц |
| Потребляемая мощность, не более кВа | 7,6 |
| Максимальная нагрузка на контакты релейных выходов, А Нагрузка на пускателях (по умолчанию) |
4 10 |
| Дискретные входные сигналы | 220В / 50Гц |
| Аналоговые входные сигнал | (4 – 20)мА |
| Длина экранированного кабеля иондатчика, не более м | 20 |
| Тип подключаемого датчика температуры | Pt100 |
| Степень защиты | IP54 |
| Температура окружающего воздуха, 0С | от -0 до +70 |
| Степень защиты по ГОСТ 14254-96 | IP54 |
| Габариты устройства, мм | 500х400х270 |
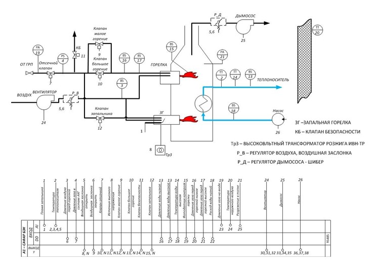
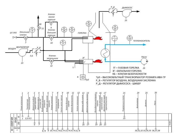
Схемы автоматизации
- Вариант 1
- Вариант 2
Спецификация к схеме автоматизации водогрейного газового котла ВК-21 вариант 1
| поз | Наименование | Завод изготовитель | Ед. измер | Кол-во |
|---|---|---|---|---|
| 1 | Запальник ЭЗГ-МК | НПП «ПРОМА» | шт. | 1 |
| 3 | Реле давления воздуха перед горелкой ДРДМ -1ДИ | НПП «ПРОМА» | шт. | 1 |
| 4 | Реле давления для проверки герметичности клапанов ДРДМ — 5ДИ | НПП «ПРОМА» | шт. | 1 |
| Р_В | Привод воздушной заслонки ЭПУ -6Р | НПП «ПРОМА» | шт. | 1 |
| 7 | Газовый электромагнитный клапан КЭГ-50 | НПП «ПРОМА» | шт. | 1 |
| 8 | Источник высокого напряжения ИВН-ТР | НПП «ПРОМА» | шт. | 1 |
| 9 | Газовый электромагнитный клапан КЭГ-20 | НПП «ПРОМА» | шт. | 1 |
| 10 | Газовый электромагнитный клапан КЭГ-40 | НПП «ПРОМА» | шт. | 1 |
| 11 | Клапан безопасности нормально открытый КЭГ-20НО | НПП «ПРОМА» | шт. | 1 |
| 12 | Газовый электромагнитный клапан КЭГ-15 | НПП «ПРОМА» | шт. | 1 |
| 15 | Фотодатчик ФДС-01 220 | НПП «ПРОМА» | шт. | 1 |
| 16 | Реле давления газа перед горелкой низкое ДРДМ-1ДИ | НПП «ПРОМА» | шт. | 1 |
| 17 | Реле давления газа перед горелкой высокое ДРДМ-5ДИ | НПП «ПРОМА» | шт. | 1 |
| 19 | Датчик давления газа на входе ДДМ03-10ДИ-МИ | НПП «ПРОМА» | шт. | 1 |
| 21 | Датчик разрежения в топке ДДМ03-0,25ДИВ-МИ | НПП «ПРОМА» | шт. | 1 |
| Общекотолвые параметры | ||||
| 2 | Датчик температуры горячей воды ПРОМА-ТС-101-01-80мм | НПП «ПРОМА» | шт. | 1 |
| 13 | Датчик давления воды ДМ2010 Сг | шт. | 1 | |
| 18 | Реле протока воды РП | НПП «ПРОМА» | шт. | 1 |
| 20 | Датчик температуры наружного воздуха ПРОМА ПТ-202 | НПП «ПРОМА» | шт. | 1 |
| Контроллерное оборудование | ||||
| Шкаф управления Сафар-БЗК- ВГ | НПП «ПРОМА» | шт. | 1 |
Спецификация к схеме автоматизации водогрейного газового котла ВК-21 вариант 2
| поз | Наименование | Завод изготовитель | Ед. измер | Кол-во |
|---|---|---|---|---|
| 1 | Запальник ЭЗГ-МК | НПП «ПРОМА» | шт. | 1 |
| 3 | Реле давления воздуха перед горелкой ДРДМ -1ДИ | НПП «ПРОМА» | шт. | 1 |
| 4 | Реле давления для проверки герметичности клапанов ДРДМ — 5ДИ | НПП «ПРОМА» | шт. | 1 |
| Р_В | Привод воздушной заслонки ЭПУ -6Р | НПП «ПРОМА» | шт. | 1 |
| 7 | Газовый электромагнитный клапан КЭГ-50 | НПП «ПРОМА» | шт. | 1 |
| 8 | Источник высокого напряжения ИВН-ТР | НПП «ПРОМА» | шт. | 1 |
| 9 | Газовый электромагнитный клапан КЭГ-20 | НПП «ПРОМА» | шт. | 1 |
| 10 | Газовый электромагнитный клапан КЭГ-40 | НПП «ПРОМА» | шт. | 1 |
| 11 | Клапан безопасности нормально открытый КЭГ-20НО | НПП «ПРОМА» | шт. | 1 |
| 12 | Газовый электромагнитный клапан КЭГ-15 | НПП «ПРОМА» | шт. | 1 |
| 15 | Фотодатчик ФДС-01 220 | НПП «ПРОМА» | шт. | 1 |
| 16 | Реле давления газа перед горелкой низкое ДРДМ-1ДИ | НПП «ПРОМА» | шт. | 1 |
| 17 | Реле давления газа перед горелкой высокое ДРДМ-5ДИ | НПП «ПРОМА» | шт. | 1 |
| 21 | Датчик разрежения в топке ДДМ03-0,25ДИВ-МИ | НПП «ПРОМА» | шт. | 1 |
| Общекотолвые параметры | шт. | |||
| 2 | Датчик температуры горячей воды ПРОМА-ТС-101-01-80мм | НПП «ПРОМА» | шт. | 1 |
| 13 | Датчик давления воды ДМ2010 Сг | шт. | 1 | |
| Контроллерное оборудование | шт. | |||
| Шкаф управления Сафар-БЗК- ВГ | НПП «ПРОМА» | шт. | 1 |





