Комплекты автоматики для подогревателей нефти и газа ЩУП
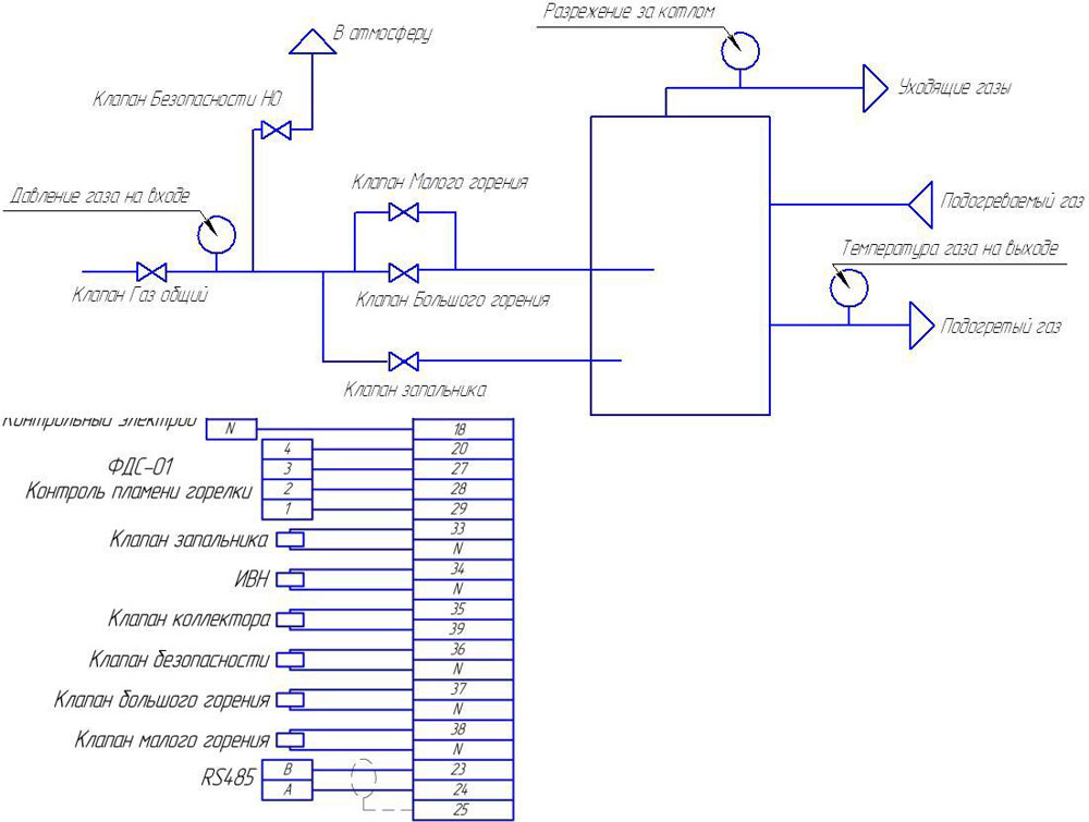
Для автоматизации работы подогревателей газа. Состоит из металлического шкафа с подогревом, контроллера, приборов контроля давления газа, разрежения и наличия пламени.
Рассчитан для работы на открытом воздухе в экстремальных погодных условиях (температура наружного воздуха от минус 50 до плюс 50 °С).
Цена: по запросу
Отправьте заявку
0
людей смотрят этот товар прямо сейчас
Функции
- работа в автоматическом или ручном режимаx;
- возможность задания следующих параметров через меню контроллера:
- Уставки по давлению газа, разрежению, температуре;
- Установка временного интервала на прогрев, вентиляцию и аварийную продувку;
- контроль герметичности газовой арматуры;
- автоматический розжиг запальника и горелки;
- автоматическое регулирование мощности (большое/малое горение) для поддержания заданной температуры;
- аварийный останов при достижении одного из аварийных параметров:
- Температура на выходе из подогревателя выше аварийной;
- Давление газа меньше минимума;
- Давление газа больше максимума;
- Разрежение дымовых газов меньше минимума;
- Отсутствие пламени запальника;
- Отсутствие пламени горелки;
- Отсутствие герметичности газовых клапанов;
- работа по протоколу MODBUS-RTU в сети RS-485, вывод текущих параметров, состояние аварийных сигналов.
Основные технические характеристики ЩУП
| Количество дискретных входов | 4 |
| Допустимая нагрузка на контакты реле при 220В, 50Гц или =30В, А | 4 |
| Количество аналоговых входов | 3 |
| Количество дискретных выходов | 9 |
| Напряжение питания | ~ 220В, 50Гц |
| Потребляемая мощность (суммарная с ИВН и клапанами), не более ВА | 200 |
| Температура окружающей среды, °С | от -50 до +50 |
| Степень защиты (код IP) | IP54 |
| Вес, не более кг | 10 |
| Габаритные размеры, мм: длина х ширина х высота | 250х400х500 |
Комплект оборудования для системы автоматики
| Щит управления подогревателем | 1 |
| Пилотный запальник ЗСУ-ПИ-38 | 1 |
| Источник высокого напряжения ИВН-ТР | 1 |
| Комплект электромагнитных клапанов (КЭГ-20НО – 1шт, КЭГ-25 – 2шт, КЭГ-15 – 2шт) | 1 |
| Датчик температуры ДТС045-100М.В3.160 | 1 |
| ФДС-01Г | 1 |
Состав щита управления
| Промышленный контроллер | 1 |
| Многофункциональные приборы: — ПРОМА-ИДМ(В)-ДИ-4кПа (контроль давления газа на входе) — ПРОМА-ИДМ(В)-ДИВ-4кПа (контроль разрежения) — ПРОМА-ИТМ (контроль температуры подогреваемого газа) |
1 1 1 |
| Контроль пламени: — ЛУЧ-КЭ (контроль пламени запальника) |
1 |



