Шкаф САФАР-400
Для автоматизации розжига, регулирования и защиты по 6-10 параметрам котлоагрегатов, теплогенераторов, блочных горелок, работающих по газообразном и жидком топливе. Конструкция автомата горения позволяет значительно расширить функции с применением блока расширения.
Цена: по запросу
Обеспечивает корректный розжиг горелки, поддержание заданного соотношения газ/воздух перед горелкой, контроль аварийных сигналов. В автомате может быть активирован регулятор, обеспечивающий поддержание заданного параметра температуры, давления пара и прочее, при помощи плавного регулирования.
Используется в качестве блока автоматики, включающего в себя модуль управления и модуль ввода/вывода.
Преимущества
Автомат горения САФАР-400 имеет ряд преимуществ по сравнению с применением ПЛК:
- Более низкая цена и выше надежность за счет специализированной конструкции;
- Встроенный фотодатчик и ионизационный датчик экономит стоимость комплектующих на 20-30%;
- Прошит проверенный и надежный алгоритм управления, регулирования и защиты;
- Выход — интерфейс RS-485, для работы с верхнем уровнем, т.е. возможность обмениваться информацией с контроллером верхнего уровня или SCADA;
- Наличие часов реального времени, позволяет котлоагрегату работать по дневному и/или недельному графику, что дает экономию тепла до 20-30%;
- Автомат ведёт три вида архивов: архив событий, минутный архив и архив блокировок;
- Настройка прибора при помощи меню, которое выводится на жидкокристаллический дисплей;
- Удобство при наладке и эксплуатации на блоках расширения имеется светодиодная индикация срабатывания дискретных входов и реле, так же имеется крепление под DIN-рейку;
- Имеются разъемные клеммные соединения, что облегчает монтаж;
- Современная элементная база позволяет повысить надежность и ремонтопригодность по сравнению с отечественными и зарубежными аналогами.
Функции
- Контроль герметичности клапанов;
- Розжиг горелки;
- Поддержание давления воздуха перед горелкой, управляя либо заслонкой воздуха, либо частотным приводом дутьевого вентилятора;
- Поддерживает заданную температуру для водогрейного котла или давление пара для парового котла;
- Питание аналоговых датчиков давления напряжением постоянного тока 24В; Управление заслонками;
- Питание датчиков положения заслонок;
- Настройка прибора при помощи меню, которое выводится на жидкокристаллический дисплей;
- Связь с верхним уровнем по интерфейсу RS-485 протокол Modbus-RTU;
- Климатическое исполнение УХЛ 3.1 по ГОСТ15150-69.
Автоматическая защита котла
Обеспечивает останов котла и блокировку его пуска при возникновении следующих аварийных ситуаций:
- Факел горелки;
- Факел запальника;
- Давление воздуха перед горелкой низкое;
- Давление газа перед горелкой низкое;
- Давление газа перед горелкой высокое;
- Разряжение в топке низкое;
- Давление воды на выходе низкое (водогрейный котел), уровень воды в барабане низкий (паровой);
- Давление воды на выходе высокое (водогрейный котел), уровень воды в барабане высокий (паровой);
- Температура воды высокая (водогрейный котел), давление пара высокое (паровой).
Регулирование параметров производиться:
- По часам реального времени, температурный режим может изменяться в зависимости от часов.
- Температурный режим изменяется по температуре наружного воздуха.
- Поддержание заданной температуры.
Входа/Выхода
| Входа — Аналоговые датчики (4–20) мА. |
8 |
| Термопреобразователи сопротивления Pt100 | 2 |
| Дискретные входа | 13 |
| Ионизационный контрольный электрод | 1 |
| Фотодатчик | 1 |
| Входы для измерения положения | 2 |
| Выхода — Дискретные выходы |
17 |
Основные технические характеристики САФАР-400
| Питающее напряжение | 24 |
| Потребляемая мощность, не более, Вт | 5 |
| Выходы для питания аналоговых датчиков напряжением, В | 24 |
| Точность измерения по аналоговым входам % | 0,5 |
| Рабочее напряжение коммутации контактов реле, В | 220 |
| Рабочий ток коммутации контактов реле, А (cos ∅ = 1) | 10 |
| Длина экранированного кабеля подключения иондатчика, не более м | 20 |
| Степень защиты | IP20 |
| Температура окружающего воздуха, 0С | от -20 до +50 |
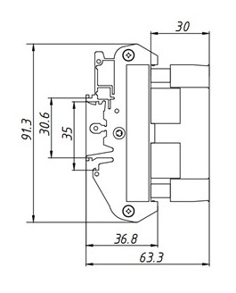
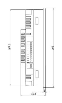
| Габаритные размеры, мм — контроллер — терминал 1 — терминал 2 |
145 x 195 x 61 84 x 205 x 63,3 84 x 124 x 63,3 |
Схемы автоматизации
Схема внешних подключений
|
Клеммы контроллера автомата |
Клеммы терминального блока автомата 1 |
|
Вид сбоку |
Расположение клемм терминального блока 1 |
|
Расположение клемм терминального блока 2 |
Клеммы терминального блока автомата 2 |
Габаритные и установочные размеры









