Шкаф автоматического розжига печи ШАРП
Комплексная система дистанционного розжига и автоматического контроля наличия пламени, для оснащения горелочных устройств в промышленных печах нефтехимических и нефтеперерабатывающих производств. Особенностью системы является двойное резервирование контроля пламени пилотной горелки – одновременный контроль фотодатчиком и ионизационным датчиком.
Цена: по запросу
– ШАРП-1 – автоматический розжиг с контролем факела и контролем аварийных параметров горелки
– ШАРП-2 – автоматический розжиг с контролем факела, без контроля аварийных параметров
Основные технические характеристики ШАРП
| № п/п | Наименование параметра | Значение |
| Шкаф ШАРП | ||
| 1 | Напряжение электрического питания, В | ~220B± 20В |
| 2 | Потребляемая мощность, Вт | 2 |
| 3 | Температура эксплуатации, °С | от -55 до +60 |
| 4 |
Габариты шкафа управления ШАРП-1(Ш*В*Г), мм |
300х400х150 300х300х200 |
| 5 | Степень защиты шкафа управления | IP65 |
| Пилотная горелка ЗСУ-ПИ-38 L | ||
| 1 | Материал корпуса | Нержавеющая сталь |
| 2 | Давление газа, кПа | 3-100 |
| 3 | Длина погружной части, мм | 250-3000 |
| 4 | Тепловая мощность, (регулируемая), кВт | 120 |
|
Фотодатчик ФДС-03 / ФДС-03-ЕХ |
||
| 1 | Температура окружающей среды, °С | от -40 до +60 |
| 2 | Вид контролируемого топлива | Газ/Мазут |
| 3 | Степень защиты | IP65 |
| 4 | Степень взрывозащиты | 1ExibIIBT5 |
| 5 | Напряжение питания, В | 24 |
| Клапан электромагнитный ВН-1/2Н-4 | ||
| 1 | Условный проход, мм | 15 |
| 2 | Напряжение питания, В | 220 |
|
Трансформатор розжига ИВН-ТР |
||
| 1 | Напряжение питания, В | 220 |
Схема внешних подключений
![]() |
![]() |
| Схема внешних подключений ШАРП-1-01-05-Е | Схема внешних подключений ШАРП-1-02-05-Е |
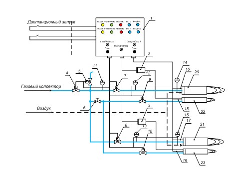
Принципиальная схема работы
![]() |
![]() |
| ШАРП-1 | ШАРП-2 |




