Горелка блочная газовая АЛГА
Для сжигания горючих газов низкого и среднего давления в топках котлоагрегатов, работающих как под наддувом до 0,9кПа, так и под разрежением.
Цена: по запросу
Отправьте заявку
0
людей смотрят этот товар прямо сейчас
Режимы работы:
- АЛГА позиционное регулирование мощности (большое/малое горение) Комплектуются автоматикой на базе специализированного контроллера САФАР-200.
- АЛГА (П) плавное регулирование мощности, в качестве контроллера – САФАР-400.
Тепловая мощность до 3,5МВт.
Применяются на
Водогрейных или паровых котлах; Теплогенераторах и теплоустановках; Зерносушилках; Технологических печах (асфальто-бетонных заводах, мусоросжигающих заводах, утилизаторах).
Комплектуются:
- Блок газовых клапанов (для позиционного или плавного регулирования) производства Термобрест.
- Датчики-реле давления воздуха, газа.
- Шкаф управления горелкой. Позиционное или плавное регулирование. Позволяет обеспечить полный алгоритм работы котельной установки, без дополнительных устройств (регуляторов, контроллеров, измерителей температуры).
- Электропривод воздушной заслонки.
- Контроля пламени горелки.
- Трансформатор розжига.
Полный комплект для монтажа на тепловой установке.
Основные технические характеристикиx
| 1,2(П) | 1,5(П) | 2,0(П) | 2,5(П) | 3,0(П) | 3,5(П) | |
|---|---|---|---|---|---|---|
| Тип горелки | блочная | |||||
| Номинальная тепловая мощность, МВт | 1,2 | 1,5 | 2,0 | 2,5 | 3,0 | 3,5 |
| Число ступеней регулирования | 2 | |||||
| Диапазон плавного регулирования, МВт | 0,35÷1,21 | 0,42÷1,44 | 0,6÷2,02 | 0,5÷2,53 | 0,66÷3,13 | 0,93÷3,5 |
| Вид топлива | Газ природный по ГОСТ 5542-87 | |||||
| Давление газа за основным запорным органом, кПа | 5÷40 | 6÷40 | 10÷40 | 6÷40 | 15÷40 | 18÷40 |
| Потребляемая электрическая мощность горелки, кВт | 2,2 | 3,0 | 3,0 | 7,5 | 7,5 | 7,5 |
| Напряжение электрической сети (фазное/линейное), В | 220/380 | |||||
| Давление в топке, Па | -20…800 | -20…600 | ||||
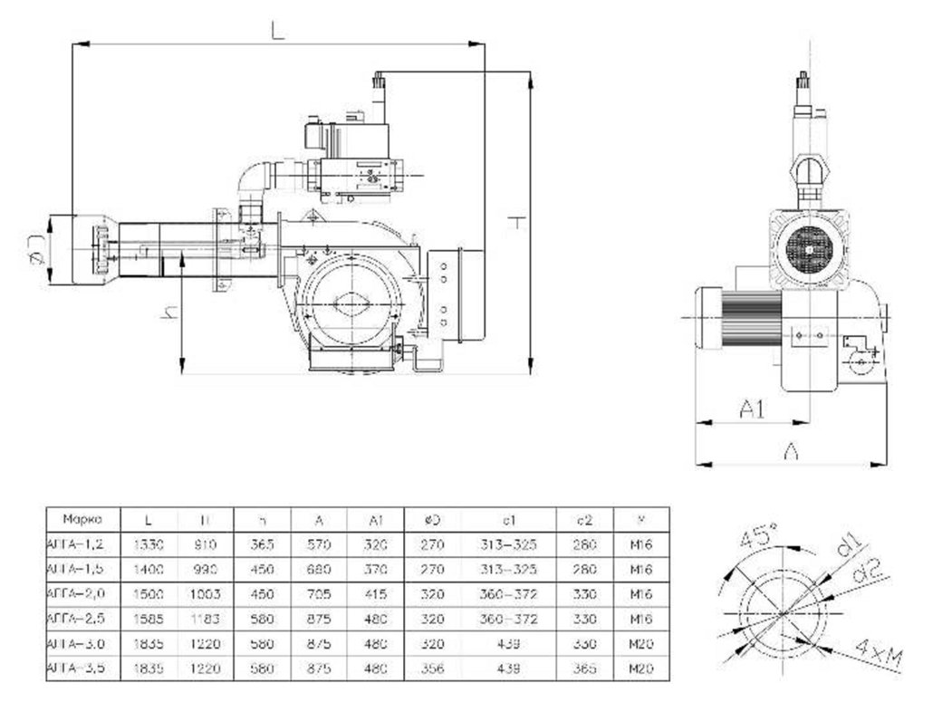
| Габаритные размеры, мм | ||||||
| длина | 1330 | 1400 | 1500 | 1585 | 1835 | 1835 |
| ширина | 507 | 660 | 705 | 875 | 875 | 875 |
| высота | 670 | 750 | 765 | 895 | 930 | 930 |
| Масса изделия, кг, не более | 84 | 96 | 128 | 180 | 218 | 248 |
| Коэффициент избытка воздуха при номинальной тепловой мощности | 1,15 | |||||
| Длина факела при номинальной мощности, м | 1,8 | 2,0 | 2,4 | 2,8 | 3,0 | 3,3 |


