Щиты приборные ЩП
Для комплексных поставок приборов автоматики, обеспечивающих совместно с блоком управления котлом (например, БУК-МП) автоматизацию всех процессов.
Цена: по запросу
ЩП представляет собой шкаф со встроенными в него приборами, коммутированными нужным образом. На лицевую панель выводится вся текущая информация с приборов. На задней части ЩП располагаются штуцера для подвода газа, воздуха, клеммные соединения, автоматы.
Количество и тип приборов определяются заказчиком.
ЩП поставляется совместно с БУК-МП либо отдельно от него. Имеет 4 базовых комплектации для 1-горелочного котла, 1 – для 2-горелочного и 1 – для 4-горелочного, но может быть выполнен произвольно по требованию заказчика. Габаритные и установочные размеры при этом будут меняться в зависимости от количества приборов внутри ЩП.
Комплектация исполнений ЩП
| Тип котла | Исполнение | Приборы | Контролируемый параметр |
|---|---|---|---|
| 1-горелочный ЩП-1Г | 01 | ЛУЧ-1АМ | Контроль факела запальника |
| ЛУЧ-1АМ | Контроль факела горелки | ||
| ИДМ-ДИВ-0,125 | Разрежение в топке | ||
| ИДМ-ДИ-1,6 | Давление воздуха | ||
| ИДМ-ДИ-25 | Давление газа перед горелкой | ||
| ИДМ-ДИ-40 | Давление газа перед котлом | ||
| 02 | ЛУЧ-1АМ | Контроль факела запальника | |
| ЛУЧ-1АМ | Контроль факела горелки | ||
| ИДМ-ДИВ-0,125 | Разрежение в топке | ||
| ИДМ-ДИ-25 | Давление газа перед горелкой | ||
| ИДМ-ДИ-40 | Давление газа перед котлом | ||
| 03 | ЛУЧ-1АМ | Контроль факела запальника | |
| ЛУЧ-1АМ | Контроль факела горелки | ||
| ПРОМА-ИТМ | Температура воды на выходе из котла | ||
| ПРОМА-ИТМ | Температура уходящих газов | ||
| ИДМ-ДИВ-0,125 | Разрежение в топке | ||
| ИДМ-ДИ-1,6 | Давление воздуха | ||
| ИДМ-ДИ-25 | Давление газа перед горелкой | ||
| ИДМ-ДИ-40 | Давление газа перед котлом | ||
| 04 | ЛУЧ-1АМ | Контроль факела запальника | |
| ЛУЧ-1АМ | Контроль факела горелки | ||
| ПРОМА-ИТМ | Температура воды на выходе из котла | ||
| ПРОМА-ИТМ | Температура уходящих газов | ||
| ИДМ-ДИВ-0,125 | Разрежение в топке | ||
| ИДМ-ДИ-25 | Давление газа перед горелкой | ||
| ИДМ-ДИ-40 | Давление газа перед котлом | ||
| 2-горелочный ЩП-2Г | 01 | ЛУЧ-1АМ | Контроль факела 1-ого запальника |
| ЛУЧ-1АМ | Контроль факела 1-й горелки | ||
| ЛУЧ-1АМ | Контроль факела 2-ого запальника | ||
| ЛУЧ-1АМ | Контроль факела 2-й горелки | ||
| ИДМ-ДИВ-0,125 | Разрежение в топке | ||
| ИДМ-ДИ-40 | Давление газа перед котлом | ||
| ИДМ-ДИ-25 | Давление газа перед 1-й горелкой | ||
| ИДМ-ДИ-25 | Давление газа перед 2-й горелкой | ||
| 4-горелочный ЩП-4Г | 01 | ЛУЧ-1АМ | Контроль факела 1-ого запальника |
| ЛУЧ-1АМ | Контроль факела 1-й горелки | ||
| ЛУЧ-1АМ | Контроль факела 2-ого запальника | ||
| ЛУЧ-1АМ | Контроль факела 2-й горелки | ||
| ЛУЧ-1АМ | Контроль факела 3-ого запальника | ||
| ЛУЧ-1АМ | Контроль факела 3-й горелки | ||
| ЛУЧ-1АМ | Контроль факела 4-ого запальника | ||
| ЛУЧ-1АМ | Контроль факела 4-й горелки | ||
| ИДМ-ДИВ-0,125 | Разрежение в топке | ||
| ИДМ-ДИ-40 | Давление газа перед котлом | ||
| ИДМ-ДИ-25 | Давление газа перед 1-й горелкой | ||
| ИДМ-ДИ-25 | Давление газа перед 2-й горелкой | ||
| ИДМ-ДИ-25 | Давление газа перед 1-й горелкой | ||
| ИДМ-ДИ-25 | Давление газа перед 2-й горелкой |
ЩП-1Г-01 предназначен для котлов с вентилятором и дымососом;
ЩП-1Г-02 – для котлов без вентилятора;
ЩП-1Г-03 – с вентилятором и дымососом с выводом температуры воды на выходе котла и температуры уходящих газов;
ЩП-1Г-04 – без вентилятора с выводом температуры воды на выходе котла и температуры уходящих газов.
ЩП-2Г-01 предназначен для двухгорелочных котлов без вентилятора.
ЩП-4Г-01 предназначен для четырехгорелочных котлов без вентилятора.
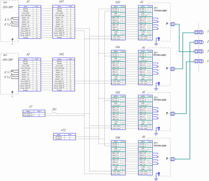
Схема коммутаций ЩП-1Г-01
Габаритные и установочные размеры
![]() |
![]() |
| ЩП с 6-ю приборами | ЩП с 8-ю приборами |
| Вариант |
ЩП-1Г-01 ,ЩП-1Г-02 ,ЩП-1Г-03 ,ЩП-1Г-04 ,ЩП-2Г-01 ,ЩП-4Г-01 |
|---|



