Шкаф САФАР-БЗК-ПАР
Шкаф автоматики паровых котлов и тепловых установок
Паровой котел позиционное регулирование (Е-1.0-09)
Для автоматизации работы (розжига, регулирования и защиты) паровых котлоагрегатов, автоматизации теплогенераторов, асфальтобетонных установок, сушилок, печей, а так же других тепловых установок, работающих на газообразном и/или жидком топливе. Для замены систем автоматики типа АЛЬФА, БУК, БУРС, БУС и прочие.
Цена: по запросу
Используется в качестве блока автоматики, включающего в себя:
- Блок управления на базе контроллера САФАР-200 или САФАР-400;
- Пускатели (вентилятор, дымосос, подпиточный насос);
- Тепловые и промежуточные реле;
- Автоматы электрические;
- Выходные клеммные соединения;
- Панель управления с индикацией и сигнализацией.
Преимущества
- Наличие встроенного автомата контроля герметичности;
- Работа как с аналоговыми, так и с дискретными датчиками;
- Наличие интерфейса RS-485 Modbus RTU. Позволяет работать в автоматическом режиме и в системах диспетчеризации котельной;
- Наличие часов реального времени, позволяет котлоагрегату работать по суточному и/или недельному графику, что экономит до 30% тепловой энергии;
- Современная элементная база повышает надежность и ремонтопригодность по сравнению с аналогами;
- Цена ниже в 2-3 раз по сравнению с системами с использованием ПЛК или существующими аналогами за счет использования специализированных контроллеров.
Функции
- автоматический розжиг и останов котла;
- предпусковой автоматический контроль герметичности газовых клапанов;
- поддержание в заданных пределах давления пара на выходе из котла путем позиционного регулирования мощности горелки;
- режим работы котла: автоматическое регулирование или режим прогрева;
- дискретное регулирование подачи воздуха в соответствии с подачей топлива (большое и малое горение);
- автоматическое поддержание уровня воды в барабане путем позиционного управления питательным насосом;
- возможность ручного управления питательным насосом;
- плановый останов котла;
- формирование информации о текущем состоянии и вывод ее на OLED индикатор;
- возможность проведения регламентного контроля срабатывания защит котла без отключения котла;
- аварийный останов котла с выдачей аварийной звуковой и световой сигнализации, отображение причины останова на OLED индикаторе и запоминание ее;
- автоматическую защиту, обеспечивающую останов котла и блокировку его пуска при возникновении аварийных ситуаций:
- возможность выбора задействованных защит и включения функции автоматического контроля герметичности с помощью меню автомата горения;
- связь с верхним уровнем по интерфейсу RS-485 протокол Modbus – RTU;
- возможность до трех аналоговых датчиков (4 – 20) мА;
- функция контроля сетевого напряжения питания.
Основные технические характеристики САФАР-БЗК-ПАР
| Рабочее напряжение | 380В (+10..-15%) / 50Гц |
| Потребляемая мощность, не более кВа | 7,6 |
| Максимальная нагрузка на контакты релейных выходов, А Нагрузка на пускателях (по умолчанию) |
4 10 |
| Дискретные входные сигналы | 220В / 50Гц |
| Аналоговые входные сигнал | (4 – 20)мА |
| Длина экранированного кабеля иондатчика, не более м | 20 |
| Тип подключаемого датчика температуры | Pt100 |
| Степень защиты | IP54 |
| Температура окружающего воздуха, °С | от -0 до +70 |
| Степень защиты по ГОСТ 14254-96 | IP54 |
| Габариты устройства, мм | 500х400х270 |
Автоматическая защита котла
Обеспечивает останов котла и блокировку его пуска до устранения причины при возникновении следующих аварийных ситуаций:
- давление воздуха перед горелкой низкое;
- давление газа перед горелкой низкое;
- давление газа перед горелкой высокое;
- разряжение в топке низкое;
- давление воды на выходе низкое (водогрейный котел), уровень воды в барабане низкий (паровой);
- давление воды на выходе высокое (водогрейный котел), уровень воды в барабане высокий (паровой);
- температура воды высокая (водогрейный котел), давление пара высокое (паровой);
- погасание пламени горелки;
- дополнительный пользовательский параметр;
- дополнительный пользовательский параметр
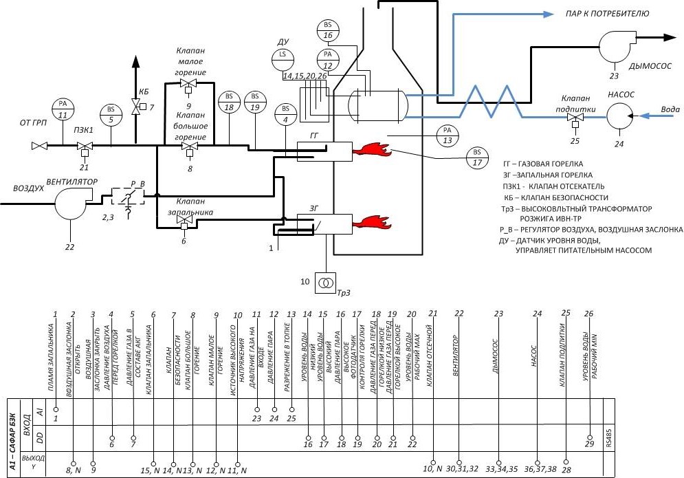
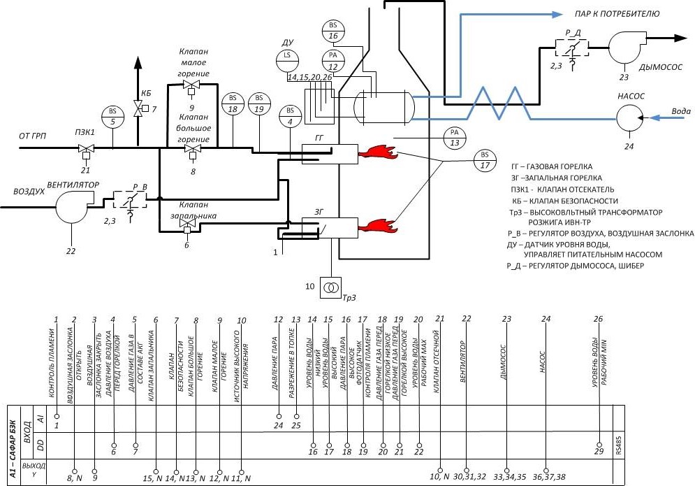
Схемы автоматизациии
- Вариант 1
- Вариант 2
| поз | Наименование | Завод изготовитель | Ед. измер | Кол-во |
|---|---|---|---|---|
| Газовоздушный тракт | ||||
| 4 | Реле давления воздуха перед горелкой ДРДМ -1ДИ | НПП «ПРОМА» | шт. | 1 |
| 5 | Реле давления для проверки герметичности клапанов ДРДМ — 5ДИ | НПП «ПРОМА» | шт. | 1 |
| 6 | Газовый электромагнитный клапан КЭГ-15 | НПП «ПРОМА» | шт. | 1 |
| 7 | Клапан безопасности нормально открытый КЭГ-20НО | НПП «ПРОМА» | шт. | 1 |
| 8 | Газовый электромагнитный клапан КЭГ-40 | НПП «ПРОМА» | шт. | 1 |
| 9 | Газовый электромагнитный клапан КЭГ-20 | НПП «ПРОМА» | шт. | 1 |
| 10 | Источник высокого напряжения ИВН-ТР | НПП «ПРОМА» | шт. | 1 |
| 11 | Датчик давления газа на входе ДДМ03-10ДИ-МИ | НПП «ПРОМА» | шт. | 1 |
| 12 | Датчик давления пара ДДМ03Т—1600ДИ | НПП «ПРОМА» | шт. | 1 |
| 13 | Датчик разрежения в топке ДДМ03-0,25ДИВ-МИ | НПП «ПРОМА» | шт. | 1 |
| 14 | Сигнализатор уровня Прома-СУР4-Н | НПП «ПРОМА» | шт. | 1 |
| 17 | Фотодатчик ФДС-01- 220 | НПП «ПРОМА» | шт. | 1 |
| 18 | Реле давления газа перед горелкой низкое ДРДМ-1ДИ | НПП «ПРОМА» | шт. | 1 |
| 19 | Реле давления газа перед горелкой высокое ДРДМ-5ДИ | НПП «ПРОМА» | шт. | 1 |
| 21 | Газовый электромагнитный клапан КЭГ-50 | НПП «ПРОМА» | шт. | 1 |
| Р_В | Привод воздушной заслонки ЭПУ -6Р | НПП «ПРОМА» | шт. | 1 |
| 16 | Манометр электроконтактный давления пара ДМ2010Сг-1600 кПа | шт. | 1 | |
| Запальник ЭЗГ-МК | НПП «ПРОМА» | шт. | 1 | |
| Контроллерное оборудование | шт. | |||
| Шкаф управления Сафар-БЗК- ПГ –Е1/9 | НПП «ПРОМА» | шт. | 1 |
| поз | Наименование | Завод изготовитель | Ед. измер | Кол-во |
|---|---|---|---|---|
| Газовоздушный тракт | ||||
| 4 | Реле давления воздуха перед горелкой ДРДМ -1ДИ | НПП «ПРОМА» | шт. | 1 |
| 5 | Реле давления для проверки герметичности клапанов ДРДМ — 5ДИ | НПП «ПРОМА» | шт. | 1 |
| 6 | Газовый электромагнитный клапан КЭГ-15 | НПП «ПРОМА» | шт. | 1 |
| 7 | Клапан безопасности нормально открытый КЭГ-20НО | НПП «ПРОМА» | шт. | 1 |
| 8 | Газовый электромагнитный клапан КЭГ-40 | НПП «ПРОМА» | шт. | 1 |
| 9 | Газовый электромагнитный клапан КЭГ-20 | НПП «ПРОМА» | шт. | 1 |
| 10 | Источник высокого напряжения ИВН-ТР | НПП «ПРОМА» | шт. | 1 |
| 12 | Датчик давления пара ДДМ03Т—1600ДИ | НПП «ПРОМА» | шт. | 1 |
| 13 | Датчик разрежения в топке ДДМ03-0,25ДИВ-МИ | НПП «ПРОМА» | шт. | 1 |
| 14 | Сигнализатор уровня Прома-СУР4-Н | НПП «ПРОМА» | шт. | 1 |
| 17 | Фотодатчик ФДС-01 220 | НПП «ПРОМА» | шт. | 1 |
| 18 | Реле давления газа перед горелкой низкое ДРДМ-1ДИ | НПП «ПРОМА» | шт. | 1 |
| 19 | Реле давления газа перед горелкой высокое ДРДМ-5ДИ | НПП «ПРОМА» | шт. | 1 |
| 21 | Газовый электромагнитный клапан КЭГ-50 | НПП «ПРОМА» | шт. | 1 |
| Р_В | Привод воздушной заслонки ЭПУ -6Р | НПП «ПРОМА» | шт. | 1 |
| 16 | Манометр электроконтактный давления пара ДМ2010Сг-1600 кПа | шт. | 1 | |
| Запальник ЭЗГ-МК | НПП «ПРОМА» | шт. | 1 | |
| Контроллерное оборудование | шт. | |||
| Шкаф управления Сафар-БЗК- ПГ –Е1/9 | НПП «ПРОМА» | шт. | 1 |
Схема внешних подключений
B0 – Цепь интерфейса RS-485 протокол Modbus RTU.
1 – Цепь ионизационного электрода, для контроля пламени запальника или горелки.
6 – Цепь аварийного реле понижения давления воздуха. Реле должно коммутировать на вход 220В фаза. По умолчанию вход настроен на нормально-замкнутое (НЗ) состояние при давлении воздуха выше уставки. При размыкании реле – авария.
7 – Цепь реле давления газа в составе схемы контроля герметичности. Реле должно коммутировать на вход 220В фаза. По умолчанию вход настроен на нормально-замкнутое (НЗ) состояние при давлении газа ниже уставки.
8, 9 – Цепь управления воздушной заслонкой и шибером дымососа. В режиме малого горения 220В фаза на контакте 9, в режиме большого горения – на контакте 8.
10 – Цепь управления клапаном-отсекателем. Коммутирует на выход 220 В фаза для открытия клапана.
11 – Цепь управления трансформатором розжига. Коммутирует на выход 220В. 12 – Цепь управления клапаном малого горения. Коммутирует на выход 220В фаза для открытия клапана.
13 – Цепь управленияклапаном большого горения. Коммутирует на выход 220В фаза для открытия клапана.
14 – Цепь управления клапаном безопасности. Коммутирует на выход 220В фаза для закрытия клапана.
15 – Цепь управления клапаном запальника. Коммутирует на выход 220В фаза для открытия клапана.
16 – Цепь сигнализатора аварийного понижения уровня воды в барабане. Сигнализатор уровня должен коммутировать на вход 220В фаза. По умолчанию вход настроен на нормально-замкнутое (НЗ) состояние при уровне воды выше уставки. При размыкании реле – авария.
17 – Цепь сигнализатора аварийного повышения уровня воды в барабане. Сигнализатор уровня должен коммутировать на вход 220В фаза. По умолчанию вход настроен на нормально-разомкнутое (НР) состояние при уровне воды ниже уставки. При замыкании реле – авария
19 – Цепь реле фотодатчика контроля пламени запальника или горелки. По умолчанию вход настроен на нормально-разомкнутое (НР) состояние при отсутствии сигнала наличия пламени. При наличии пламени реле должно замыкаться.
20 – Цепь аварийного реле понижения давления газа. Реле должно коммутировать на вход 220В фаза. По умолчанию вход настроен на нормально- замкнутое (НЗ) состояние при давлении газа выше уставки. При размыкании реле – авария.
21 – Цепь аварийного реле повышения давления газа. Реле должно коммутировать на вход 220В фаза. По умолчанию вход настроен на нормально-разомкнутое (НР) состояние при давлении газа ниже уставки. При замыкании реле – авария.
22 – Цепь сигнализатора уровня воды в барабане. Рабочий максимальный уровень, выше которого питательный насос должен отключаться. Сигнализатор уровня должен коммутировать на вход 220В фаза. Необходимо нормально-разомкнутое (НР) состояние при уровне воды выше уставки. При уровне воды ниже уставки реле сигнализатора уровня должно замыкаться.
23 – Цепь аналогового (4-20 мА) датчика давления газа на входе.
24 – Цепь аналогового (4-20 мА) датчика давления пара.
25 – Цепь аналогового (4-20 мА) датчика разрежения в топке котла.
26 – Цепь общего (0В) сигнала с аналоговых датчиков, в случае подключении датчиков с активным токовым выходом.
27 – Цепь электропитания +24В аналоговых датчиков, в случае датчиков по схеме «токовая петля».
28 – Цепь управления клапаном подпитки. Коммутирует на выход 220 В фаза для открытия клапана.
29 – Цепь сигнализатора уровня воды в барабане. Рабочий минимальный уровень, ниже которого питательный насос должен включаться. Сигнализатор уровня должен коммутировать на вход 220В фаза. Необходимо нормально-замкнутое (НЗ) состояние при уровне воды ниже уставки. При уровне воды выше уставки реле сигнализатора уровня должно размыкаться. N, A, B, C – Цепи электропитания шкафа управления, вентилятором, дымососом и питательным насосом.
30, 31, 32 – Цепи управления вентилятором.
33, 34, 35 – Цепи управления дымососом.
36, 37, 38 – Цепи управления питательным насосом





