Электрозапальник газовый ЭЗ
Для дистанционного розжига горелок котлоагрегатов, работающих на газообразном, жидком топливах, стационарных и передвижных котельных агрегатов, термоагрегатов и технологических установок с использованием горелочных устройств. Отличается большой мощностью. Имеет более устойчивый к отрыву факел. Перфорация на торце запальника обеспечивает стабильное смешение газа и воздуха.
Цена: по запросу
Отправьте заявку
0
людей смотрят этот товар прямо сейчас
- Дистанционный розжиг основных горелок.
- Контроль наличия собственного факела.
- Электрозапальник может использоваться в комплекте с сигнализатором горения ЛУЧ-1АМ, ЛУЧ-КЭ и др., источником высокого напряжения ИВН, ИВН-ТР и др., клапаном электромагнитным КЭГ-15 или ВН-1/2Н-4, фотодатчиком ФД-02 и др., фотодатчиком сигнализирующим ФДС-01, ФДС-03.
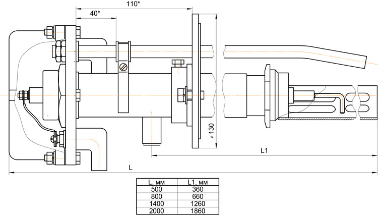
Основные технические характеристики ЭЗ
| Рабочая среда | Природный газ, пропан-бутановая смесь |
| Присоединительное давление газа перед запальной горелкой, кПа | 1 — 250 |
| Тепловая мощность при работе на природном и сжиженном газе, на смеси пропан-бутан, кВт, не более | 100 |
| Длина факела при отрегулированном режиме горения, м, не менее | 0,8 |
| Диаметр входного штуцера, мм | 13 |
| Габаритные размеры, мм, не более: — длина — ширина — высота |
500; 800; 1400; 2000 130 175 |
| Масса, кг, не более длиной: — 500 — 800 — 1400 — 2000 |
3,0 4,5 11,5 13,1 |

