Частотные преобразователи серии EMD-MINI
Частотный преобразователь ELHART серии EMD-MINI управляет скоростью вращения трехфазного асинхронного электродвигателя с короткозамкнутым ротором (насосами, вентиляторами, миксерами, транспортирующими механизмами др.). Частотный преобразователь серии EMD-MINI строго оптимизирован под свои задачи, поэтому он прост в эксплуатации и отличается весьма привлекательной ценой.
В качестве дополнительного аксессуара доступен выносной пульт управления EMD-MINI – RCP, который полностью дублирует панель управления ПЧ и значительно облегчает работу при затрудненном доступе к ПЧ (например, при монтаже ПЧ в шкафу управления).
Цена: по запросу
Особенности частотных преобразователей ELHART серии EMD-MINI
|
|
Дистанционное управление |
Спящий режим |
![]() |
![]() |
Компактные размеры |
Удобство настройки |
![]() (питание 380 В, мощность 2,2 кВт) |
![]() |
Активное охлаждение |
Отображение скорости вращения |
![]() |
![]() |
Технические характеристики частотных преобразователей ELHART серии EMD-MINI
| Напряжение питания | Выходное напряжение | Мощность, кВт | Артикул | Номинальный ток, А |
Рекомендуемые параметры автоматического выключателя | |
| входной | выходной | |||||
| 1 ф/220 В (170…240 В) 50 Гц | 3 ф/220 В (0…220 В) 0,1…999,9 Гц | 0,4 | EMD-MINI — 004 S | 5,3 | 2,5 | 10 А, класс В |
| 0,75 | EMD-MINI — 007 S | 8,3 | 5 | 10 А, класс В | ||
| 1,5 | EMD-MINI — 015 S | 14 | 7 | 25 А, класс В | ||
| 2,2 | EMD-MINI — 022 S | 23 | 11 | 25 А, класс В | ||
| 3 ф/380 В (330…440 В) 50 Гц | 3 ф/380 В (0…380 В) 0,1…999,9 Гц | 0,75 | EMD-MINI — 007 T | 3,7 | 2,7 | 6 А, класс В |
| 1,5 | EMD-MINI — 015 T | 5,4 | 4 | 10 А, класс В | ||
| 2,2 | EMD-MINI — 022 T | 6,5 | 5 | 10 А, класс В | ||
| 3,7 | EMD-MINI — 037 T | 10,7 | 8,6 | 16 А, класс В | ||
| 5,5 | EMD-MINI — 055 T | 15 | 12,5 | 25 А, класс В | ||
| 7,5 | EMD-MINI — 075 T | 20,5 | 17,5 | 40 А, класс В | ||
| 11 | EMD-MINI — 110 T | 26,5 | 24 | 50 А, класс В | ||
| Метод управления | U/F – вольт-частотное управление |
| Диапазон выходной частоты | 0,1…999,9 Гц |
| Дискретность задания частоты | для задания с пульта управления: 0,1 Гц для задания по аналоговому входу: 0,1% от максимальной частоты |
| Регулирование | встроенный ПИД-регулятор |
| Характеристики момента | автоматическое уменьшение в зависимости от нагрузки |
| Время разгона/торможения | 0…999,9 сек |
| Характеристики сигналов управления | |
| Дискретные входы | 4 программируемых дискретных входа (NPN) |
| Дискретный выход | 1 программируемый дискретный выход, реле НО контакт (3 A при ~250 В 50 Гц или 3 A при =30 В) |
| Аналоговый вход | 1 аналоговый вход, 0…10 В / 4…20 мА, встроенный источник напряжения +10 В постоянного тока |
| Интерфейс связи | RS-485, протокол MODBUS ASCII/RTU |
| Источник задания выходной частоты | аналоговый сигнал, панель управления, внешний потенциометр, дискретные входы, интерфейс связи RS-485, выносной пульт управления EMD-MINI – RCP |
| Перегрузочная способность, параметры защиты | |
| Перегрузочная способность | 150% от номинального тока ПЧ в течение 60 сек |
| Встроенная защита | повышенное/пониженное напряжение, перегрузка по току, перегрев ПЧ и прочие |
| Условия эксплуатации | |
| Класс защиты | IP20 |
| Температура окружающей среды | -10…+40 °С |
| Относительная влажность | не более 95% (без образования конденсата) |
| Метод охлаждения | встроенный вентилятор |
| Метод монтажа: | |
| – монтаж на панель | все модели |
| – установка на DIN-рейку 35 мм | EMD-MINI — 004 S…022 S, EMD-MINI — 007 T…055 T |
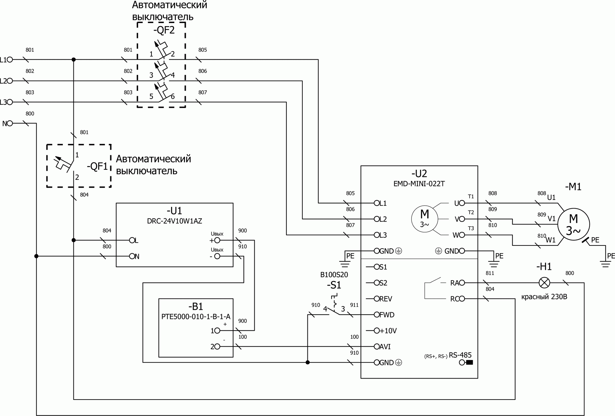
Схема подключения частотных преобразователей ELHART серии EMD-MINI

* для моделей с питанием 1ф/220 В (модель EMD-MINI-xxxS) клеммы L1 и L2
Типовые параметры для насосной станции
Примечания:
* – параметры настраиваются клиентом в зависимости от оборудования
** – значения с шильдика двигателя
*** – настройка параметра P614 (значение обратной связи отображаемое на дисплее) приведена в таблице ниже
| значение P614 | Давление | Точность отображения |
| 100 | 1 бар | 0,1 бар |
| 400 | 4 бар | |
| 600 | 6 бар | |
| 1000 | 10 бар | |
| 160 | 16 бар | 1 бар |
| 250 | 25 бар | |
| 400 | 40 бар | |
| 600 | 60 бар |
Габаритные размеры частотных преобразователей ELHART серии EMD-MINI
![]() |
![]() |
| Рисунок 1 | Рисунок 2 |
| Модель | Рисунок | Габаритные размеры, мм | Возможность монтажа на DIN-рейку 35 мм |
|||||
| W | H | D | A | B | d | |||
| EMD-MINI — 004…015 S | 1 | 68 | 132 | 102 | 120 | 57 | 4,5 | есть |
| EMD-MINI — 022 S | 72 | 142 | 112,2 | 130 | 61 | 4,5 | ||
| EMD-MINI — 004…022 T | ||||||||
| EMD-MINI — 037…055 T | 2 | 85 | 180 | 116 | 167 | 72 | 5,5 | |
| EMD-MINI — 075…110 T | 106 | 240 | 153 | 230 | 96 | 4,5 | нет | |
Выносной пульт управления серии EMD-MINI — RCP
Выносной пульт управления EMD-MINI — RCP предназначен для дистанционного управления преобразователями частоты ELHART серии EMD-MINI.
Пульт комплектуется кабелем (2 м), один конец которого подсоединяется к соответствующему разъёму на преобразователе частоты, а другой — к разъёму на пульте.
Приспособлен для накладного или врезного монтажа.
Выносной пульт имеет абсолютно те же функции и возможности, что и панель управления на самом преобразователе, и позволяет контролировать и управлять работой преобразователя частоты при монтаже в труднодоступных местах.
При установке ПЧ в шкаф управления выносной пульт встраивается в переднюю панель шкафа: таким образом для управления ПЧ или просмотра текущего состояния процесса нет необходимости открывать шкаф. Кроме того, использование пульта обеспечивает дополнительную безопасность оператора (ввиду риска случайного прикосновения к силовым контактам внутри шкафа).
Пульт EMD-MINI – RCP совместно с необходимой моделью ПЧ может использоваться в сложных и/или конструктивных завершенных устройствах, таких как печи или климатические камеры — управление которыми не предполагает доступа оператора непосредственно к внутренним компонентам и осуществляется с помощью наружной панели управления.
Описание
| Описание индикации и элементов управления выносного пульта | |
| 1 | RUN — индикатор команды «Пуск» |
| 2 | FWD — индикатор команды «Вращение в прямом направлении» |
| 3 | REV — индикатор команды «Вращение в обратном направлении» |
| 4 | STOP — индикатор команды «СТОП» |
| 5 | Потенциометр — регулировка задания частоты |
| 6 | PROG/RESET — вход в режим программирования (кратковременное нажатие), сброс аварии (нажатие длительностью более 2 секунд) |
| 7 | ENTER/DISP — переключение на другой разряд или другой параметр отображения (кратковременное нажатие), подтверждение ввода (нажатие длительностью более 2 секунд) |
| 8 | ВВЕРХ/ВНИЗ — выбор параметра, изменение частоты |
| 9 | RUN/STOP — пуск и остановка электродвигателя |
Технические характеристики
| Напряжение питания | =5 В |
| Рабочая температура | -10…+40 °C |
| Относительная влажность | не более 95% (без образования конденсата) |
| Степень защиты | IP54 (по передней панели) |
| Тип монтажа | накладной или врезной |
| Материал корпуса | пластмасса |
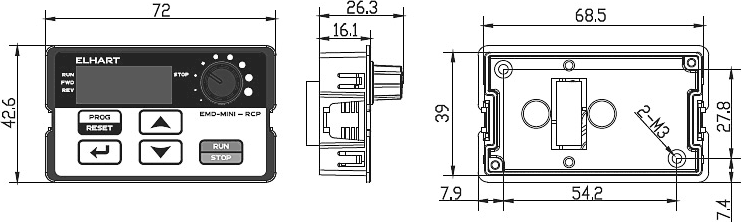
Габаритные размеры EMD-MINI — RCP, мм
Варианты монтажа выносных пультов управления ELHART серии EMD-MINI — RCP
|
Врезной монтаж |
Накладной монтаж |
![]() Врезной монтаж в панель толщиной 1,2 мм |
![]() |
Вы можете купить Частотный преобразователь ELHART серии EMD-MINI в компании БРИКО Автоматик г. Пермь +7(342)202-99-22
| Вариант |
EMD-MINI–004 S ELHART ,EMD-MINI–007 T ELHART ,EMD-MINI–007 S ELHART ,EMD-MINI–015 T ELHART ,EMD-MINI–015 S ELHART ,EMD-MINI–110 T ELHART ,EMD-MINI–022 T ELHART ,EMD-MINI–022 S ELHART ,EMD-MINI–037 T ELHART ,EMD-MINI–055 T ELHART ,EMD-MINI–075 T ELHART ,EMD-MINI–RCP ELHART |
|---|---|
| Бренд |














