Преобразователи частоты EI-7011 в исполнении IP54
Преобразователи частоты со степенью защиты IP54 предназначены для эксплуатации в условиях повышенной запыленности и возможного попадания на корпус воды в виде брызг.
Цена: по запросу
Модели:
- EI-7011-001H
- EI-7011-002H
- EI-7011-003H
- EI-7011-005H
- EI-7011-007H
- EI-7011-010H
- EI-7011-015H
- EI-7011-020H
- EI-7011-025H
- EI-7011-030H
- EI-7011-040H
Модели преобразователей в исполнении IP54 изготовлены на базе серийных преобразователей EI-7011 в металлических корпусах. Повышенная степень защиты обеспечена за счет герметичного исполнения электронного отсека преобразователей, а также использования герметичных кабельных вводов и пылевлагозащитных вентиляторов охлаждения. Совместимое дополнительное оборудование ПЧ в исполнении IP54 аналогично соответствующим моделям ПЧ в исполнении IP20.
Преобразователи частоты Веспер EI-7011 представляют собой универсальные частотные инверторы скалярного типа с прямым регулированием скорости вращения электродвигателя и возможностью автоматического поддержания технологического параметра посредством ПИД-регулятора. Благодаря высокой эффективности и бюджетной стоимости частотники Веспер серии EI-7011 нашли обширное применение в технических системах самого широкого назначения (эскалаторы, компрессоры, конвейерное оборудование и др.). Частотные преобразователи IP54 позволяют решать сложные технологические задачи, значительно снижать энергопотребление, обеспечивать безопасное управление электроприводом, что ведет к увеличению срока службы дорогостоящего оборудования и экономии денежных средств.
Технические характеристики
- Диапазон мощностей 37 кВт — 315 кВт.
- Полная защита двигателя.
- Встроенный ПИД-регулятор
- Управление по вольт-частотной характеристике U/F
- Язык команд пульта управления — русский
- Аналоговые и цифровые входы/выходы для регулирования и дистанционного управления
- Возможность дистанционного управления и мониторинга по RS-232/RS-485 (протокол MODBUS)
- Питание 380 В, 50 Гц
Преимущества частотных преобразователей Веспер EI-7011-IP54
- диапазон мощности (от 37 кВт до 315 кВт) среди преобразователей частоты общепромышленного назначения позволяет максимально эффективно выбрать требуемый частотник при минимальных затратах;
- исполнения в корпусах со степенью защиты IP54 позволяет использовать преобразователи EI-7011 в жестких условиях окружающей среды;
- наличие на панели управления дисплея и возможность выноса пульта на расстояние до 10 метров облегчают настройку преобразователя и контроль за работой электродвигателя.
Спецификация
| Модель преобразователя частоты EI-7011 | 001H | 002H | 003H | 005H | 007H | 010H | 015H | 020H | 025Н | 030H | 040H | ||||||||||||
|---|---|---|---|---|---|---|---|---|---|---|---|---|---|---|---|---|---|---|---|---|---|---|---|
| Номинальная выходная мощность (мощность применяемого электродвигателя), кВА | 1,1 | 1,5 | 2,2 | 3,7 | 5,5 | 7,5 | 11 | 15 | 18,5 | 22 | 30 | ||||||||||||
| Выходные параметры | |||||||||||||||||||||||
| Полная мощность преобразователя, кВА | 1 | 2 | 3 | 5 | 7,5 | 10 | 15 | 20 | 25 | 30 | 40 | ||||||||||||
| Номинальный выходной ток, А | 3,4 | 4,8 | 6,2 | 8 | 14 | 18 | 27 | 34 | 41 | 52 | 65 | ||||||||||||
| Максимальное выходное напряжение | Трехфазное 380 ~ 480 В (пропорционально входному напряжению) | ||||||||||||||||||||||
| Максимальная выходная частота | 400 Гц | ||||||||||||||||||||||
| Источник питания | |||||||||||||||||||||||
| Номинальное входное напряжение (частота) | Трехфазное 380 ~ 480 В (50/60 Гц) | ||||||||||||||||||||||
| Допустимые колебания входного напряжения (частоты) | +10%, -15% (±5%) | ||||||||||||||||||||||
| Характеристики цепи управления | |||||||||||||||||||||||
| Метод управления | Синусоидальная широтно-импульсная модуляция | ||||||||||||||||||||||
| Диапазон управления по частоте | от 0,1 до 400 Гц | ||||||||||||||||||||||
| Точность частотных режимов | Цифровая команда:±0,01% (от -10 С° до +40 С°) | ||||||||||||||||||||||
| Аналоговая команда:±0,1% (при 25 С° ±10 С°) | |||||||||||||||||||||||
| Разрешающая способность по частоте | Устанавливается уставкой константы в цифровой форме: 0,1 Гц | ||||||||||||||||||||||
| Устанавливается в аналоговой форме: 0,1 Гц | |||||||||||||||||||||||
| Разрешение по выходной частоте | 0,1 Гц | ||||||||||||||||||||||
| Запас по перегрузке | 150% от номинального выходного тока в течении 1 мин | ||||||||||||||||||||||
| Аналоговый вход задания частоты | 0…+10 В (20 кОм), 4…20 мА (250 Ом) | ||||||||||||||||||||||
| Время разгона/торможения | от 0,0 до 3600 с (по два значения) | ||||||||||||||||||||||
| Тормозящий крутящий момент | до 20% без тормозного резистора; до 100% — с внешним тормозным резистором | ||||||||||||||||||||||
| Тормозной прерыватель | Встроенный (для моделей 001Н — 020Н). Внешний (для моделей 025Н — 400Н) | ||||||||||||||||||||||
| Соотношение U/f | Пятнадцать фиксированных соотношений U/f; одно — программируемое без ограничения по напряжению; одно — программируемое с ограничением по напряжению | ||||||||||||||||||||||
| Защитные функции | |||||||||||||||||||||||
| Защита двигателя от перегрузки | Электронное тепловое реле | ||||||||||||||||||||||
| Мгновенная перегрузка по току | Немедленное отключение при токе 180% от номинального тока преобразователя | ||||||||||||||||||||||
| Перегрузка | Отключение через 1 минуту работы при токе 150% от номинального тока преобразователя | ||||||||||||||||||||||
| Перегрузка по напряжению | Отключение при напряжении на шине постоянного тока преобразователя более 820 В | ||||||||||||||||||||||
| Недостаточное напряжение | Отключение при напряжении на шине постоянного тока преобразователя менее 380В | ||||||||||||||||||||||
| Кратковременное отключение питания | Немедленное отключение при прекращении подачи питания на 15 мс и более Возможно возобновление управления после восстановления подачи питания при длительности провала не более 2 с (для моделей 001Н — 100Н). | ||||||||||||||||||||||
| Перегрев радиатора-теплоотвода | Защищен термистором | ||||||||||||||||||||||
| Предотвращение срыва при вращении | Предотвращение срыва во время разгона/торможения и вращения с постоянной скоростью | ||||||||||||||||||||||
| Защита от токов утечек | Защищен электронной цепью (нарушение баланса выходных токов) | ||||||||||||||||||||||
| Индикация заряда шины | Световой индикатор «Заряд» горит, пока напряжение шины не упадет ниже 50 В | ||||||||||||||||||||||
| Условия эксплуатации | Температура окружающей среды | от -10 С° до +40 С° (для моделей 001Н — 040Н) от -10 С° до +45 С° (для моделей 050Н — 400Н) | |||||||||||||||||||||
| Влажность | Относительная влажность не более 90% | ||||||||||||||||||||||
| Температура хранения | -20~+60°C | ||||||||||||||||||||||
| Окружающая среда | Внутри помещения, защищенного от коррозионных газов и пыли | ||||||||||||||||||||||
| Высотность | Не более 1000 м | ||||||||||||||||||||||
| Вибрация | До 20 Гц — 1g (9,81 м/с²); 20~50 Гц — 0,2g (1,96 м/с²) | ||||||||||||||||||||||
| Степень защиты оболочки | IP20 по ГОСТ 14254-96 IP54 (по отдельному заказу для моделей 050Н — 400Н) | ||||||||||||||||||||||
| Модель преобразователя частоты EI-7011 | 050H | 060H | 075H | 100H | 125H | 150H | 175H | 200H | 250H | 300H | 400H | ||||||||||||
|---|---|---|---|---|---|---|---|---|---|---|---|---|---|---|---|---|---|---|---|---|---|---|---|
| Номинальная выходная мощность (мощность применяемого электродвигателя), кВА | 37 | 45 | 55 | 75 | 93 | 110 | 132 | 160 | 185 | 220 | 315 | ||||||||||||
| Выходные параметры | |||||||||||||||||||||||
| Полная мощность преобразователя, кВА | 50 | 60 | 75 | 100 | 125 | 150 | 175 | 200 | 250 | 300 | 400 | ||||||||||||
| Номинальный выходной ток, А | 80 | 96 | 128 | 150 | 195 | 224 | 270 | 302 | 340 | 450 | 605 | ||||||||||||
| Максимальное выходное напряжение | Трехфазное 380 ~ 480 В (пропорционально входному напряжению) | ||||||||||||||||||||||
| Максимальная выходная частота | 400 Гц | ||||||||||||||||||||||
| Источник питания | |||||||||||||||||||||||
| Номинальное входное напряжение (частота) | Трехфазное 380 ~ 480 В (50/60 Гц) | ||||||||||||||||||||||
| Допустимые колебания входного напряжения (частоты) | +10%, -15% (±5%) | ||||||||||||||||||||||
| Характеристики цепи управления | |||||||||||||||||||||||
| Метод управления | Синусоидальная широтно-импульсная модуляция | ||||||||||||||||||||||
| Диапазон управления по частоте | от 0,1 до 400 Гц | ||||||||||||||||||||||
| Точность частотных режимов | Цифровая команда:±0,01% (от -10 С° до +40 С°) | ||||||||||||||||||||||
| Аналоговая команда:±0,1% (при 25 С° ±10 С°) | |||||||||||||||||||||||
| Разрешающая способность по частоте | Устанавливается уставкой константы в цифровой форме: 0,1 Гц | ||||||||||||||||||||||
| Устанавливается в аналоговой форме: 0,1 Гц | |||||||||||||||||||||||
| Разрешение по выходной частоте | 0,1 Гц | ||||||||||||||||||||||
| Запас по перегрузке | 150% от номинального выходного тока в течении 1 мин | ||||||||||||||||||||||
| Аналоговый вход задания частоты | 0…+10 В (20 кОм), 4…20 мА (250 Ом) | ||||||||||||||||||||||
| Время разгона/торможения | от 0,0 до 3600 с (по два значения) | ||||||||||||||||||||||
| Тормозящий крутящий момент | до 20% без тормозного резистора; до 100% — с внешним тормозным резистором | ||||||||||||||||||||||
| Тормозной прерыватель | Внешний | ||||||||||||||||||||||
| Соотношение U/f | Пятнадцать фиксированных соотношений U/f; одно — программируемое без ограничения по напряжению; одно — программируемое с ограничением по напряжению | ||||||||||||||||||||||
| Защитные функции | |||||||||||||||||||||||
| Защита двигателя от перегрузки | Электронное тепловое реле | ||||||||||||||||||||||
| Мгновенная перегрузка по току | Немедленное отключение при токе 180% от номинального тока преобразователя | ||||||||||||||||||||||
| Перегрузка | Отключение через 1 минуту работы при токе 150% от номинального тока преобразователя | ||||||||||||||||||||||
| Перегрузка по напряжению | Отключение при напряжении на шине постоянного тока преобразователя более 820 В | ||||||||||||||||||||||
| Недостаточное напряжение | Отключение при напряжении на шине постоянного тока преобразователя менее 380В | ||||||||||||||||||||||
| Кратковременное отключение питания | Немедленное отключение при прекращении подачи питания на 15 мс и более Возможно возобновление управления после восстановления подачи питания при длительности провала не более 2 с (для моделей 050Н — 100Н). | ||||||||||||||||||||||
| Перегрев радиатора-теплоотвода | Защищен термистором | ||||||||||||||||||||||
| Предотвращение срыва при вращении | Предотвращение срыва во время разгона/торможения и вращения с постоянной скоростью | ||||||||||||||||||||||
| Защита от токов утечек | Защищен электронной цепью (нарушение баланса выходных токов) | ||||||||||||||||||||||
| Индикация заряда шины | Световой индикатор «Заряд» горит, пока напряжение шины не упадет ниже 50 В | ||||||||||||||||||||||
| Условия эксплуатации | Температура окружающей среды | от -10 С° до +45 С° | |||||||||||||||||||||
| Влажность | Относительная влажность не более 90% | ||||||||||||||||||||||
| Температура хранения | -20~+60°C | ||||||||||||||||||||||
| Окружающая среда | Внутри помещения, защищенного от коррозионных газов и пыли | ||||||||||||||||||||||
| Высотность | Не более 1000 м | ||||||||||||||||||||||
| Вибрация | До 20 Гц — 1g (9,81 м/с²); 20~50 Гц — 0,2g (1,96 м/с²) | ||||||||||||||||||||||
| Степень защиты оболочки | IP54 по ГОСТ 14254-96 | ||||||||||||||||||||||
Весогабариты
|
EI-7011-380B IP54 |
Ширина, мм (без/в упаковке) |
Высота, мм (без/в упаковке) |
Глубина, мм (без/в упаковке) |
Масса, кг (без/в упаковке) |
|---|---|---|---|---|
| 050H-060H |
355/480 |
695/760 | 326/475 | 40/45 |
| 075H-100H | 395/525 | 810/865 | 326/480 | 49/54 |
| 125H-150H | 586/760 | 845/870 | 332/560 | 77/91 |
| 175H-200H | 704/890 | 1020/1040 | 332/570 | 97/118 |
| 250H-300H | 860/1080 | 1120/1180 | 411/610 | 152/168 |
| 400H | 975/1170 | 1120/1240 | 411/620 | 192/207 |
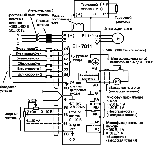
Схема подключения
Вы можете купить преобразователи частоты в Перми в компании БРИКО Автоматик.
Оставить заказ или получить консультацию можно любым способом, указанным в Контактах.
| Бренд |
|---|

