AD800P Частотный преобразователь для насосов и вентиляторов
Преобразователи частоты для насосов и вентиляторов
3-ф. 380В, 0.75~630кВт
Данная серия специально разработана для управления работой насосов и вентиляторов и имеет полный набор необходимых функций, таких как два ПИД-регулятора, спящий режим, каскадное управление несколькими насосами, очистка насоса, заполнение трубы, работа с обратным клапаном, обнаружение сухого хода, обнаружение потери обратной связи ПИД, обнаружение разрыва трубы,компенсация потерь на трение, прогрев обмоток и другие. Преобразователи частоты серии AD800P позволяют поддерживать различные технологические параметры (давление, температура, расход и т.д. различных сред).
Цена: по запросу
Преобразователи частоты для насосов и вентиляторов
3-ф. 380В, 0.75~630кВт
Данная серия специально разработана для управления работой насосов и вентиляторов и имеет полный набор необходимых функций, таких как два ПИД-регулятора, спящий режим, каскадное управление несколькими насосами, очистка насоса, заполнение трубы, работа с обратным клапаном, обнаружение сухого хода, обнаружение потери обратной связи ПИД, обнаружение разрыва трубы,компенсация потерь на трение, прогрев обмоток и другие. Преобразователи частоты серии AD800P позволяют поддерживать различные технологические параметры (давление, температура, расход и т.д. различных сред).
Преимуществами серии являются:
- Превосходное сочетание цена/функциональность;
- Высокое качество и надежность: комплектующие ведущих мировых производителей, новейшие схемотехнические решения и алгоритмы управления
- Векторное управление или V/F
- Перегрузочная способность 120% 60 сек, 175% 3 сек
- Встроенные специальные функции для управления двигателями насосов и вентиляторов
- Два ПИД-регулятора с переключением по сигналу на дискретном входе
- Два встроенных RS485 / Modbus: один для связи с контроллером верхнего уровня и один для связи с другими преобразователями частоты при каскадном режиме
- Съемный пульт
- Опциональный выносной пульт с ЖК-дисплеем и возможностью копирования, сохранения, восстановления настроек
- Встроенный дроссель шины постоянного тока (модели мощностью 37 кВт и выше)
- Встроенный фильтр ЭМС стандарта С3
- Модули расширения: коммуникационные модули, в т.ч. EtherCAT, Ethernet/IP, Modbus TCP, Profibus-DP, ProfiNet и CANopen (в разработке), модули входов/выходов
- Программное обеспечение для настройки преобразователей частоты, копирования параметров, мониторинга работы и обновления прошивки
- Подвод кабелей снизу
- Защитное покрытие плат 3C3
- 3 года гарантии
Специальные функции для управления двигателями насосов и вентиляторов:
- Управление одним насосом
В данном режиме ПЧ обеспечивает поддержание давления (расхода или другого контролируемого параметра) посредством управления только одним насосом. Схема подключения:
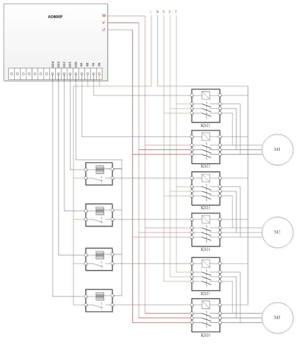
- Каскадное управление насосами с постоянным мастером
В этом режиме управления преобразователь частоты для поддержания давления или расхода может управлять до 7 дополнительными двигателями. ПЧ для поддержания давления (расхода) напрямую управляет двигателем 0 (M0) с использованием ПИД-регулятора, и по мере необходимости последовательно подключает(отключает) остальные двигатели к сети через контакторы. Схема подключения:
- Каскадное управление насосами с переменным мастером
В этом режиме под управлением ПЧ может работать до 3х двигателей (для расширения диапазона расхода или давления. После запуска, ПЧ для поддержания давления (расхода) управляет двигателем (M1) первого насоса с использованием ПИД-регулятора. Если его производительности недостаточно для обеспечения заданного давления (расхода), ПЧ переключает его на сеть через контактор, а сам начинает управлять двигателем (М2) второго насоса, и т.д.. При переизбытке производительности насосов, ПЧ последовательно начинает отключать насосы от сети. Алгоритм переключения насосов на сеть/отключения насосов от сети реализован таким образом, чтобы минимизировать скачки давления при переключении насосов.
Чередование насосов.
Функция чередования насосов по времени обеспечивает выравнивание наработки насосов и предотвращает их коррозию и заклинивание из-за длительного простоя.
Схема подключения показана ниже.
- Каскадное управление насосами с использованием нескольких преобразователей частоты, связанных по сети RS-485
В этом режиме для поддержания давления или расхода используется система, состоящая из одного ведущего и нескольких ведомых (от 1 до 4) преобразователей частоты. Ведущий ПЧ управляет двигателем для поддержания давления (расхода) с использованием ПИД-регулятора, и по мере необходимости запускает или отключает ведомые ПЧ. Двигатели, управляемые ведомыми ПЧ, выводятся на заданную максимальную частоту, поддержание давления (расхода) при этом осуществляется регулированием скорости двигателя, работающего от ведущего ПЧ. Имеется возможность назначить один из ведомых ПЧ резервным ведущим (на случай выхода из строя основного ведущего).
Схема подключения в данном режиме:
- Функция очистки насоса
Процесс очистки может быть запущен с дискретного входа, которому назначена данная функция, при этом насос будет запускаться заданное число раз в прямом и обратном направлении. Процесс очистки насоса показан на рисунке ниже:
- Пуск/останов насоса (при использовании обратного клапана)
Для предотвращения колебаний давления в системе, которые могут вызывать нестабильность в работе обратного клапана предусмотрена специальная рампа разгона и замедления, см. рис. ниже:
- Функция заполнения трубы
Преобразователь частоты оснащен функцией заполнения трубы, чтобы предотвратить возникновение гидроудара в трубах при слишком быстром заполнении системы. В случае активации данной функции, при первой команде запуска система переходит в режим заполнения трубы – насос работает на частоте заполнения трубы до тех пор, пока давления не достигнет заданного уровня (давление заполнения трубы) или пока не пройдет заданное время заполнения трубы. Как только одно из этих условий выполнится, система перейдет в режим автоматического регулирования давления.
- Функция обнаружения «сухого хода»
Состояние «сухого хода» возникает, когда крыльчатка насоса не полностью погружена в воду. Длительная работа всухую может привести к преждевременному износу крыльчатки насоса. Это может существенно сократить срок службы подшипников и уплотнений из-за высокого повышения температуры и плохой смазки.
Преобразователь частоты оснащен функцией обнаружения сухого хода, предотвращающей работу насоса в сухом состоянии. При включении данной функции, если в процессе работы давление и ток станут ниже заданных пороговых значений, при этом частота будет выше заданного порогового значения, ПЧ остановит двигатель насоса и выведет соответствующее сообщение на дисплей.
- Функция обнаружения избыточного давления
При включении данной функции, если давление, определяемое по датчику обратной связи превысит заданное пороговое значение в течение времени, превышающем 0,1 сек, ПЧ остановит насос и выведет на дисплей соответствующее сообщение.
- Функция обнаружения пониженного давления
При включении данной функции, если давление, определяемое по датчику обратной связи, будет оставаться ниже заданного порогового значения в течение заданного времени, а выходная частота и ток при этом будут выше заданных пороговых значений, ПЧ остановит насос и выведет на дисплей соответствующее сообщение.
- Функция обнаружения разрыва трубы
При включении данной функции, когда рабочая частота выше заданного порогового значения, а давление, определяемое по датчику обратной связи, ниже заданного уровня обнаружения разрыва трубы в течение заданного времени, ПЧ остановит насос и выведет на дисплей соответствующее сообщение.
- Компенсация потерь напора на трение в системе
Эта функция позволяет компенсировать потери напора путем изменения заданного значения давления. Это помогает поддерживать постоянное давление в точке разбора независимо от требуемого расхода, если датчик давления установлен вблизи насоса. Для работы данной функции необходима установка датчика расхода (расходомера). Взаимосвязь между расходом и соответствующим значением компенсации показана на рисунке ниже:
- Обнаружение потери обратной связи ПИД
- Прогрев обмоток двигателя
СПИСОК МОДЕЛЕЙ
|
Модель |
Напряжение питания, В | Мощность двигателя, кВт | Ток, А | Тормозной модуль | Фильтр ЭМС |
| AD800P-4TD75-PU0PCU0P | 380 | 0,75 | 2,3 | ✓ | ✓ |
| AD800P-4T1D5-PU0PCU0P | 380 | 1,5 | 3,8 | ✓ | ✓ |
| AD800P-4T2D2-PU0PCU0P | 380 | 2,2 | 5,3 | ✓ | ✓ |
| AD800P-4T4D0-PU0PCU0P | 380 | 4 | 9,6 | ✓ | ✓ |
| AD800P-4T5D5-PU0PCU0P | 380 | 5,5 | 13 | ✓ | ✓ |
| AD800P-4T7D5-PU0PCU0P | 380 | 7,5 | 17 | ✓ | ✓ |
| AD800P-4T011-PU0PCU0P | 380 | 11 | 25 | ✓ | ✓ |
| AD800P-4T015-PU0PCU0P | 380 | 15 | 32 | ✓ | ✓ |
| AD800P-4T18D-PU0PCU0P | 380 | 18,5 | 38 | ✓ | ✓ |
| AD800P-4T022-PU0PCU0P | 380 | 22 | 45 | ✓ | ✓ |
| AD800P-4T030-PU0PCU0P | 380 | 30 | 61 | — | ✓ |
| AD800P-4T037-PU0PCU0P | 380 | 37 | 75 | — | ✓ |
| AD800P-4T045-PU0PCU0P | 380 | 45 | 914 | — | ✓ |
| AD800P-4T055-PU0PCU0P | 380 | 55 | 112 | — | ✓ |
| AD800P-4T075-PU0PCU0P | 380 | 75 | 150 | — | ✓ |
| AD800P-4T090-PU0PCU0P | 380 | 90 | 180 | — | ✓ |
| AD800P-4T110-PU0PCU0P | 380 | 110 | 215 | — | ✓ |
| AD800P-4T132-PU0PCU0P | 380 | 132 | 216 | — | ✓ |
| AD800P-4T160-PU0PCU0P | 380 | 160 | 315 | — | ✓ |
| AD800P-4T185-PU0PCU0P | 380 | 185 | 365 | — | ✓ |
| AD800P-4T200-PU0PCU0P | 380 | 200 | 395 | — | ✓ |
| AD800P-4T220-PU0PCU0P | 380 | 220 | 435 | — | ✓ |
| AD800P-4T250-PU0PCU0P | 380 | 250 | 480 | — | ✓ |
| AD800P-4T280-PU0PCU0P | 380 | 280 | 540 | — | ✓ |
| AD800P-4T315-PU0PCU0P | 380 | 315 | 605 | — | ✓ |
| AD800P-4T355-PU0PCU0P | 380 | 355 | 660 | — | ✓ |
| AD800P-4T415-PU0PCU0P | 380 | 415 | 745 | — | ✓ |
| AD800P-4T450-PU0PCU0P | 380 | 450 | 805 | — | ✓ |
| AD800P-4T500-PU0PCU0P | 380 | 500 | 918 | — | ✓ |
| AD800P-4T560-PU0PCU0P | 380 | 560 | 1028 | — | ✓ |
| AD800P-4T630-PU0PCU0P | 380 | 630 | 1100 | — | ✓ |
| Бренд |
|---|







