AD800B Модульный преобразователь частоты
Модульная конструкция преобразователей Optimus Drive позволяет сконфигурировать ПЧ с минимальной ценой набора под конкретную задачу пользователя.
За основу берется силовой модуль AD800B-…-PU0B и, если требуется, устанавливается модуль управления (CU0B или CU00) и/или подключается выносной пульт управления. На преобразователях частоты AD800B-…-PU0BCU0B возможна замена установленного модуля управления CU0B на CU00.
Цена: по запросу
- Высокое качество и надежность: комплектующие ведущих мировых производителей, новейшие схемотехнические решения и алгоритмы управления
- Векторное управление или V/F
- Тяжелый / Легкий режимы
- Тормозной модуль до 22/30 кВт
- Модели с RS485 / Modbus
- Опциональный выносной пульт
- Встроенный фильтр ЭМС стандарта С3
- Программное обеспечение для настройки преобразователей частоты, копирования параметров, мониторинга работы и обновления прошивки
- Подвод кабелей снизу
- Защитное покрытие плат 3C3
- 3 года гарантии
Модельный ряд AD800B
| Напряжение питания (В) | Серия AD800B-…-PU0BCU0B | Ном. мощность (кВт) | Выходной ток (A) | Типо-размер | Размеры (мм) Ш*В*Г | Вес (кг) | |
| Тяжелый режим | Легкий режим | ||||||
| 3×380~440 | AD800B-4TD75H/1D5L-PU0BCU0B | 0,75/1,5 | 2,3 | 3,7 | D1 | 72*185*161 | 1,03 |
| AD800B-4T1D5H/2D2L-PU0BCU0B | 1,5/2,2 | 3,8 | 5,3 | 1,1 | |||
| AD800B-4T2D2H/4D0L-PU0BCU0B | 2,2/4,0 | 5,3 | 8,5 | 1,1 | |||
| AD800B-4T4D0H/5D5L-PU0BCU0B | 4,0/5,5 | 9,6 | 11,2 | D2 | 88*215*166 | 1,5 | |
| AD800B-4T5D5H/7D5L-PU0BCU0B | 5,5/7,5 | 13,0 | 15,5 | D3 | 100*250*171 | 2,04 | |
| AD800B-4T7D5H/011L-PU0BCU0B | 7,5/11 | 17,0 | 22,0 | 2,04 | |||
| AD800B-4T011H/015L-PU0BCU0B | 11/15 | 25,0 | 31,0 | D4 | 170*370*186 | 5,5 | |
| AD800B-4T015H/18DL-PU0BCU0B | 15/18,5 | 32,0 | 36,0 | 5,6 | |||
| AD800B-4T18DH/022L-PU0BCU0B | 18,5/22 | 38,0 | 42,5 | 5,7 | |||
| AD800B-4T022H/030L-PU0BCU0B | 22/30 | 45,0 | 56,0 | 5,8 | |||
| AD800B-4T030H/037L-PU0BCU0B | 30/37 | 61,0 | 71,0 | D5 | 280*490*245,5 | 16,4 | |
| AD800B-4T037H/045L-PU0BCU0B | 37/45 | 75,0 | 90,0 | 19,9 | |||
| AD800B-4T045H/055L-PU0BCU0B | 45/55 | 91,0 | 104 | 20,3 | |||
Технические характеристики
| Параметры | Значение | |
| Вход | Напряжение | 1 фаза 200~240 В -15%~+10%; 3 фазы 380~480 В -15%~+10% |
| Частота | 50/60 Гц±5% | |
| Дисбаланс | 3% | |
| Выход | Напряжение | 3 фазы, 0~100% входного напряжения |
| Частота | 0~590 Гц | |
| Управление | Метод управления | V/F, векторный |
| Пусковой момент | 0,5 Гц 150% | |
| Перегрузочная способность | Тяжелый режим: 150% 60 сек, 180% 3 сек Легкий режим: 120% 60 сек, 150% 3 сек | |
| Частота ШИМ | Модели 0,37~22/30 кВт: 2~16 кГц; модели ≥30/37 кВт: 2~8 кГц | |
| Разрешение по скорости | Дискретное: 0,1 Гц; аналоговое: 0,5% максимального значения | |
| Погрешность по скорости в откр. контуре скорости | ±0,5% номинальной скорости | |
| Источник команд | Пульт управления, дискретные входы, коммуникационная сеть | |
| Источник задания | Пульт управления, аналоговые входы, последовательная связь, фиксированные задания | |
| Сигнал обратной связи | Пульт управления, аналоговые входы, коммуникационная сеть | |
| Задание разгона / замедл. | 4 набора задания разгона / замедления; диапазон: 0,05-6000,00 сек | |
| Основные функции | Управление скоростью без обратной связи, работа по программе, автонастройка на двигатель, компенсация влияния нагрузки, автокорректировка напряжения на шине постоянного тока, торможение постоянным/ переменным током, ограничение скорости, ограничение тока/момента, подхват вращающейся нагрузки, функция dEb и т.д. | |
| Функции управления | Многоступенчатое управление скоростью с помощью сигналов на входах или функции ПЛК, S-образные кривые разгона / замедления, управление механическим тормозом, счетчик, ПИД-регулятор, толчковый режим (JOG) и т. д. | |
| Функции защиты | Короткое замыкание, неисправность заземления, потеря фазы, недостаточное напряжение, перенапряжение, перегрузка по току, перегрузка, перегрев, тепловая защита двигателя, потеря фазы двигателя, обрыв кабелей управления и др. | |
| Цепи управления (модели AD800B-…- PU0BCU0B) | Дискретные входы | 3 (NPN, 0~30 В, входное сопротивление 3,6 кОм), |
| Аналоговые входы | 2 (10 В / 20 мА) В режиме входа по напряжению: входной импеданс: 10 кΩ; входной диапазон напряжения: 0~10 В. В режиме входа по току: входной импеданс: ≤500 Ω; входной диапазон по току: 0~20 мA | |
| Дискретные выходы | 1 релейный выход (резистивная нагрузка: 250 В AC 3A / 30 В DC 3A; индуктивная нагрузка: 250 В AC 0,2A / 24 В DC 0,1A (cosφ=0,4)) | |
| Аналоговые выходы | 1 выход, 0~10 В (> 500Ω ) или 0~20 мА (< 500Ω) | |
| RS485 | 1 RS485/Modbus, максимальная скорость обмена 38400 бит/с | |
| Условия эксплуатации | Уровень защиты | IP20 |
| Рабочая температура | Рабочий диапазон: -10 ~ 60°C В тяжелом режиме: номинальный ток до 50°C, снижение от 50°C В легком режиме: номинальный ток до 40°C, снижение от 40°C | |
| Влажность | 5%-85% (без образования конденсата до 95%) | |
| Вибрации | 1,14g | |
| Высота установки | 1000 м, от 1000 м со снижением номинальных характеристик | |
| Длина моторного кабеля | Экранированный кабель: до 50 м; неэкранированный кабель: до 100 м | |
| Прочее | Тормозной модуль | Встроенный до мощности 22/30 кВт |
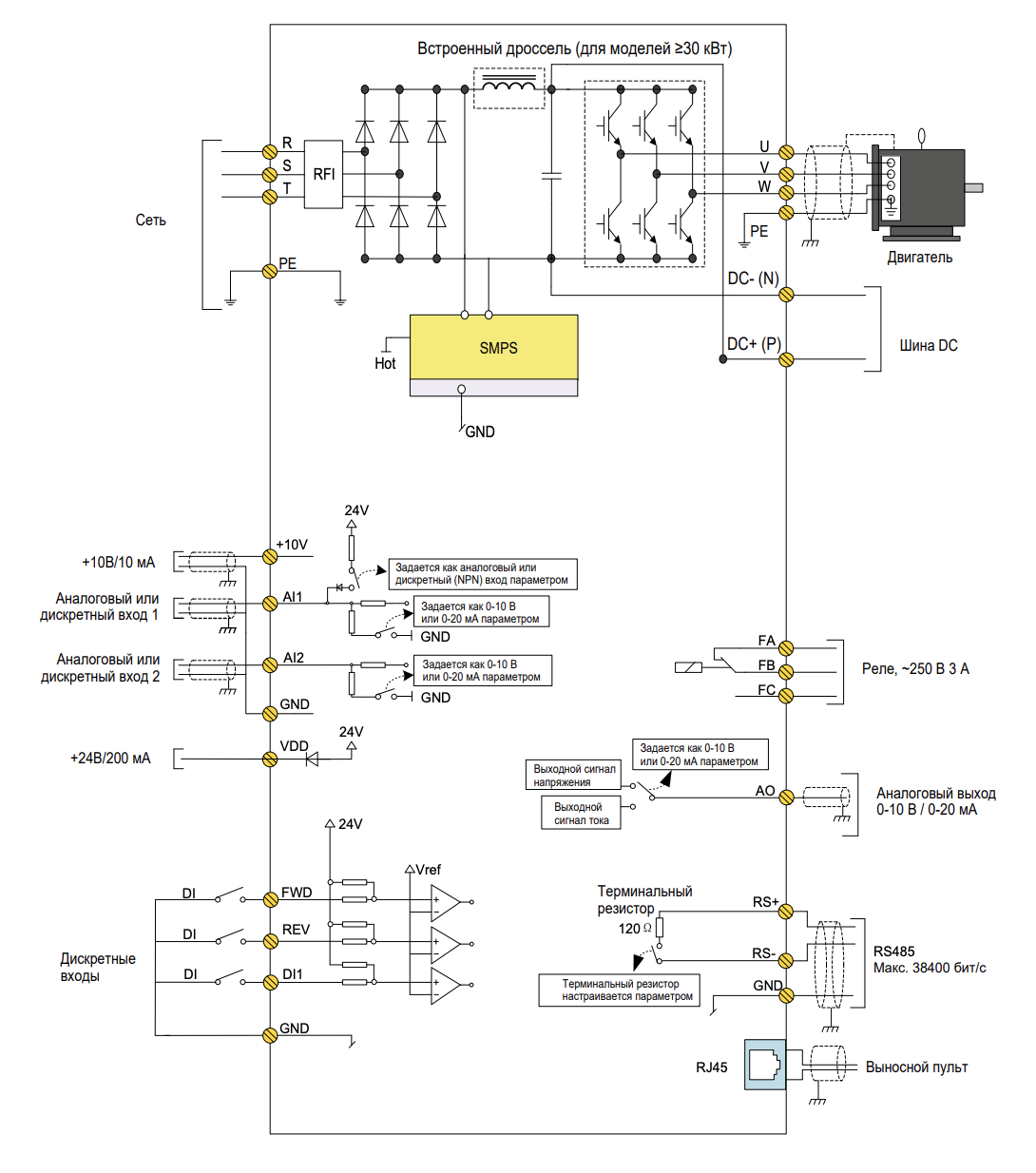
Схема подключения

Выносной пульт
| Код | Совместимость | Характеристики | Вид | |
| Пульт | KP01 |
● Силовые модули: AD800B-…-PU0B AD800-…-PU00 AD800-…-PU01 ● ПЧ: AD800B-…-PU0BCU0B AD800-…-PU00CU00 AD800-…-PU00CU0H |
● LED-дисплей, 5 разрядов ● 6 кнопок ● Встроенный потенциометр ● Кабель 1 м для подключения к силовым модулям. Возможен заказ кабеля 2 м (код заказа IDC10-2) и 3 м (IDC10-3) При использовании пульта с ПЧ AD800B-…- PU0BCU0B и AD800-…-PU00CU00 необходим заказ кабеля RJ45-х (где x – это длина 2, 3, 5, 10 м). Примечание: Доступен для заказа кронштейн SUPPORT-1 для крепления пульта KP01 на дверце. |
![]() |
| Аксессуары для ПЧ Optimus | Артикул |
| CU00, модуль управления с LED дисплеем для AD800 и AD800B с доп. функциями | CU00 |
| IDC10-2, плоский кабель 2м (PU — KP) | IDC10-2 |
| KP01, пульт с LED дисплеем и плоским 10-pin кабелем 1,0м | KP01 |
| RJ45-10, кабель с разъемами RJ-45 10м (PU — KP) | RJ45-10 |
| RJ45-2, кабель с разъемами RJ-45 2м (PU — KP) | RJ45-2 |
| RJ45-3, кабель с разъемами RJ-45 3м (PU — KP) | RJ45-3 |
| RJ45-5, кабель с разъемами RJ-45 5м (PU — KP) | RJ45-5 |
| SUPPORT-1, кронштейн для крепления пульта KP01 на дверце шкафа | SUPPORT-1 |
Тормозные резисторы
| Серия | Совместимость | Характеристики | Вид |
| RXLG |
● Силовые модули: AD800B-…-PU0B AD800-…-PU01 AD800-…-PU00 ● ПЧ: AD80-… AD800B-…-PU0BCU0B AD800-…-PU00CU00 AD800-…-PU00CU0H |
● Диапазон мощностей: от 60 Вт до 3 кВт ● Диапазон сопротивлений: от 2 до 800 Ом ● Алюминиевый корпус |
![]() |
| RXHG |
● Диапазон мощностей: от 50 Вт до 4 кВт ● Диапазон сопротивлений: от 2 до 800 Ом ● Керамический корпус |
![]() |
| Наименование | Артикул |
| RXHG1.5KW35RJ Тормозной резистор 1,5кВт 35 Ом | RXHG1.5KW35RJ |
| RXHG1.5KW75RJ Тормозной резистор 1,5кВт 75 Ом | RXHG1.5KW75RJ |
| RXHG1KW75RJ Тормозной резистор 1кВт 75 Ом | RXHG1KW75RJ |
| RXHG2.5KW25RJ Тормозной резистор 2,5кВт 25 Ом | RXHG2.5KW25RJ |
| RXHG3.0KW40RJ Тормозной резистор 3,0кВт 40 Ом | RXHG3.0KW40RJ |
| RXHG3.0KW50RJ Тормозной резистор 3,0кВт 50 Ом | RXHG3.0KW50RJ |
| Наименование | Артикул |
| RXLG1.2KW15RJ Тормозной резистор 1,2кВт 15 Ом | RXLG1.2KW15RJ |
| RXLG1.2KW3.9RJ Тормозной резистор 1,2кВт 3,9 Ом | RXLG1.2KW3.9RJ |
| RXLG1.2KW6.8RJ Тормозной резистор 1,2кВт 6,8 Ом | RXLG1.2KW6.8RJ |
| RXLG1.2KW8RJ Тормозной резистор 1,2кВт 8 Ом | RXLG1.2KW8RJ |
| RXLG1.5KW12RJ Тормозной резистор 1,5кВт 12 Ом | RXLG1.5KW12RJ |
| RXLG1.5KW13RJ Тормозной резистор 1,5кВт 13 Ом | RXLG1.5KW13RJ |
| RXLG1.5KW3.3RJ Тормозной резистор 1,5кВт 3,3 Ом | RXLG1.5KW3.3RJ |
| RXLG1.5KW40RJ Тормозной резистор 1,5кВт 40 Ом | RXLG1.5KW40RJ |
| RXLG1.5KW43RJ Тормозной резистор 1,5кВт 43 Ом | RXLG1.5KW43RJ |
| RXLG1.5KW5RJ Тормозной резистор 1,5кВт 5 Ом | RXLG1.5KW5RJ |
| RXLG1.5KW75RJ Тормозной резистор 1,5кВт 75 Ом | RXLG1.5KW75RJ |
| RXLG1KW16RJ Тормозной резистор 1кВт 16 Ом | RXLG1KW16RJ |
| RXLG1KW20RJ Тормозной резистор 1кВт 20 Ом | RXLG1KW20RJ |
| RXLG1KW4.3RJ Тормозной резистор 1кВт 4,3 Ом | RXLG1KW4.3RJ |
| RXLG1KW5.1RJ Тормозной резистор 1кВт 5,1 Ом | RXLG1KW5.1RJ |
| RXLG1KW50RJ Тормозной резистор 1кВт 50 Ом | RXLG1KW50RJ |
| RXLG1KW75RJ Тормозной резистор 1кВт 75 Ом | RXLG1KW75RJ |
| RXLG2.0KW18RJ Тормозной резистор 2,0кВт 18 Ом | RXLG2.0KW18RJ |
| RXLG2.0KW50RJ Тормозной резистор 2,0кВт 50 Ом | RXLG2.0KW50RJ |
| RXLG200W250RJ Тормозной резистор 200Вт 250 Ом | RXLG200W250RJ |
| RXLG200W360RJ Тормозной резистор 200Вт 360 Ом | RXLG200W360RJ |
| RXLG200W91RJ Тормозной резистор 200Вт 91 Ом | RXLG200W91RJ |
| RXLG3.0KW50RJ Тормозной резистор 3,0кВт 50 Ом | RXLG3.0KW50RJ |
| RXLG300W100RJ Тормозной резистор 300Вт 100 Ом | RXLG300W100RJ |
| RXLG300W110RJ Тормозной резистор 300Вт 110 Ом | RXLG300W110RJ |
| RXLG300W250RJ Тормозной резистор 300Вт 250 Ом | RXLG300W250RJ |
| RXLG300W400RJ Тормозной резистор 300Вт 400 Ом | RXLG300W400RJ |
| RXLG300W70RJ Тормозной резистор 300Вт 70 Ом | RXLG300W70RJ |
| RXLG400W150RJ Тормозной резистор 400Вт 150 Ом | RXLG400W150RJ |
| RXLG400W40RJ Тормозной резистор 400Вт 40 Ом | RXLG400W40RJ |
| RXLG500W100RJ Тормозной резистор 500Вт 100 Ом | RXLG500W100RJ |
| RXLG500W30RJ Тормозной резистор 500Вт 30 Ом | RXLG500W30RJ |
| RXLG80W200RJ Тормозной резистор 80Вт 200 Ом | RXLG80W200RJ |
| RXLG80W750RJ Тормозной резистор 80Вт 750 Ом | RXLG80W750RJ |
| RXLG Спец я для лифтов, Наименование | Артикул |
| RXLG1.5KW43RJC Тормозной резистор 1,5 кВт 43 Ом c кабельными выводами 1,5 м. | RXLG1.5KW43RJC |
| RXLG1KW16RJС Тормозной резистор 1,0 кВт 16 Ом c кабельными выводами 1,5 м. | RXLG1KW16RJC |
| RXLG2KW50RJC Тормозной резистор 2,0 кВт 50 Ом c кабельными выводами 1,5 м. | RXLG2KW50RJC |
| RXLG3KW50RJC Тормозной резистор 3,0 кВт 50 Ом c кабельными выводами 1,5 м. | RXLG3KW50RJC |
Тормозные модули
| Серия | Совместимость | Характеристики | Вид |
| CDBR |
● Силовые модули свыше 22/30 кВт: AD800B-…-PU0B AD800-…-PU01 AD800-…-PU00 ● ПЧ свыше 22/30 кВт: AD800B-…-PU0BCU0B AD800-…-PU00CU00 AD800-…-PU00CU0H |
● Модельный ряд: для преобразователей частоты мощностью от 30 до 315 кВт. ● Реализуемый метод торможения: автоматическое отслеживание напряжения на шине DC ● Встроенная защита: перегрев, превышение тока, короткое замыкание ● Снижение помех: встроенное ● Уровень защиты: IP00 |
![]() |
| Наименование | Артикул |
| CDBR-4030 Тормозной модуль | CDBR-4030 |
| CDBR-4045 Тормозной модуль | CDBR-4045 |
| CDBR-4055 Тормозной модуль | CDBR-4055 |
| CDBR-4075M Тормозной модуль | CDBR-4075M |
| CDBR-4110 Тормозной модуль до 110кВт | CDBR-4110 |
| CDBR-4160 Тормозной модуль 132-160кВт | CDBR-4160 |
| CDBR-4220 Тормозной модуль 185-220кВт | CDBR-4220 |
| CDBR-4300 Тормозной модуль 250-315кВт | CDBR-4300 |
Сетевые дроссели
| Серия | Описание | Вид |
| YBACL | Сетевой дроссель необходим, если мощность источника питания преобразователя более 500кВА и превышает по мощности в 6 и более раз мощность ПЧ, или длина кабеля между источником питания и преобразователем частоты менее 10 м. | ![]() |
| Наименование | Артикул |
| YBACL-110A-EISA-0.127mH сетевой дроссель | YBACL-110A-EISA-0.127mH |
| YBACL-150A-EISA-0.0934mH сетевой дроссель | YBACL-150A-EISA-0.0934mH |
| YBACL-15A-EISA-0.93mH сетевой дроссель | YBACL-15A-EISA-0.93mH |
| YBACL-200A-EISA-0.07mH сетевой дроссель | YBACL-200A-EISA-0.07mH |
| YBACL-20A-EISA-0.7mH сетевой дроссель | YBACL-20A-EISA-0.7mH |
| YBACL-250A-EISA-0.056mH сетевой дроссель | YBACL-250A-EISA-0.056mH |
| YBACL-300A-EISA-0.0467mH сетевой дроссель | YBACL-300A-EISA-0.0467mH |
| YBACL-30A-EISA-0.465mH сетевой дроссель | YBACL-30A-EISA-0.465mH |
| YBACL-350A-EISA-0.04mH сетевой дроссель | YBACL-350A-EISA-0.04mH |
| YBACL-35A-EISA-0.4mH сетевой дроссель | YBACL-35A-EISA-0.4mH |
| YBACL-3A-EISA-4.67mH сетевой дроссель | YBACL-3A-EISA-4.67mH |
| YBACL-400A-EISA-0.035mH сетевой дроссель | YBACL-400A-EISA-0.035mH |
| YBACL-40A-EISA-0.35mH сетевой дроссель | YBACL-40A-EISA-0.35mH |
| YBACL-4A-EISA-3.5mH сетевой дроссель | YBACL-4A-EISA-3.5mH |
| YBACL-500A-EISA-0.028mH сетевой дроссель | YBACL-500A-EISA-0.028mH |
| YBACL-50A-EISA-0.28mH сетевой дроссель | YBACL-50A-EISA-0.28mH |
| YBACL-560A-EISA-0.025mH сетевой дроссель | YBACL-560A-EISA-0.025mH |
| YBACL-5A-EISA-2.8mH сетевой дроссель | YBACL-5A-EISA-2.8mH |
| YBACL-600A-EISA-0.023mH сетевой дроссель | YBACL-600A-EISA-0.023mH |
| YBACL-60A-EISA-0.234mH сетевой дроссель | YBACL-60A-EISA-0.234mH |
| YBACL-630A-EISA-0.0222mH сетевой дроссель | YBACL-630A-EISA-0.0222mH |
| YBACL-750A-EISA-0.019mH сетевой дроссель | YBACL-750A-EISA-0.019mH |
| YBACL-800A-EISA-0.0175mH сетевой дроссель | YBACL-800A-EISA-0.0175mH |
| YBACL-80A-EISA-0.175mH сетевой дроссель | YBACL-80A-EISA-0.175mH |
| YBACL-8A-EISA-1.75mH сетевой дроссель | YBACL-8A-EISA-1.75mH |
| YBACL-90A-EISA-0.157mH сетевой дроссель | YBACL-90A-EISA-0.157mH |
Моторные дроссели
| Серия | Описание | Вид |
| YBOCL |
Трехфазные моторные дроссели устанавливаются на выходе ПЧ и обеспечивают: • подавление высокочастотных гармоник в токе двигателя, которые вызывают дополнительный нагрев двигателя; • ограничение амплитуды тока короткого замыкания; • ограничение скорости нарастания аварийных токов короткого замыкания и задержка момента достижения максимума тока короткого замыкания; • компенсацию емкостных токов утечки длинных моторных кабелей и снижение выбросов напряжения на обмотках двигателя |
![]() |
| Наименование | Артикул |
| YBOCL-110A-EISA-0.0635mH моторный дроссель | YBOCL-110A-EISA-0.0635mH |
| YBOCL-150A-EISA-0.0467mH моторный дроссель | YBOCL-150A-EISA-0.0467mH |
| YBOCL-15A-EISA-0.467mH моторный дроссель | YBOCL-15A-EISA-0.467mH |
| YBOCL-200A-EISA-0.035mH моторный дроссель | YBOCL-200A-EISA-0.035mH |
| YBOCL-20A-EISA-0.352mH моторный дроссель | YBOCL-20A-EISA-0.352mH |
| YBOCL-250A-EISA-0.028mH моторный дроссель | YBOCL-250A-EISA-0.028mH |
| YBOCL-300A-EISA-0.0234mH моторный дроссель | YBOCL-300A-EISA-0.0234mH |
| YBOCL-30A-EISA-0.234mH моторный дроссель | YBOCL-30A-EISA-0.234mH |
| YBOCL-350A-EISA-0.02mH моторный дроссель | YBOCL-350A-EISA-0.02mH |
| YBOCL-35A-EISA-0.2mH моторный дроссель | YBOCL-35A-EISA-0.2mH |
| YBOCL-3A-EISA-2.335mH моторный дроссель | YBOCL-3A-EISA-2.335mH |
| YBOCL-400A-EISA-0.0175mH моторный дроссель | YBOCL-400A-EISA-0.0175mH |
| YBOCL-40A-EISA-0.175mH моторный дроссель | YBOCL-40A-EISA-0.175mH |
| YBOCL-4A-EISA-1.75mH моторный дроссель | YBOCL-4A-EISA-1.75mH |
| YBOCL-500A-EISA-0.014mH моторный дроссель | YBOCL-500A-EISA-0.014mH |
| YBOCL-50A-EISA-0.14mH моторный дроссель | YBOCL-50A-EISA-0.14mH |
| YBOCL-560A-EISA-0.0125mH моторный дроссель | YBOCL-560A-EISA-0.0125mH |
| YBOCL-5A-EISA-1.4mH моторный дроссель | YBOCL-5A-EISA-1.4mH |
| YBOCL-600A-EISA-0.01153mH моторный дроссель | YBOCL-600A-EISA-0.01153mH |
| YBOCL-60A-EISA-0.117mH моторный дроссель | YBOCL-60A-EISA-0.117mH |
| YBOCL-630A-EISA-0.0111mH моторный дроссель | YBOCL-630A-EISA-0.0111mH |
| YBOCL-750A-EISA-0.0095mH моторный дроссель | YBOCL-750A-EISA-0.0095mH |
| YBOCL-800A-EISA-0.0088mH моторный дроссель | YBOCL-800A-EISA-0.0088mH |
| YBOCL-80A-EISA-0.088mH моторный дроссель | YBOCL-80A-EISA-0.088mH |
| YBOCL-8A-EISA-0.875mH моторный дроссель | YBOCL-8A-EISA-0.875mH |
| YBOCL-90A-EISA-0.078mH моторный дроссель | YBOCL-90A-EISA-0.078mH |
| Бренд |
|---|







