Взрывозащищенная запальная пилотная горелка ЗСУ-ПИ-Exd
Для дистанционного розжига горелок нефтехимических печей, агрегатов, работающих на газообразном или жидком топливе.
Цена: по запросу
Исполнение-00 встроенный электрод розжига и контроля пламени,взрывозащищенная клеммная колодка и гермовводы.
Исполнение-01 встроенный электрод розжига и контроля пламени,взрывозащищенная клеммная колодка и гермовводы, встроенный трансформатор розжига.
Исполнение-02 встроенный электрод розжига и контроля пламени,взрывозащищенная клеммная колодка и гермовводы, встроенный трансформатор розжига, сигнализатор горения.
- Варианты кабельных вводов: под небронированный кабель / под бронированный кабель / под трубный ввод
- Степень взрывозащиты – взрывонепроницаемая оболочка
- Маркировка взрывозащиты – 1ExdIIBT4
Основные технические характеристики ЗСУ-ПИ-Exd
| Присоединительные давления газа на входе горелку, кПа | 3-100 |
| Тепловая мощность при работе на природном газе, не более кВт | 110 |
| Длина факела горелки, не менее м | 0,8 |
| Максимально допустимая температура в зоне рабочего торца, °С | 600 / 1100 |
| Допустимые колебания напряжения от источника высокого напряжения, В | от 6000 до 12000 |
| Габаритные размеры: высота х ширина, не более мм ЗСУ-ПИ-Exd-00 ЗСУ-ПИ-Exd-01 ЗСУ-ПИ-Exd-02 длина погружной части запальника диаметр ствола |
220 х 140 370×140 485×140 250,500÷5000 (шаг 500) Ø45 |
| Масса запальной горелки длиной, не более кг: ЗСУ-ПИ-Exd-00 — 250 ÷ — 5000 |
8 ÷ 40 |
| ЗСУ-ПИ-Exd-01 — 250 ÷ — 5000 | 9 ÷ 41 |
| ЗСУ-ПИ-Exd-02 — 250 ÷ — 5000 | 10 ÷ 42 |
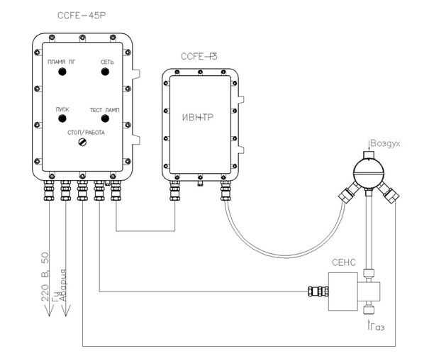
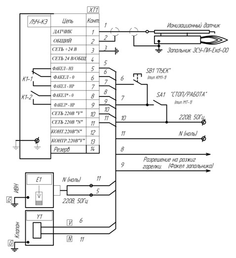
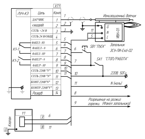
Схема внешних подключений
![]() |
|
![]() |
схема управления розжигом запальников ЗСУ-ПИ-Exd-00; ИВН и контроль факела запальника ЛУЧ-КЭ — внешние |
![]() |
схема управления розжигом запальников ЗСУ-ПИ-Exd-01 со встроенным ИВН; контроль факела запальника ЛУЧ-КЭ — внешний |
![]() |
схема управления розжигом запальников ЗСУ-ПИ-Exd-02; ИВН и плата сигнализации наличия / отсутствия пламени запальника — встроенные |
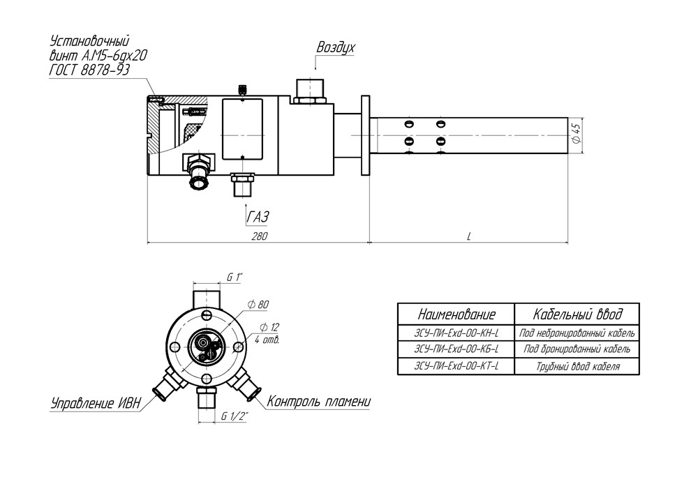
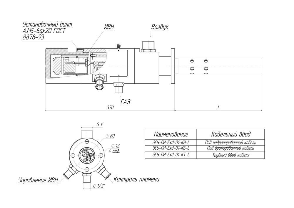
Габаритные и установочные размеры
- Исполнение-00
- Исполнение-01
- Исполнение-02
| Вариант |
ЗСУ-ПИ-Exd – Исполнение-00 ,ЗСУ-ПИ-Exd – Исполнение-01 ,ЗСУ-ПИ-Exd – Исполнение-02 |
|---|







