Векторные преобразователи частоты малой мощности E5-8200
Векторный преобразователь серии Е5-8200 является продолжением самой популярной серии Е2- 8300, совмещает в себе его возможности и цены серии Е2-MINI.
Цена: по запросу
Отправьте заявку
0
людей смотрят этот товар прямо сейчас
Модели:
- E5-8200-F-SP25L
- E5-8200-F-SP5L
- E5-8200-F-S1L
- E5-8200-F-S2L
- E5-8200-F-S3L
- E5-8200-F-001H
- E5-8200-F-002H
- E5-8200-F-003H
- E5-8200-F-005H
- E5-8200-F-007H
- E5-8200-F-010H
- E5-8200-F-015H
Технические характеристики
- ~1ф 200 … 240 В; 0,2 … 2,2 кВт
- ~3ф 380 … 480 В; 0,75 … 11 кВт
- Выходная частота до 600 Гц
- U/f и векторное управление
- Степень защиты IP20
- Компактное исполнение
- Термозащита двигателя (датчик РТС)
- ПИД-регулятор
- Режим сна
- Встроенный ЭМИ фильтр класса А
Преимущества частотных преобразователей Веспер Е5-8200
- Возможность подключения датчика температуры (РТС) электродвигателя. Позволяет применить дополнительный уровень защиты электродвигателя от перегрева совместно с традиционной функцией «Электронного теплового реле» защиты электродвигателя. Программно можно настроить пороги срабатывания и отключения защиты.
- Встроенный интерфейс RS-485 с поддержкой протоколов Modbus, BACnet.
- Добавлен режим автоматической работы по заранее запрограммированному алгоритму.
- Улучшен сервис режима фиксированных скоростей — для каждой фиксированной скорости присвоены свои параметры времени разгона/замедления.
- Выбор (программно) исходного состояния дискретных входов и выходов: но/нз.
- Добавлен режим автоматической регулировки выходного напряжения.
- Встроенный ПИД-регулятор с функцией спящего режима.
Спецификация
| Модель преобразователя частоты E5-8200-F | SP25L | SP5L | S1L | S2L | S3L | 001H | 002Н | 003Н | 005Н | 007Н | 010Н | 015Н | |
|---|---|---|---|---|---|---|---|---|---|---|---|---|---|
| Выходные параметры | Полная выходная мощность, кВА | 0,25 | 0,5 | 1,0 | 2,0 | 3,0 | 1 | 2 | 3 | 5 | 7,5 | 10 | 15 |
| Максимальная мощность применяемого электродвигателя, кВт | 0,2 | 0,4 | 0,75 | 1,5 | 2,2 | 0,75 | 1,5 | 2,2 | 3,7 | 5,5 | 7,5 | 11 | |
| Номинальный выходной ток, А | 1,8 | 2,6 | 4,3 | 7,5 | 10,5 | 2,3 | 3,8 | 5,2 | 9,2 | 13,0 | 17,5 | 24 | |
| Максимальное выходное напряжение, В | Трехфазное 200 ~ 240 (пропорционально входному напряжению) | Трехфазное 380 ~ 480 (пропорционально входному напряжению) |
|||||||||||
| Диапазон выходной частоты, Гц | 0,01 ~ 599,00 | ||||||||||||
| Источник питания | Номинальное входное напряжение, частота | 1ф, 200~240 В, 50/60 Гц | 3ф, 380~480 В, 50/60 Гц | ||||||||||
| Допустимые колебания входного напряжения | -15% ~ +15% | ||||||||||||
| Допустимые колебания частоты | ± 5% | ||||||||||||
| Характеристики управления | Режимы управления | Скалярный (U/f) Векторный (без обратной связи) | |||||||||||
| Пусковой момент | Скалярный режим: 100% (3 Гц) Векторный режим: 150% (3 Гц) | ||||||||||||
| Точность по скорости | Скалярный режим: 3% Векторный режим: ± 0,5% | ||||||||||||
| Диапазон регулирования по скорости |
Скалярный режим: 1 : 40 Векторный режим: 1 : 50 | ||||||||||||
| Разрешение установки частоты | Цифровое задание: 0,01 Гц, аналоговое задание: 0,05Гц/50Гц | ||||||||||||
| Разрешение выходной частоты | 0,01 Гц | ||||||||||||
| Задание частоты | Кнопки/потенциометр пульта управления Аналоговые входы AVI (0/2~10В), ACI (0/4~20 мА) Дискретные входы БОЛЬШЕ/МЕНЬШЕ Линия интерфейсной связи | ||||||||||||
| Управление | Кнопки ПУСК/СТОП пульта управления Дискретные входы |
||||||||||||
| Время разгона/торможения | 0,1 ~ 3600,0 с | ||||||||||||
| Характеристика U/f | 6 фиксированных характеристик 1 пользовательская характеристика | ||||||||||||
| Тормозной момент | До 20% (без внешнего тормозного резистора) До 120% (с внешним тормозным резистором) |
||||||||||||
| Несущая частота ШИМ | 1~16 кГц | ||||||||||||
| Другие функции | Определение перегрузки, 8 фиксированных скоростей, автоматический ПУСК, выбор времени разгона/торможения 1 и 2, выбор основных и дополнительных команд пуск/стоп и задания частоты, ПИД-регулирование, увеличение момента, задание стартовой частоты, сброс ошибок | ||||||||||||
| Защитные функции | Предотвращение срыва | Регулируемый уровень предотвращения срыва при разгоне, работе на постоянной скорости и при торможении, с возможностью отключения | |||||||||||
| Мгновенная защита по току | 180% номинального тока ПЧ | ||||||||||||
| Защита преобразователя от перегрузки | 150% номинального тока ПЧ в течение 1 мин | ||||||||||||
| Защита двигателя от перегрузки | Электронная защита | ||||||||||||
| Защита от повышенного напряжения | Отключение выхода при напряжении на шине ПТ более 410В (класс 220В) и 820В (класс 380В) | ||||||||||||
| Защита от пониженного напряжения | Отключение выхода при напряжении на шине ПТ менее 190В (класс 220В) и380В (класс 380В) | ||||||||||||
| Автоперезапуск после провалов питания | Автоматический пуск преобразователя после восстановления питания | ||||||||||||
| Защита от перегрева | Электронная аппаратная защита | ||||||||||||
| Защита от неисправности заземления | Электронная аппаратная защита | ||||||||||||
| Дополнительные защитные функции | Снижение несущей частоты с повышением температуры радиатора, ошибка выхода, запрет обратного вращения, количество попыток автоматического перезапуска, ограничение доступа к параметрам, защита двигателя от превышения температуры (датчик РТС). | ||||||||||||
| Окружающая среда | Степень защиты | IP20 | |||||||||||
| Температура эксплуатации | -10~50°C (модели c вентилятором; 3,7 … 11 кВт) -10~40°C (модели без вентилятора; 0,2 … 2,2 кВт) | ||||||||||||
| Температура хранения | -20~60°C | ||||||||||||
| Относительная влажность | Не более 95% (без образования конденсата) | ||||||||||||
| Высотность | До 1000 м | ||||||||||||
| Вибрация | До 20 Гц — 1g (9,8 м/с²); 20~50 Гц — 0,6g (5,9 м/с²) | ||||||||||||
| Коммуникационные функции | Встроенный RS-485 (RJ45). Протокол: Modbus RTU; Modbus ASCII; BACnet | ||||||||||||
| Защита от электромагнитных помех | Встроенный ЭМИ-фильтр (опция) | ||||||||||||
Весогабариты
| Е5-8200-220В 380В | Ширина, мм (без/в упаковке) |
Высота, мм (без/в упаковке) |
Глубина, мм (без/в упаковке) |
Масса, кг (без/в упаковке) |
|
|---|---|---|---|---|---|
| SP25L, SP5L, S1L | — | 72/120 | 141/195 | 141/194 | 1,0/1,2 |
| S2L, S3L | 001H, 002H, 003H | 118/165 | 144/175 | 150/184 | 1,5/1,7 |
| — | 005H, 007H | 129/176 | 197/245 | 148/190 | 2,4/2,5 |
| — | 010H, 015H | 187/295 | 273/420 | 190/335 | 6,3/7,0 |
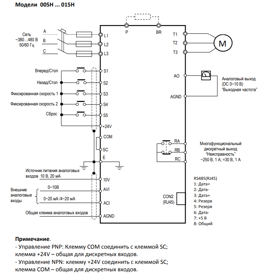
Схема подключения
Вы можете купить векторные преобразователи частоты в Перми в компании БРИКО Автоматик.
Оставить заказ или получить консультацию можно любым способом, указанным в Контактах.
| Бренд |
|---|



