Преобразователи векторного типа EI-9011
Эффективный частотный преобразователь для крана, лифта, производственных линий и прочего оборудования, для которого характерны увеличенные переменные нагрузки при высокой точности поддержания заданной скорости вращения в моменты запуска и остановки. Устройство Веспер EI-9011 векторного типа дает возможность гибкого управления скоростью вращения, управления моментом, позволяя добиться максимального раскрытия потенциала электродвигателя и его надежную защиту.
Цена: по запросу
Модели:
- EI-9011-001H
- EI-9011-002H
- EI-9011-003H
- EI-9011-005H
- EI-9011-007H
- EI-9011-010H
- EI-9011-015H
- EI-9011-020H
- EI-9011-025H
- EI-9011-030H
- EI-9011-040H
- EI-9011-050H
- EI-9011-060H
- EI-9011-075H
- EI-9011-100H
- EI-9011-125H
- EI-9011-150H
- EI-9011-175H
- EI-9011-200H
- EI-9011-250H
- EI-9011-300H
- EI-9011-400H
- EI-9011-500H
- EI-9011-600H
Эффективный частотный преобразователь для крана, лифта, производственных линий и прочего оборудования, для которого характерны увеличенные переменные нагрузки при высокой точности поддержания заданной скорости вращения в моменты запуска и остановки. Устройство Веспер EI-9011 векторного типа дает возможность гибкого управления скоростью вращения, управления моментом, позволяя добиться максимального раскрытия потенциала электродвигателя и его надежную защиту.
Инновационное решение Веспер EI-9011 обеспечивает целый ряд преимуществ:
- Максимальное использование возможностей частотно-регулируемого электропривода при “векторном режиме управления в замкнутой системе”
- Высокая точность регулировки частоты вращения электродвигателя за счет управления вектором тока и наличия эффективной системы интеллектуального управления.
- Обеспечение гарантированного плавного пуска для любых машин, включая мельницы, конвейеры, краны, производственные линии, экструдеры и прочее промышленное оборудование, имеющее в своём составе асинхронный электродвигатель.
- Плавное регулирование скорости, достигаемое как в конфигурациях с обратной связью, так и без них.
- Возможность управления моментом электродвигателя в векторном режиме с обратной связью.
- Удобный пользовательский интерфейс местного пульта управления на русском языке.
Технические характеристики
| Мощность | 0,75 кВт — 500 кВт |
| Питание | 380…460, 575…690 В, 50/60 Гц |
| Векторное управление | С обратной связью или без нее |
| Встроенный ПИД-регулятор | Присутствует |
| Язык интерфейса | Русский |
| Входы управления | Аналоговые и цифровые |
| Протоколы дистанционного управления | MODBUS, PROFIBUS |
Спецификация
| Модель преобразователя частоты EI-9011 | 001H | 002H | 003H | 005H | 007H | 010H | 015H | 020H | 025Н | 030H | 040H | 050H | 060H | 075H | 100H | 125H | 150H | 175H | 200H | 250H | 300H | 400H | 500H | 600H | |||||||||||||||
|---|---|---|---|---|---|---|---|---|---|---|---|---|---|---|---|---|---|---|---|---|---|---|---|---|---|---|---|---|---|---|---|---|---|---|---|---|---|---|---|
| Номинальная выходная мощность (мощность применяемого электродвигателя), кВА | 1,1 | 1,5 | 2,2 | 3,7 | 5,5 | 7,5 | 11 | 15 | 18,5 | 22 | 30 | 37 | 45 | 55 | 75 | 93 | 110 | 132 | 160 | 185 | 220 | 315 | 400 | 500 | |||||||||||||||
| Выходные параметры | |||||||||||||||||||||||||||||||||||||||
| Полная мощность преобразователя, кВА | 1 | 2 | 3 | 5 | 7,5 | 10 | 15 | 20 | 25 | 30 | 40 | 50 | 60 | 75 | 100 | 125 | 150 | 175 | 200 | 250 | 300 | 400 | 500 | 600 | |||||||||||||||
| Номинальный выходной ток, А | 3,4 | 4,8 | 6,2 | 8 | 14 | 18 | 27 | 34 | 41 | 48 | 65 | 80 | 96 | 128 | 150 | 195 | 224 | 270 | 302 | 340 | 450 | 605 | 800 | 900 | |||||||||||||||
| Максимальное выходное напряжение | Трехфазное 380/400/415/440/460 В (пропорционально входному напряжению) | ||||||||||||||||||||||||||||||||||||||
| Максимальная выходная частота | 400 Гц | ||||||||||||||||||||||||||||||||||||||
| Источник питания | |||||||||||||||||||||||||||||||||||||||
| Номинальное входное напряжение (частота) | Трехфазное 380/400/415/440/460 В 50/60 Гц | ||||||||||||||||||||||||||||||||||||||
| Допустимые колебания входного напряжения (частоты) | +10%, -15% (±5%) | ||||||||||||||||||||||||||||||||||||||
| Характеристики цепи управления | |||||||||||||||||||||||||||||||||||||||
| Метод управления | Синусоидальная широтно-импульсная модуляция | ||||||||||||||||||||||||||||||||||||||
| Стартовый крутящий момент | 150% при 1Гц(150% при 0 об/мин с импульсным датчиком вращения) | ||||||||||||||||||||||||||||||||||||||
| Диапазон управления скоростью | 1:100 (1:1000 с использованием импульсного датчика вращения) | ||||||||||||||||||||||||||||||||||||||
| Точность управления скоростью | ±0,2% (±0,02% с использованием импульсного датчика вращения) | ||||||||||||||||||||||||||||||||||||||
| Полоса пропускания ПИД-регулятора по скорости | 5 Гц (30 Гц с использованием импульсного датчика) | ||||||||||||||||||||||||||||||||||||||
| Ограничение крутящего момента | Определяется уставкой для каждого из четырех квадрантов | ||||||||||||||||||||||||||||||||||||||
| Точность по моменту | ±5% | ||||||||||||||||||||||||||||||||||||||
| Полоса пропускания ПИД-регулятора по моменту | 20 Гц (40 Гц с использованием импульсного датчика вращения) | ||||||||||||||||||||||||||||||||||||||
| Диапазон управления по частоте | от 0,1 до 400 Гц | ||||||||||||||||||||||||||||||||||||||
| Точность частотных режимов | Цифровая команда:±0,01% (от -10 С° до +40 С°) | ||||||||||||||||||||||||||||||||||||||
| Аналоговая команда:±0,1% (при 25 С° ±10 С°) | |||||||||||||||||||||||||||||||||||||||
| Разрешение по заданию частоты | Опорный цифровой сигнал: ±0,01 Гц | ||||||||||||||||||||||||||||||||||||||
| Опорный аналоговый сигнал: ±0,03 Гц/ 60 Гц (11 бит+код) | |||||||||||||||||||||||||||||||||||||||
| Разрешение по выходной частоте | 0,01 Гц | ||||||||||||||||||||||||||||||||||||||
| Запас по перегрузке | 150% от номинального выходного тока в течении 1 мин | ||||||||||||||||||||||||||||||||||||||
| Сигнал задания частоты | -10…+10; 0…+10 В; 4…20 мА | ||||||||||||||||||||||||||||||||||||||
| Время разгона/торможения | от 0,01 до 6000 с (время разгона/торможения имеют независимые уставки, возможны 4 ступени) | ||||||||||||||||||||||||||||||||||||||
| Тормозящий крутящий момент | до 20% без тормозного резистора; до 100% — с внешним тормозным резистором | ||||||||||||||||||||||||||||||||||||||
| Тормозной прерыватель встроен (15 кВт и менее) | Внешний тормозной прерыватель (18,5…500 кВт и менее) | ||||||||||||||||||||||||||||||||||||||
| Защитные функции | |||||||||||||||||||||||||||||||||||||||
| Защита двигателя от перегрузки | Защищен с помощью электронного термического реле перегрузки | ||||||||||||||||||||||||||||||||||||||
| Мгновенная перегрузка по току | Силовое выходное переменное напряжение мгновенно отключается примерно при 200% от номинального тока преобразователя | ||||||||||||||||||||||||||||||||||||||
| Защита плавким предохранителем | При перегорании предохранителя силовое выходное переменное напряжение отключится | ||||||||||||||||||||||||||||||||||||||
| Перегрузка | Силовое выходное переменное напряжение отключится через минуту работы при 150% от номинального тока преобразователя | ||||||||||||||||||||||||||||||||||||||
| Перегрузка по напряжению | Отключение при напряжении на шине постоянного тока преобразователя более 820 В | ||||||||||||||||||||||||||||||||||||||
| Недостаточное напряжение | Отключение при напряжении на шине постоянного тока преобразователя менее 380В | ||||||||||||||||||||||||||||||||||||||
| Кратковременное отключение питания | Немедленное отключение при прекращении подачи питания на 15 мс и более. Возможно возобновление управления после восстановления подачи питания при длительности провала не более 2 с (для моделей 001Н — 100Н). | Немедленное отключение выходного силового напряжения при прекращении подачи питания (для моделей 125Н — 600Н). | |||||||||||||||||||||||||||||||||||||
| Перегрев радиатора-теплоотвода | Защищен термистором | ||||||||||||||||||||||||||||||||||||||
| Предотвращение срыва при вращении | Предотвращение срыва во время разгона/торможения и вращения с постоянной скоростью | ||||||||||||||||||||||||||||||||||||||
| Защита от токов утечек | Защищен электронной цепью (нарушение баланса выходных токов) | ||||||||||||||||||||||||||||||||||||||
| Индикация заряда шины | Световой индикатор «Заряд» горит, пока напряжение шины не упадет ниже 50 В | ||||||||||||||||||||||||||||||||||||||
| Условия эксплуатации | Температура окружающей среды | от -10 С° до +40 С° (в пластмассовом корпусе) от -10 С° до +45 С° (в металлическом корпусе) | |||||||||||||||||||||||||||||||||||||
| Влажность | Относительная влажность не более 90% | ||||||||||||||||||||||||||||||||||||||
| Температура хранения | -20~+60°C | ||||||||||||||||||||||||||||||||||||||
| Окружающая среда | Внутри помещения, защищенного от коррозионных газов и пыли | ||||||||||||||||||||||||||||||||||||||
| Высотность | Не более 1000 м | ||||||||||||||||||||||||||||||||||||||
| Вибрация | До 20 Гц — 1g (9,81 м/с²); 20~50 Гц — 0,2g (1,96 м/с²) | ||||||||||||||||||||||||||||||||||||||
| Степень защиты оболочки | IP20 по ГОСТ 14254-96 IP54 (по отдельному заказу для моделей 050Н — 600Н) | ||||||||||||||||||||||||||||||||||||||
Весогабариты
|
EI-9011-380B |
Ширина, мм (без/в упаковке) |
Высота, мм (без/в упаковке) |
Глубина, мм (без/в упаковке) |
Масса, кг (без/в упаковке) |
|---|---|---|---|---|
| 001H-007H |
138/245 |
278/375 | 180/290 | 4/5 |
| 010H-015H |
228/360 |
300/415 | 215/345 | 6,6/7,5 |
| 020H-040H |
300/420 |
450/560 | 247/385 | 16/18 |
| 050H-060H |
355/480 |
677/760 | 326/475 | 39/44 |
| 075H-100H | 395/525 | 777/865 | 326/480 | 48/53 |
| 125H-150H | 586/760 | 810/870 | 332/560 | 76/90 |
| 175H-200H | 704/890 | 987/1040 | 332/570 | 95/116 |
| 250H-300H | 860/1080 | 1100/1180 | 411/610 | 150/166 |
| 400H | 975/1170 | 1100/1240 | 411/620 | 190/205 |
| 500H-600H | 1175/1370 | 1150/1290 | 421/630 | 295/315 |
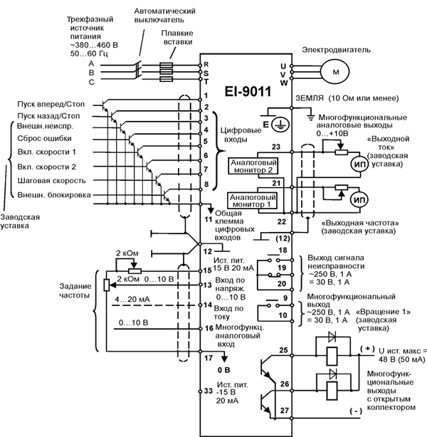
Схема подключения
Вы можете купить преобразователи векторного типа в Перми в компании БРИКО Автоматик.
Оставить заказ или получить консультацию можно любым способом, указанным в Контактах.
| Бренд |
|---|

