Векторные преобразователи частоты E5-8500
Векторный преобразователь Е5-8500 является продолжением популярной серии Е2-8300. Новая серия Е5-8500 имеет существенные преимущества.
Цена: по запросу
Отправьте заявку
0
людей смотрят этот товар прямо сейчас
Модели:
- Е5-8500-020Н
- Е5-8500-025Н
- Е5-8500-030Н
- Е5-8500-040Н
- Е5-8500-050Н
- Е5-8500-060Н
- Е5-8500-075Н
Технические характеристики
- ~3ф 380 … 480 В; 15 … 55 кВт
- Выходная частота до 600 Гц
- U/f и векторное управление асинхронными двигателями
- Векторное управление двигателями с постоянными магнитами
- Программируемый логический контроллер (PLC)
- выбор режима работы двигателя с постоянным/переменным моментом HD/ND (22/30 – 55/75 кВт)
- Функция аварийного отключения
- Степень защиты IP20
- Компактное исполнение
- Термозащита двигателя (датчик РТС)
- ПИД-регулятор
- Режим сна
- Пожарный режим
Преимущества частотных преобразователей Веспер Е5-8500
Векторный преобразователь Е5-8500 является продолжением популярной серии Е2-8300. В сравнении с Е2-8300 новая серия Е5-8500 имеет существенные (новые, дополнительные, значительные) преимущества.
- Добавлен выбор режима работы двигателя с постоянным/переменным моментом HD/ND (22/30 – 55/75 кВт)
- Добавлен режим автоматической регулировки выходного напряжения.
- Встроенный ПИД-регулятор с функцией спящего режима.
- 2 варианта автонастройки (статическая или динамическая)
- Подключение датчика температуры (РТС) электродвигателя позволяет применить дополнительный уровень защиты электродвигателя от перегрева совместно с традиционной функцией «Электронного теплового реле» защиты электродвигателя. Программная настройка порогов срабатывания и отключения защиты.
- Встроенный интерфейс RS-485 с поддержкой протоколов ModbusRTU,ModbusASCII, BACnet.
- Добавлен режим автоматической работы по заранее запрограммированному алгоритму.
- Улучшен сервис режима фиксированных скоростей — для каждой фиксированной скорости присвоены свои параметры времени разгона/замедления.
- Расширены возможности мониторинга параметров преобразователя
- Добавлена возможность настройки и сохранения параметров для двух попеременно работающих двигателей
- Выбор (программно) исходного состояния дискретных входов и выходов: но/нз.
Спецификация
| Модель Е5-8500- | 020H | 025Н | 030Н | 040Н | 050Н | 060Н | 075Н | |||
|---|---|---|---|---|---|---|---|---|---|---|
| Выходные параметры | Полная мощность [кВА] | 20 | 25 | 30 | 40 | 50 | 60 | 75 | ||
| Мощность применяемого двигателя [кВт] HD/ND | 15/- | 18,5/- | 22/30 | 30/37 | 37/45 | 45/55 | 55/75 | |||
| Номинальный выходной ток [А] HD/ND | 32/- | 40/- | 45/58 | 60/73 | 75/88 | 91/103 | 118/145 | |||
| Максимальное выходное напряжение, В | Трехфазное 380 ~ 480 (пропорционально входному напряжению) | |||||||||
| Максимальная выходная частота в режиме U/f, Гц | 599 | 599 (HD) | ||||||||
| 120 (ND) | ||||||||||
| Максимальная выходная частота в векторном режиме, Гц | 110(HD) | 100(HD) | 100 (несущая частота ≤ 8 кГц; HD) | |||||||
| 80 (несущая частота > 8 кГц; ND) | ||||||||||
| Максимальная выходная частота в векторном режиме, Гц (для ДПМ) | 599 | |||||||||
| Источник питания | Номинальное входное напряжение, частота | Трехфазное 380 ~ 480 В, 50/60 Гц | ||||||||
| Допустимые колебания входного напряжения | -15% ~ +15% | |||||||||
| Допустимые колебания частоты | ± 5% | |||||||||
| Характеристики управления | Режимы управления | Скалярный (U/f) | ||||||||
| Векторный (без обратной связи) | ||||||||||
| Векторный для ДПМ | ||||||||||
| Диапазон выходных частот | 0,01 ~ 599,00 Гц | |||||||||
| Пусковой момент | Скалярный режим: 150% (3 Гц) | |||||||||
| Векторный режим: 150% (1 Гц) | ||||||||||
| Точность по скорости | Скалярный режим: 3% | |||||||||
| Векторный режим: ± 0,5% | ||||||||||
| Диапазон регулирования по скорости | Скалярный режим: 1 : 40 | |||||||||
| Векторный режим: 1 : 50 | ||||||||||
| Разрешение установки частоты | Цифровое задание: 0,01 Гц, аналоговое задание: 0,05Гц/50Гц | |||||||||
| Разрешение выходной частоты | 0,01 Гц | |||||||||
| Задание частоты | Кнопки/потенциометр пульта управления Аналоговые входы AI1, AI2 (0/2~10В, 0/4~20 мА) Дискретные входы БОЛЬШЕ/МЕНЬШЕ Линия интерфейсной связи |
|||||||||
| Управление | Кнопки ПУСК/СТОП пульта управления Дискретные входы (2-х и 3-х проводное управление) Линия интерфейсной связи |
|||||||||
| Время разгона/торможения | 0,1 ~ 6000,0 с | |||||||||
| Характеристика U/f | 15 фиксированных характеристик; 1 пользовательская характеристика | |||||||||
| Тормозной момент | До 20% (без внешнего тормозного резистора) До 100% (с внешним тормозным резистором) |
|||||||||
| Несущая частота ШИМ | 1~16 кГц | |||||||||
| Другие функции | Определение перегрузки, 16 фиксированных скоростей, автоматический ПУСК, выбор времени разгона/торможения, ПИД-регулирование, увеличение момента, режим HD/ND (22-55 кВт), настройка на два двигателя | |||||||||
| Защитные функции | Предотвращение срыва | Регулируемый уровень предотвращения срыва при разгоне, работе на постоянной скорости и при торможении, с возможностью отключения | ||||||||
| Мгновенная защита по току | 220% номинального тока ПЧ | |||||||||
| Защита преобразователя от перегрузки | HD: 150% номинального тока ПЧ (1 мин) ND: 120% номинального тока ПЧ (1 мин) |
|||||||||
| Защита двигателя от перегрузки | Электронная защита | |||||||||
| Защита от повышенного напряжения | Отключение выхода при напряжении на шине ПТ более 820В | |||||||||
| Защита от пониженного напряжения | Отключение выхода при напряжении на шине ПТ менее 380В | |||||||||
| Автоперезапуск после провалов питания | Автоматический пуск преобразователя после восстановления питания | |||||||||
| Защита от перегрева | Электронная аппаратная защита | |||||||||
| Защита от неисправности заземления | Электронная аппаратная защита | |||||||||
| Дополнительные защитные функции | Автоматическое снижение частоты ШИМ, ошибка выхода, запрет обратного вращения, количество попыток перезапуска, ограничение доступа к параметрам, защита двигателя от перегрева (датчик РТС), цепь безопасности. | |||||||||
| Окружающая среда | Степень защиты | IP20 | ||||||||
| Температура эксплуатации | -10~50°C (без верхней крышки/наклейки) -10~40°C (с верхней крышкой/наклейкой) |
|||||||||
| Температура хранения | -20~60°C | |||||||||
| Относительная влажность | Не более 95% (без образования конденсата) | |||||||||
| Высотность | До 1000 м | |||||||||
| Вибрация | Амплитуда 0,3 мм (10~50 Гц); 2g (50~150 Гц) | |||||||||
| Коммуникационные функции | Встроенный RS-485 (RJ45). Протокол: ModbusRTU; ModbusASCII; BACnet | |||||||||
Весогабариты
| Ширина, мм (без/в упаковке) | Высота, мм (без/в упаковке) | Глубина, мм (без/в упаковке) | Масса, кг (без/в упаковке) | |
|---|---|---|---|---|
| 020Н, 025Н | 224/340 | 331/490 | 206/290 | 10,0/11,5 |
| 030Н | 265/340 | 360/490 | 238/350 | 9,8/11,3 |
| 040Н | 286/400 | 525/700 | 271/390 | 23,4/26,5 |
| 050Н | 286/400 | 525/700 | 271/390 | 25,5/28,4 |
| 060Н | 286/400 | 525/700 | 271/390 | 26,4/29,3 |
| 075Н | 286/400 | 525/700 | 271/390 | 27,2/30,2 |
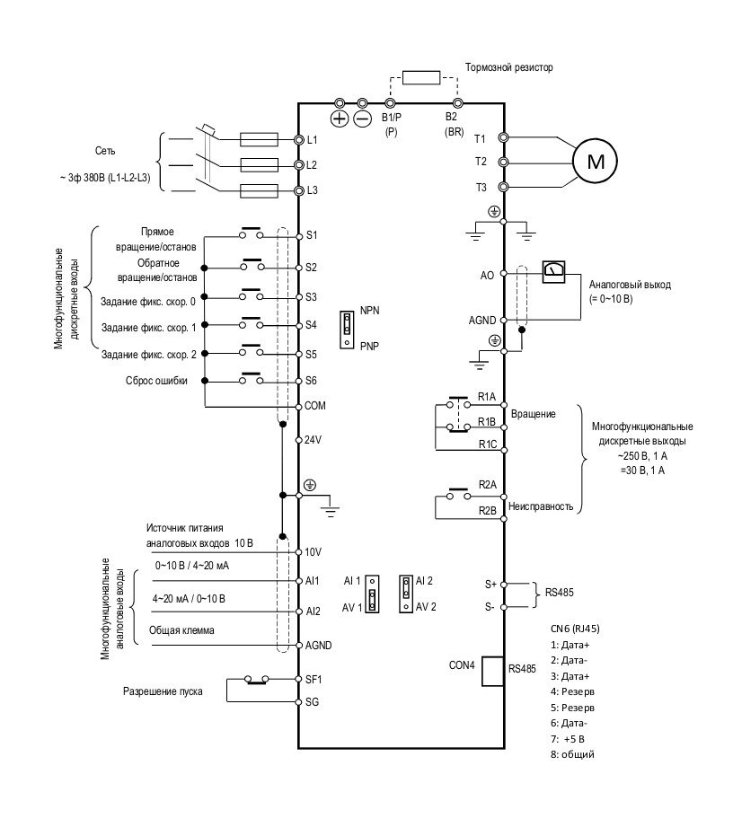
Схема подключения
Вы можете купить векторные преобразователи частоты в Перми в компании БРИКО Автоматик.
Оставить заказ или получить консультацию можно любым способом, указанным в Контактах.
| Бренд |
|---|

