Векторные преобразователи частоты E4-8400
Отличаются низкой ценой, широком функционалом и компактным дизайном, что наиболее полно соответствует сегодняшним потребностям рынка. Векторные ПЧ серии Е4-8400 подходят для большинства общепромышленных приводов.
Цена: по запросу
Отправьте заявку
0
людей смотрят этот товар прямо сейчас
Модели:
- Е4-8400-050Н
- Е4-8400-060Н
- Е4-8400-075Н
- Е4-8400-100Н
- Е4-8400-125Н
- Е4-8400-150Н
- Е4-8400-175Н
- Е4-8400-200Н
- Е4-8400-300Н
- Е4-8400-400Н
Технические характеристики
- ~1ф 200 … 240 В; 0,4 … 2,2 кВт
- ~3ф 380 … 480 В; 0,4 … 315 кВт
- U/f и векторное управление без датчика
- Выходная частота до 400 Гц (U/f)
- Выходная частота до 200 Гц (векторное управление)
- Аналоговое и импульсное задание частоты
- Режим автоматической работы по заранее запрограммированному алгоритму
- Автоматическая регулировка выходного напряжения
- Поиск скорости при пуске на вращающийся двигатель
- Функция «счетчик импульсов» для управления релейным выходом
- 15 предустановленных характеристик U/F и пользовательская характеристика
- Автонастройка и возможность ручной настройки на электродвигатель
- ПИД-регулятор
- Спящий режим
- Интерфейс RS485
Преимущества и особенности конструкции частотных преобразователей Веспер E4-8400
- Наружное расположение радиатора охлаждения в преобразователях 0,75…5,5 кВт снижает вероятность проникновения внутрь посторонних предметов
- Степень защиты IP20 (0,75…22кВт) и IP00 (30…315кВт)
- Съемный пульт управления (возможность выноса до 1 — 3 м)
- Контроль и индикация температуры IGBT
- Снижение шума двигателя за счет случайной ШИМ
- Журнал аварийных сообщений
- Сетевые протоколы связи Modbus RTU/ASCII
Спецификация
| Модель преобразователя частоты E4-8400 | SP5L | S1L | S2L | S3L | 001Н | 002Н | 003Н | 005Н | 007Н | 010Н | 015Н | 020Н | 025Н | 030Н | 040Н | |
|---|---|---|---|---|---|---|---|---|---|---|---|---|---|---|---|---|
| Выходные параметры | Полная выходная мощность, кВА | 0,5 | 1,0 | 2,0 | 3,0 | 1,0 | 2,0 | 3,0 | 5,0 | 7,5 | 10,0 | 15,0 | 20,0 | 25,0 | 30,0 | 40,0 |
| Максимальная мощность применяемого электродвигателя, кВт | 0,4 | 0,75 | 1,5 | 2,2 | 0,75 | 1,5 | 2,2 | 3,7 | 5,5 | 7,5 | 11,0 | 15,0 | 18,5 | 22,0 | 30,0 | |
| Номинальный выходной ток, А | 3,1 | 4,5 | 7,5 | 10,5 | 2,3 | 4,0 | 5,2 | 10,5 | 13,0 | 17,5 | 25,0 | 32,0 | 40,0 | 45,0 | 60,0 | |
| Максимальное выходное напряжение, В | Трехфазное 200 ~ 240 (пропорционально входному напряжению) | Трехфазное 380 ~ 480 (пропорционально входному напряжению) | ||||||||||||||
| Диапазон выходной частоты, Гц | Скалярный режим: 0,01 ~ 400,00 Векторный режим: 0,01 ~ 200,00 |
|||||||||||||||
| Источник питания | Номинальное входное напряжение, частота | 1ф, 200~240 В, 50/60 Гц | 3ф, 380~480 В, 50/60 Гц | |||||||||||||
| Допустимые колебания входного напряжения | -15% ~ +10% | |||||||||||||||
| Допустимые колебания частоты | ± 5% | |||||||||||||||
| Характеристики управления | Режимы управления | Скалярный (U/f) Векторный (без обратной связи) |
||||||||||||||
| Пусковой момент | Скалярный режим: 150% (3 Гц) Векторный режим: 150% (1 Гц) |
|||||||||||||||
| Точность по скорости | Скалярный режим: 3% Векторный режим: ± 0,5% |
|||||||||||||||
| Диапазон регулирования по скорости | Скалярный режим: 1 : 40 Векторный режим: 1 : 50 |
|||||||||||||||
| Разрешение установки частоты | Цифровое задание: 0,01 Гц, аналоговое задание: 0,05Гц/50Гц | |||||||||||||||
| Разрешение выходной частоты | 0,01 Гц | |||||||||||||||
| Задание частоты | Кнопки/потенциометр пульта управления Аналоговые входы AVI (0/2~10В), ACI (0/4~20 мА) Дискретные входы БОЛЬШЕ/МЕНЬШЕ Линия интерфейсной связи |
|||||||||||||||
| Управление | Кнопки ПУСК/СТОП пульта управления Дискретные входы Линия интерфейсной связи |
|||||||||||||||
| Время разгона/торможения | 0,1 ~ 3600,0 с | |||||||||||||||
| Характеристика U/f | 15 фиксированных характеристик 1 пользовательская характеристика |
|||||||||||||||
| Тормозной момент | До 20% (без внешнего тормозного резистора) До 120% (с внешним тормозным резистором) | |||||||||||||||
| Несущая частота ШИМ | 1~15 кГц (до 22 кВт включительно); 1~5 кГц (от 30 кВт и выше) | |||||||||||||||
| Другие функции | Определение перегрузки, 15 фиксированных скоростей с возможностью задания индивидуальных времен разгона/торможения, автоматический ПУСК, выбор основных и дополнительных команд пуск/стоп и задания частоты, ПИД-регулирование, увеличение момента, сброс ошибок | |||||||||||||||
| Защитные функции | Предотвращение срыва | Регулируемый уровень предотвращения срыва при разгоне, работе на постоянной скорости и при торможении, с возможностью отключения | ||||||||||||||
| Мгновенная защита по току | 200% номинального тока ПЧ | |||||||||||||||
| Защита преобразователя от перегрузки | 150% номинального тока ПЧ в течение 1 мин 180% номинального тока ПЧ в течение 3 сек |
|||||||||||||||
| Защита двигателя от перегрузки | Электронная защита | |||||||||||||||
| Защита от повышенного напряжения | Отключение выхода при напряжении на шине ПТ более 410В (класс 220В) и 820В (класс 380В) | |||||||||||||||
| Защита от пониженного напряжения | Отключение выхода при напряжении на шине ПТ менее 190В (класс 220В) и 380В (класс 380В) | |||||||||||||||
| Автоперезапуск после провалов питания | Автоматический пуск преобразователя после восстановления питания | |||||||||||||||
| Защита от перегрева | Электронная аппаратная защита | |||||||||||||||
| Защита от неисправности заземления | Электронная аппаратная защита | |||||||||||||||
| Дополнительные защитные функции | Снижение несущей частоты с повышением температуры радиатора, ошибка выхода, запрет обратного вращения, количество попыток автоматического перезапуска, ограничение доступа к параметрам. | |||||||||||||||
| Окружающая среда | Степень защиты | IP20 | ||||||||||||||
| Температура эксплуатации | -10~+50°C | |||||||||||||||
| Температура хранения | -20~+60°C | |||||||||||||||
| Относительная влажность | Не более 95% (без образования конденсата) | |||||||||||||||
| Высотность | До 1000 м | |||||||||||||||
| Вибрация | До 20 Гц — 1g (9,8 м/с²); 20~50 Гц — 0,6g (5,9 м/с²) | |||||||||||||||
| Коммуникационные функции | Встроенный RS-485. Протокол: Modbus RTU; Modbus ASCII |
|||||||||||||||
(продолжение)
| Модель преобразователя частоты E4-8400 | 050Н | 060Н | 075Н | 100Н | 125Н | 150Н | 175Н | 200Н | 300Н | 400Н | |
|---|---|---|---|---|---|---|---|---|---|---|---|
| Выходные параметры | Полная выходная мощность, кВА | 50,0 | 60,0 | 75,0 | 100 | 125 | 150 | 175 | 200 | 300 | 400 |
| Максимальная мощность применяемого электродвигателя, кВт | 37,0 | 45,0 | 55,0 | 75,0 | 93,0 | 110 | 132 | 160 | 220 | 315 | |
| Номинальный выходной ток, А | 75,0 | 91,0 | 112 | 150 | 176 | 210 | 253 | 302 | 430 | 605 | |
| Максимальное выходное напряжение, В | Трехфазное 380 ~ 480 (пропорционально входному напряжению) | ||||||||||
| Диапазон выходной частоты, Гц | Скалярный режим: 0,01 ~ 400,00 Векторный режим: 0,01 ~ 200,00 |
||||||||||
| Источник питания | Номинальное входное напряжение, частота | 3ф, 380~480 В, 50/60 Гц | |||||||||
| Допустимые колебания входного напряжения | -15% ~ +10% | ||||||||||
| Допустимые колебания частоты | ± 5% | ||||||||||
| Характеристики управления | Режимы управления | Скалярный (U/f) Векторный (без обратной связи) |
|||||||||
| Пусковой момент | Скалярный режим: 150% (3 Гц) Векторный режим: 150% (1 Гц) |
||||||||||
| Точность по скорости | Скалярный режим: 3% Векторный режим: ± 0,5% |
||||||||||
| Диапазон регулирования по скорости | Скалярный режим: 1 : 40 Векторный режим: 1 : 50 |
||||||||||
| Разрешение установки частоты | Цифровое задание: 0,01 Гц, аналоговое задание: 0,05Гц/50Гц | ||||||||||
| Разрешение выходной частоты | 0,01 Гц | ||||||||||
| Задание частоты | Кнопки/потенциометр пульта управления Аналоговые входы AVI (0/2~10В), ACI (0/4~20 мА) Дискретные входы БОЛЬШЕ/МЕНЬШЕ Линия интерфейсной связи |
||||||||||
| Управление | Кнопки ПУСК/СТОП пульта управления Дискретные входы Линия интерфейсной связи |
||||||||||
| Время разгона/торможения | 0,1 ~ 3600,0 с | ||||||||||
| Характеристика U/f | 15 фиксированных характеристик 1 пользовательская характеристика |
||||||||||
| Тормозной момент | До 20% (без внешнего тормозного резистора) До 120% (с внешним тормозным резистором) | ||||||||||
| Несущая частота ШИМ | 1~15 кГц (до 22 кВт включительно); 1~5 кГц (от 30 кВт и выше) | ||||||||||
| Другие функции | Определение перегрузки, 15 фиксированных скоростей с возможностью задания индивидуальных времен разгона/торможения, автоматический ПУСК, выбор основных и дополнительных команд пуск/стоп и задания частоты, ПИД-регулирование, увеличение момента, сброс ошибок | ||||||||||
| Защитные функции | Предотвращение срыва | Регулируемый уровень предотвращения срыва при разгоне, работе на постоянной скорости и при торможении, с возможностью отключения | |||||||||
| Мгновенная защита по току | 200% номинального тока ПЧ | ||||||||||
| Защита преобразователя от перегрузки | 150% номинального тока ПЧ в течение 1 мин 180% номинального тока ПЧ в течение 3 сек |
||||||||||
| Защита двигателя от перегрузки | Электронная защита | ||||||||||
| Защита от повышенного напряжения | Отключение выхода при напряжении на шине ПТ более 410В (класс 220В) и 820В (класс 380В) | ||||||||||
| Защита от пониженного напряжения | Отключение выхода при напряжении на шине ПТ менее 190В (класс 220В) и 380В (класс 380В) | ||||||||||
| Автоперезапуск после провалов питания | Автоматический пуск преобразователя после восстановления питания | ||||||||||
| Защита от перегрева | Электронная аппаратная защита | ||||||||||
| Защита от неисправности заземления | Электронная аппаратная защита | ||||||||||
| Дополнительные защитные функции | Снижение несущей частоты с повышением температуры радиатора, ошибка выхода, запрет обратного вращения, количество попыток автоматического перезапуска, ограничение доступа к параметрам. | ||||||||||
| Окружающая среда | Степень защиты | IP20 | |||||||||
| Температура эксплуатации | -10~+50°C | ||||||||||
| Температура хранения | -20~+60°C | ||||||||||
| Относительная влажность | Не более 95% (без образования конденсата) | ||||||||||
| Высотность | До 1000 м | ||||||||||
| Вибрация | До 20 Гц — 1g (9,8 м/с²); 20~50 Гц — 0,6g (5,9 м/с²) | ||||||||||
| Коммуникационные функции | Встроенный RS-485. Протокол: Modbus RTU; Modbus ASCII |
||||||||||
Весогабариты
| Е4-8400-220В 380В | Ширина, мм (без/в упаковке) | Высота, мм (без/в упаковке) | Глубина, мм (без/в упаковке) | Масса, кг (без/в упаковке) | |
|---|---|---|---|---|---|
| SP5L, S1L | 001H | 79/125 | 160/210 | 126/160 | 1,1/1,3 |
| S2L | 002H | 93/125 | 160/210 | 126/160 | 1,2/1,3 |
| S3L | 003H | 100/125 | 160/210 | 126/160 | 1,2/1,3 |
| — | 005H, 007H | 100/150 | 210/260 | 160/200 | 2,6/2,8 |
| — | 010H, 015H | 135/235 | 270/365 | 200/290 | 5,2/5,9 |
| — | 020H, 025H, 030H | 155/255 | 300/405 | 220/310 | 7,3/8,2 |
| — | 040H, 050H | 250/380 | 400/490 | 237/355 | 13,9/17,0 |
| — | 060H, 075H | 320/380 | 524/590 | 272/390 | 26,7/31,2 |
| — | 100H, 125H | 400/530 | 620/690 | 302/435 | 39,2/44,6 |
| — | 150H | 400/530 | 620/690 | 302/435 | 41,2/46,4 |
| — | 175H | 495/620 | 720/775 | 330/570 | 54.0/68,4 |
| — | 200H, 300H | 550/670 | 860/920 | 370/600 | 85,8/104 |
| — | 400H | 670/800 | 960/1055 | 375/605 | 129/148 |
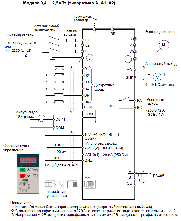
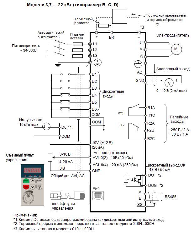
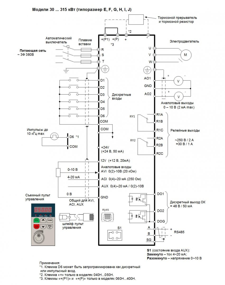
Схема подключения
Вы можете купить векторные преобразователи частоты в Перми в компании БРИКО Автоматик.
Оставить заказ или получить консультацию можно любым способом, указанным в Контактах.
| Бренд |
|---|



