Тензометрический датчик DBM14G
Нагрузка: от 10т до 50т
Материал исполнения: нержавеющая сталь
Класс защиты: IP68
Гарантия: 30 месяцев
Цена: по запросу
Техническое описание
DBM14G — тензометрический датчик стержневого (колонного) типа.
Стержневой тип датчиков применяется для изготовления/модернизации автомобильных, вагонных, многотонных бункерных весов, а также в испытательных стендах и контрольно-измерительном оборудовании. Благодаря высоким метрологическим характеристикам этот тип датчиков находит широкое применение во многих промышленных системах весоизмерения. Тензодатчик DBM14G может применяться в тяжелых промышленных условиях (щелочных и кислотных средах). Корпус выполнен из нержавеющей стали с применением лазерной сварки, класс защиты тензодатчика IP68 (полная пыле- и влагозащищенность). Длина кабельной разводки от цифрового преобразователя до весовой системы может составлять до 1000 метров.
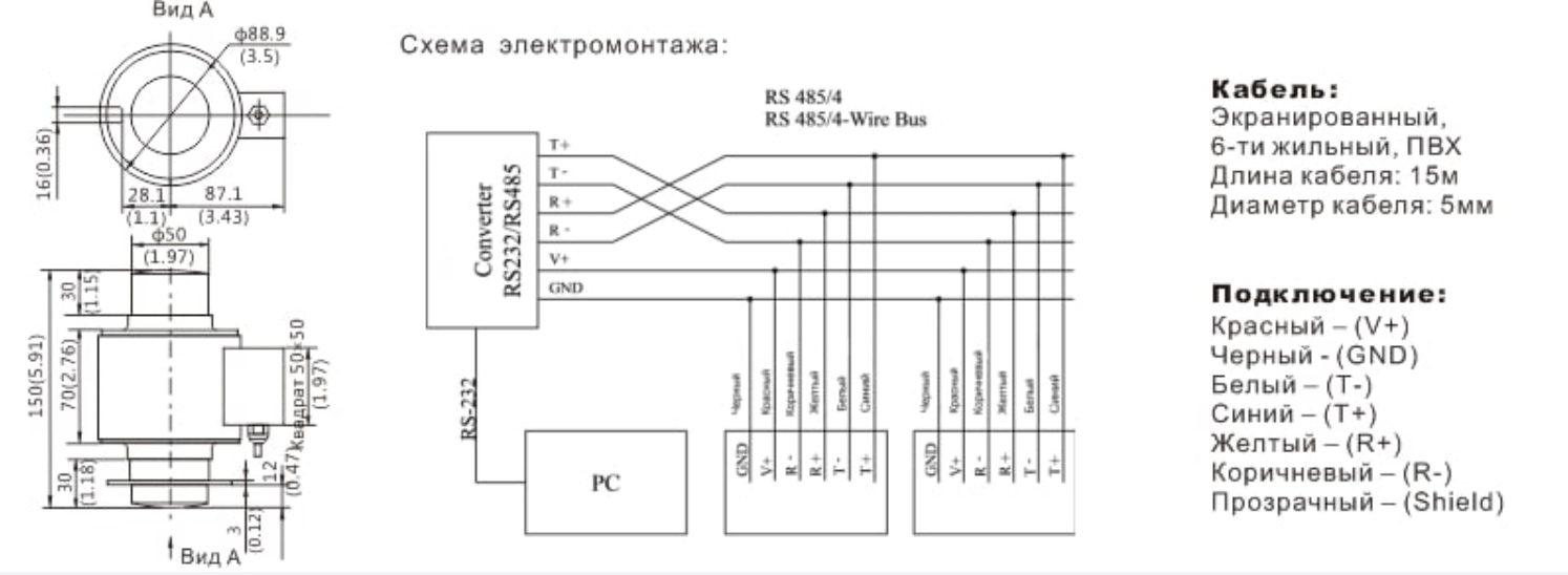
Габаритные размеры
| Бренд |
|---|

