Тензометрический датчик HM9B
Нагрузка: от 10т до 50т
Материал исполнения: сталь с никелевым покрытием
Класс защиты: IP68
Гарантия: 24 месяца
Цена: по запросу
Техническое описание
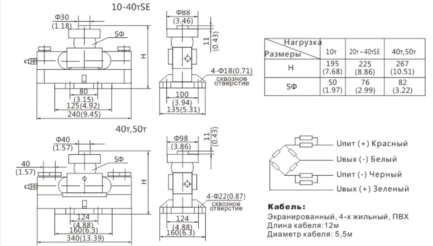
НМ9В — балочный двухопорный тензометрический датчик на изгиб.
Балочный двухопорный тип датчиков применяется для изготовления/модернизации автомобильных и вагонных весов, систем взвешивания на транспортных средствах, систем взвешивания цистерн, для измерения осевой нагрузки автотранспорта, также могут применяться в различном электронно-весовом оборудовании. Благодаря высоким метрологическим характеристикам этот тип датчиков находит широкое применение во многих промышленных системах весоизмерения, может применяться вместо стержневых (колонных) датчиков. Корпус НМ9В выполнен из стали с никелевым покрытием с применением лазерной сварки, класс защиты тензодатчика IP68 (полная пыле- и влагозащищенность).
Таблица взаимозаменяемости
| Keli | QS* |
Габаритные размеры
| Бренд |
|---|

