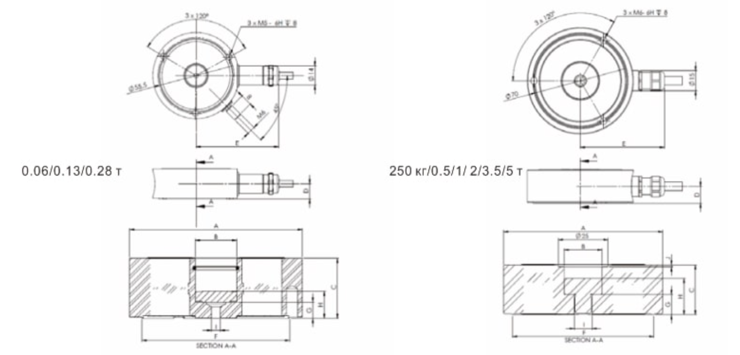
Тензометрический датчик BM24R
Нагрузка: от 60кг до 60т
Материал исполнения: нержавеющая сталь
Класс защиты: IP68
Гарантия: 30 месяцев
Цена: по запросу
Техническое описание
BM24R — тензометрический датчик мембранного типа (шайба).
Мембранный тип датчиков применяется для изготовления бункерных, автомобильных, вагонных весов, а также в других весодозирующих системах, где обычные датчики не могут быть вмонтированы ввиду их больших габаритных размеров. Благодаря высоким метрологическим характеристикам этот тип датчиков находит широкое применение во многих промышленных системах весоизмерения. Тензодатчик BM24R может применяться в тяжелых промышленных условиях (щелочных и кислотных средах). Корпус выполнен из нержавеющей стали с применением лазерной сварки, класс защиты тензодатчика IP68 (полная пыле- и влагозащищенность). Рекомендован для применения на мясокомбинатах и молокозаводах. Компактность и небольшая высота BM24R обеспечивают быструю и надежную установку.
Таблица взаимозаменяемости
| VISHAY | RLC |
Габаритные размеры
| Бренд |
|---|

