ТД719, термопара (-150…+800С), штуцер, d6мм
Цена: по запросу
Предназначена для измерения температуры жидких, газообразных и твердых тел в диапазоне от -150 до +800°С.
-ТУ 4211-010-12023213-2007
-Внесены в Государственный реестр средств измерений под № 38468-08
-Номинальная статическая характеристика ТХА (К) и ТХК (L) по ГОСТ Р 8.585-2001.
-Класс допуска по ГОСТ 6616 94: 2 или 3.
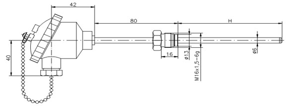
Пример для записи при заказе: ТД719-d6-H250-М16-ХА (-150…+800⁰С)
− ТД719 — модель преобразователя;
− d6 – диаметр корпуса (мм);
− Н250 — длина погружаемой части в (мм);
− М16 – штуцер М16х1,5;
− ХА — тип НСХ.
Технические характеристики «ТД719»
Корпус термопары:12Х18Н10Т.
Диаметр корпуса: 6 мм.
Длина погружной части: 100, 120, 160, 200, 250, 320, 400, 500 мм.
Штуцер: М16х1,5, М20х1,5 ( по заказу G1/2).
Материал головки: алюминиевый сплав

