Светосигнальная колонна INNOCONT TL70-220-RGBY-55
Цена: по запросу
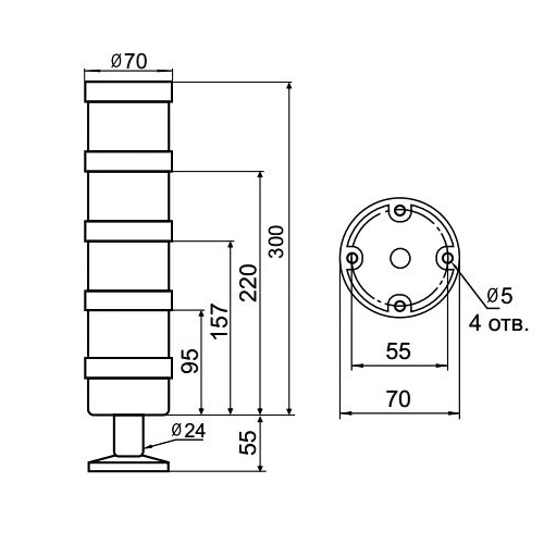
Светосигнальная колонна, d=70, высота 168мм, стойка 55мм, постоянное свечение, цвета: красный, зеленый, синий, желтый, 220 AC, IP65, кабель 0,5м TL70-220-RGBY-55 — это устройство, позволяющее контролировать технологические процессы на производствах с помощью световой и звуковой индикации. Идеально подходят для автоматизации производства и многих других областей применения благодаря экономичности (энергосбережению) и отсутствием необходимости в техническом обслуживании. Светосигнальные колонны серии TL70 предлагают гибкие решения под любой запрос. Все колонны предлагаются в исполнении 220В AC или 24В DC. Вы можете составить любую компоновку необходимых цветовых сигналов (до 5 цветов или до 4х цветов со звуковым сигналом). Высота так же имеет стандартную высоту 55мм, но опционально можно выбрать стойку 155, 255 или 455 мм по запросу. Обратитесь к менеджеру, если вы не нашли подходящий вариант в каталоге и мы составим для вас колонну под ваши требования.
| Высота, мм | |
|---|---|
| Степень защиты, IP | |
| Диаметр корпуса, мм | |
| Установка | |
| Источник света | |
| Громкость зуммера (при наличии), дБ | |
| Цвет лампы | |
| Режим работы | |
| Количество цветов | |
| Высота стойки, мм | |
| Наличие звукового сигнала | |
| Звуковой сигнал |
