Соленоидный клапан (электромагнитный) AR-YCG31
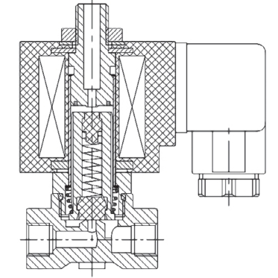
Клапан соленоидный прямого действия трехходовой 3/2 с поршнем для управления потоком рабочей среды в трубопроводе
- Рабочая среда: вода, горячая вода, воздух, инертные газы, масла
- Температура рабочей среды: −10…120°С
- Рабочее давление: 0…1 MПa
- Диаметр условного прохода: 1,6…4 мм
- Материал корпуса: латунь
- Материал уплотнения: VITON
- Присоединение: внутр. ⅛» + наруж. ⅛» или внутр. ¼» + наруж. ⅛»
Цена: по запросу
Отправьте заявку
0
людей смотрят этот товар прямо сейчас
Клапан соленоидный трехходовой 3/2 прямого действия с поршнем AR-YCG31 предназначен для управления потоком рабочей среды в трубопроводе.
Особенности:
- Клапан имеет универсальную конструкцию
- Срабатывание при нулевом давлении
- Пониженное энергопотребление
- Компактный размер
Принцип действия и область применения:
Трехходовые соленоидные клапаны устанавливаются на соединении входов нескольких трубопроводов (входы 1, 2 и 3) и позволяют пропускать поток рабочей среды в разных направлениях. К примеру, при отсутствии управляющего напряжения клапан пропускает поток рабочей среды в трубопроводе в направлении 2 ↔ 3, при подаче на катушку клапана управляющего напряжения клапан переключает поток рабочей среды в трубопроводе в направлении 1 → 2. При отключении управляющего напряжения (или обрыве провода управляющего напряжения) клапан автоматически переключается обратно и снова пропускает поток рабочей среды в трубопроводе в направлении 2 ↔ 3.
В большинстве случаев подходит для эксплуатации в системах водоснабжения, теплоснабжения, вентиляции и пневмоуправления.
В большинстве случаев подходит для эксплуатации в системах водоснабжения, теплоснабжения, вентиляции и пневмоуправления.
Технические характеристики:
| Параметр | Значение |
| Рабочая среда | Вода, горячая вода, воздух, инертные газы, масла |
| Материалы | Корпуса: латунь Уплотнения: VITON |
| Температура рабочей среды | −10…120°С |
| Рабочее давление | 0…0,5 МПа |
| Диаметр условного прохода | 1,6 мм, 2,5 мм, 3 мм, 4 мм |
| Присоединение | Резьбовое G¼» + наруж. G⅛ |
| Катушка | S91H, ASE11B, SB543, IP65 |
| Питание | ~220 В, ~110 В*, ~24 В* =24 В, =12 В |
| Мощность | S91H: 20 ВА (АС), 14 Вт (DC) ASE11B: 4,5 ВА (AC), 8 Вт (DC) SB543: 23 ВА (AC), 13 Вт (DC) |
* Кроме ASE11B
Модификации:
| Модель | Ду, мм | Kv, м³/ч | Присоединение | Pmin , МПа | Pmax (AC) , МПа | Pmax (DC), МПа | Катушка | Вес, кг |
| AR-YCG31161 GBV | 1,6 | 0,21 | внутр. ⅛» + наруж. ⅛» | 0,0 | 1,0 | 0,8 | S91H, ASE11B, SB543 | 0,36 |
| AR-YCG31251 GBV | 2,5 | 0,21 | 0,8 | 0,6 | ||||
| AR-YCG31301 GBV | 3,0 | 0,29 | 0,5 | 0,4 | ||||
| AR-YCG31162 GBV | 1,6 | 0,21 | внутр. ¼»» + наруж. ⅛» | 1,0 | 0,8 | |||
| AR-YCG31252 GBV | 2,5 | 0,21 | 0,8 | 0,6 | ||||
| AR-YCG31302 GBV | 3,0 | 0,29 | 0,5 | 0,4 | ||||
| AR-YCG31402 GBV | 4,0 | 0,43 | 0,5 | 0,4 | 0,37 |
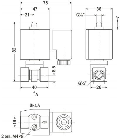
| Габаритные размеры |
![]() |
| Вариант |
AR-YCG31161 GBV ,AR-YCG31251 GBV ,AR-YCG31301 GBV ,AR-YCG31162 GBV ,AR-YCG31252 GBV ,AR-YCG31302 GBV ,AR-YCG31402 GBV |
|---|

