Соленоидный клапан (электромагнитный) AR-5515-04M
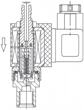
Клапан соленоидный прямого действия нормально открытый с поршнем для управления потоком рабочей среды в трубопроводе
- Рабочая среда: вода, горячая вода, воздух, инертные газы, масла
- Температура рабочей среды: −10…120°С
- Рабочее давление: 0…2 MПa
- Диаметр условного прохода: 1,5 мм
- Материал корпуса: латунь
- Материал уплотнения: VITON
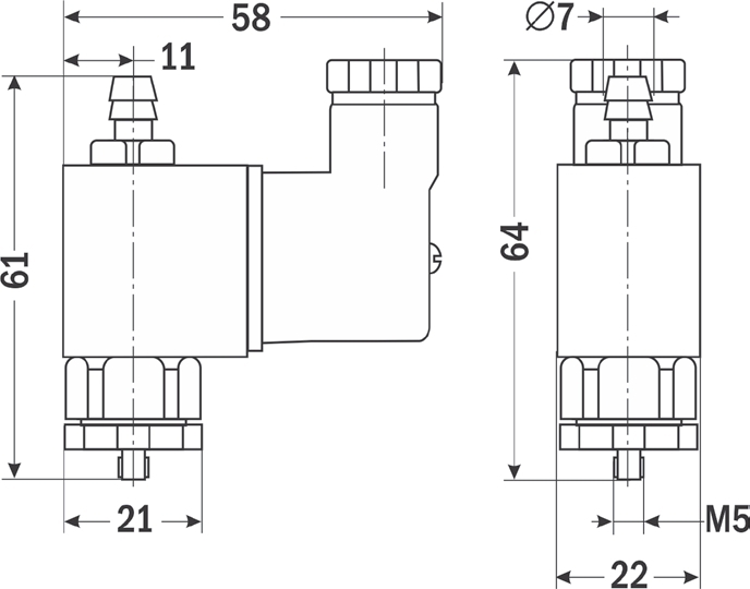
- Присоединение: вход – резьбовое наруж. M5, выход – штуцер ∅ 7 мм
Цена: по запросу
Отправьте заявку
0
людей смотрят этот товар прямо сейчас
Клапан соленоидный прямого действия нормально открытый с поршнем AR-5515-04M для управления потоком рабочей среды в трубопроводе.
Особенности:
- Возможность использования в пищевых устройствах: кулерах, бойлерах, кофемашинах
- Работа при высоком давлении до 2 МПа
- Срабатывание при нулевом давлении
- Пониженное энергопотребление
- Компактный размер
Принцип действия и область применения:
Нормально открытый соленоидный клапан – это клапан, который при отсутствии напряжения на его индукционной катушке открыт для потока рабочей среды через него. При подаче напряжения на катушку магнитный клапан этого типа закрывается и остается закрытым все время, пока напряжение подается на катушку. При обрыве провода управляющего напряжения клапан будет открыт.
В большинстве случаев подходит для эксплуатации в системах водоснабжения, теплоснабжения, вентиляции и пневмоуправления. Особенно актуально применение данного типа клапана, когда клапан должен быть открыт большую часть времени либо когда он обязательно должен быть открыт при отключении электропитания системы.
Технические характеристики:
| Параметр | Значение |
| Рабочая среда | Вода, горячая вода, воздух, инертные газы, масла |
| Материалы | Корпуса: латунь Уплотнения: VITON |
| Температура рабочей среды | −10…120°С |
| Рабочее давление | 0…2 МПа |
| Диаметр условного прохода | 1,5 мм |
| Присоединение | вход – резьбовое наруж. M5, выход – штуцер ∅ 7 мм |
| Катушка | SA11B; IP65 |
| Питание | ~220 В, ~110 В, ~24 В =24 В, =12 В |
| Мощность | 9 ВА (AC), 8 Вт (DC) |
Модификации:
| Модель | Ду, мм | Kv, м3/ч | Присоединение | Pmin , МПа | Pmax , МПа | Катушка | Вес, кг |
| 5515-04M MBV | 1,5 | 0,09 | M5 | 0 | 2 | SA11B | 0,12 |
| Габаритные размеры |
![]() |

