Преобразователь частоты векторный серии EMD-V
Преобразователи частоты EMD-VL и EMD-VH предназначены для управления асинхронным электродвигателем в трех режимах: U/f- регулирование, Бездатчиковое векторное управление (SVC) и Векторное управление с датчиком ОС (FVC). Благодаря режимам SVC и FVC достигается высокое качество регулирования: точность поддержания скорости, высокий пусковой момент и широкий диапазон регулирования частоты.
Цена: по запросу
Преобразователь частоты имеет высокую перегрузочную способность (до 180 % в теч. 3 сек.), что позволяет применять его с электродвигателями, работающими в тяжелых условиях (экструдеры, дробилки, нории, промышленные миксеры и мешалки). А при использовании датчика обратной связи (энкодера) достигается высокая точность поддержания скорости, необходимая для приводов весовых дозаторов, токарных и фрезерных станков, манипуляторов, синхронизированных конвейеров.
Для подключения к ПЧ доп.оборудования могут использоваться встроенные аналоговые (0…10В и 4…20мА), дискретные (транзисторные и релейные) входы и выходы, а так же интерфейс связи RS-485 с поддержкой протокола MODBUS RTU.
Функционал ПЧ EMD-V может быть расширен за счет применения дополнительных карт расширения: для подключения энкодера (датчика ОС) и для подключения дополнительного релейного выхода.
Отличие серий EMD-VL и EMD-VH заключается в количестве поддерживаемых входов/выходов (сигналов управления), поддержке карт расширения и в наличии съемного пульта. Подробное описание представлено в разделе «Технические характеристики».
Особенности векторных преобразователей EMD–V
Векторный режим управления
Для повышения производительности электропривода предусмотрен векторный режим управления.
Благодаря векторному режиму (с обратной связью) достигается высокий пусковой момент на низких скоростях: до 150% при 0,5 Гц.
Компактный монтаж
Преобразователи частоты (модели до 2,2 кВт) позволяют осуществлять монтаж без вентиляционного зазора(корпус к корпусу).
Благодаря этому для монтажа преобразователей EMD-VL могут использоваться шкафы компактных размеров.
Выносной пульт управления
ПЧ серии EMD-VL оборудованы съемным штатным пультом и поставляются с кабелем 2 метра в комплекте.
У ПЧ серии EMD-VH пульт не съемный, но возможно подключение внешнего пультам EMD-V-RCP, который заказывается отдельно.
Внешний пульт имеет щитовое исполнение для установки на дверь шкафа.
Перегрузочная способность
ПЧ серии EMD-VL и EMD-VH имеют высокую перегрузочную способность: 150% номинального тока в течение 60 секунд.
Поддержка карт расширения
Для подключения к ПЧ дополнительных устройств применяются карты расширения EMD-V-IOC и EMD-V-PGC.
Карты предназначены для подключения энкодеров (импульсный вход), датчиков с аналоговым сигналом (аналоговый вход) или для дискретного управления (релейный выход).
Гибкая настройка дискретных входов
Для дискретных входов предусмотрена возможность работы в режиме PNP и NPN.
Программно может быть задана задержка срабатывания (фильтрация «дребезга») и логика срабатывания (НО или НЗ).
Импульсный вход
ПЧ оборудован входом для подключения импульсных (частотных) сигналов.
Сигнал с переменной частотой (до 100 кГц) может быть использован для задания выходной частоты (например, при синхронизации приводов) или в качестве сигнала обратной связи ПИД-регулятора (например, от расходомера).
Ограничение крутящего момента
Преобразователь поддерживает управление скоростью и крутящим моментом.
С помощью функции ограничения крутящего момента возможно обеспечить механическую защиту оборудования или продукции.
Привод автоматически будет снижать выходную частоту при превышении заданной нагрузки (например, при перемотке материалов).
- Векторный режимы работы с поддержкой энкодеров
- Возможность подключения выносного пульта управления
- Интерфейс RS-485 для подключения к ПЛК по протоколу MODBUS RTU (скорость до 115200 бит/сек )
- 2 режима работы: управление скоростью вращения и крутящим моментом
- Универсальные входы PNP/NPN для подключения датчиков, кнопок и контроллеров
- Высокоскоростной импульсный вход и выход позволяет синхронизировать работу двух ПЧ
- Для моделей EMD-VL (до 2.2 кВт) допускается плотный (корпус к корпусу) монтаж
- Высокая перегрузочная способность (180% в течение 3 сек.) для работы с нагруженными механизмами
- Возможность установки карт расширения: для подключения энкодера или для вывода дискретных сигналов
- ПЧ имеет встроенный блок питания 24 В для питания датчиков
Примеры использования векторных преобразователей EMD–V
Экструзионная линия: производство профилей ПВХ
Использование ПЧ ELHART векторной серии EMD-V в производстве профилей ПВХ
Преобразователь частоты EMD-VL получает информацию о степени загрузки (давления расплава) пресса и с помощью аналогового выхода управляет скоростью подающего шнека. Благодаря векторному режиму работы обеспечивается высокий пусковой крутящий момент и точное поддержание скорости шнека во всем рабочем диапазоне. Совместно c энкодером OPKON PRI50 преобразователи EMD-VL могут применяться для протяжки и резки профиля. Для контроля температуры и давления разрежения в прессе и калибраторе используются регуляторы ELHART ECD2.
Конвейеры: синхронизация скорости подающего и принимающего привода
Пример использования ELHART EMD-VL для синхронизации скорости подающего и принимающего привода
Энкодер OPKON PRI50AR6 измеряет скорость подающего конвейера и передает частотный сигнал преобразователю частоты ELHART EMD-VL. В зависимости от измеренной скорости увеличивается или снижается скорость принимающего конвейера. Применение синхронизированных конвейеров позволяет обеспечить равномерное перемещение продукции.
Щековые дробилки: производство щебня
EMD-VH при производстве щебня щековыми дробилкам
Преобразователи частоты ELHART используются в линии дробления сырья. Для управления приводом дробилки применяется ПЧ EMD-VH с векторным управлением, обладающим высоким крутящий моментом и перегрузочной способностью. Управление приводами пластинчатого питателя и грохота осуществляется ПЧ EMD-MINI с вольтчастотным управлением. Датчик уровня mic+600 используется для контроля загрузки бункера и регулирования скорости питателя.
Токарные станки
Использование ПЧ ELHART EMD-VH в токарных станках
Управление приводом шпинделя токарного станка осуществляется с помощью ПЧ ELHART. Серия EMD-VH имеет возможность подключения энкодера для работы в векторном режиме с датчиком обратной связи. Использование замкнутого контура управления обеспечивает поддержание заданной частоты во всем рабочем диапазоне.
Миксеры и мешалки: производство бетонной смеси
EMD-VH при производстве бетонной смеси миксерами и мешалками
В составе бетоносмесительных установок преобразователи частоты EMD-VH управляют приводами планетарного смесителя и скипового подъемника. Векторный режим управления обеспечивает стабильный запуск электропривода без перегрузок. Наличие пошагового (программного) режима управления позволяет настроить алгоритм перемешивания продукта: скорость, чередование направлений, продолжительность работы.
Перемотка рулонных материалов: контроль натяжения полотна
Пример использования ПЧ ELHART EMD-VL для контроля натяжения полотна
В составе перемоточного оборудования ПЧ EMD-VL применяется для контроля разматывающего и наматывающего привода. Скорость разматывающего привода управляется при помощи ПЧ EMD-VL и задается контроллером управления в соответствии с диаметром рулона, который определяется датчиком расстояния microsonic mic+ и провисанием полотна (например, при помощи линейного потенциометра с шарнирным соединением OPKON LPC). Наматывающий привод, так же под управлением ПЧ EMD-VL, работает в режиме ограничения крутящего момента: обеспечивает плотность намотки рулона и защиту полотна от разрыва.
Технические характеристики векторных преобразователей EMD–V
| Напряжение питания | Выходное напряжение | Атикул | Мощность, кВт | Номинальный ток, А | Рекомендуемые параметры автоматического выключателя | |
| входной | выходной | |||||
| 1 ф / 220 В (170…240 В) 50 Гц | 3 ф / 220 В (0…220 В) 0…590 Гц | EMD-VL – 0004 S | 0,4 | 5,4 | 2,5 | 10 А |
| EMD-VL – 0007 S | 0,7 | 7,2 | 5 | 16 А | ||
| EMD-VL – 0015 S | 1,5 | 10 | 7 | 25 А | ||
| EMD-VL – 0022 S | 2,2 | 16 | 11 | 32 А | ||
| EMD-VL – 0037 S | 3,7 | 17 | 16,5 | 40 А | ||
| 3 ф / 380 В (330…440 В) 50/60 Гц | 3 ф / 380 В (0…380 В) 0…590 Гц | EMD-VL – 0004 T | 0,4 | 3,4 | 1,2 | 6 А |
| EMD-VL – 0007 T | 0,7 | 3,8 | 2,5 | 6 А | ||
| EMD-VL – 0015 T | 1,5 | 5 | 3,7 | 10 А | ||
| EMD-VL – 0022 T | 2,2 | 5,8 | 5,0 | 16 А | ||
| EMD-VL – 0037 T | 3,7 | 10 | 9 | 16 А | ||
| EMD-VL – 0055 T | 5,5 | 15 | 13 | 25 А | ||
| EMD-VH – 0075 T | 7,5 | 20 | 17 | 32 А | ||
| EMD-VH – 0110 T | 11 | 26 | 25 | 40 А | ||
| EMD-VH – 0150 T | 15 | 35 | 32 | 63 А | ||
| EMD-VH – 0185 T | 18,5 | 38 | 37 | 63 А | ||
| EMD-VH – 0220 T | 22 | 46 | 45 | 80 А | ||
| EMD-VH – 0300 T | 30 | 62 | 62 | 100 А | ||
| EMD-VH – 0370 T | 37 | 76 | 75 | 125 А | ||
| EMD-VH – 0450 T | 45 | 90 | 90 | 160 А | ||
| EMD-VH – 0550 T | 55 | 105 | 110 | 160 А | ||
| EMD-VH – 0750 T | 75 | 140 | 150 | 250 А | ||
| EMD-VH – 0900 T | 90 | 160 | 176 | 250 А | ||
| EMD-VH – 1100 T | 110 | 210 | 210 | 315 А | ||
| EMD-VH – 1320 T | 132 | 240 | 253 | 400 А | ||
| EMD-VH – 1600 T | 160 | 290 | 300 | 600 А | ||
| EMD-VH – 1850 T | 185 | 330 | 340 | 600 А | ||
| EMD-VH – 2200 T | 220 | 410 | 420 | 800 А | ||
| EMD-VH – 2500 T | 250 | 460 | 470 | 800 А | ||
| EMD-VH – 2800 T | 280 | 500 | 520 | 1 000 А | ||
| EMD-VH – 3150 T | 315 | 580 | 600 | 1 000 А | ||
| EMD-VH – 3500 T | 350 | 620 | 640 | 1 250 А | ||
| EMD-VH – 4000 T | 400 | 670 | 690 | 1 250 А | ||
| EMD-VH – 4500 T | 450 | 790 | 790 | 1 250 А | ||
| Параметр | Значение | |
| EMD-VL | EMD-VH | |
| Диапазон мощностей | 0,4 кВт…5,5 кВт | 7,5…450 кВт |
| Напряжение питания |
для моделей с однофазным питанием: 170…240 В, 50 / 60 Гц для моделей с трехфазным питанием: 330…440 В, 50 / 60 Гц |
330…440 В, 50 / 60 Гц |
| Выходное напряжение |
для моделей с однофазным питанием: 0…220 В для моделей с трехфазным питанием: 0…380 В |
0…380 В |
| Диапазон выходной частоты | 0…590 Гц | |
| Метод управления | U/f – Вольт-частотное управление SVC – Бездатчиковое векторное управление FVC – Векторное управление с ОС | |
| Частота ШИМ | 0,5…8 кГц (автоматическая подстройка под нагрузку) | |
| Дискретность задания частоты | Цифровое задание: 0,01 Гц Аналоговое задание: 0,025 % от максимальной частоты (P1.04) | |
| Пусковой момент | 150 % при 0,5 Гц (SVC) | |
| Управление моментом | Автоматическое увеличение момента в пределах 0,1…30,0 % от номинального момента | |
| Время разгона / торможения | 0,0…6500,0 сек | |
| Предустановленные скорости / программный режим | 16 скоростей / шагов | |
| ПИД-регулятор | Встроенный, с поддержкой ОС | |
| Счетчик импульсов | Встроенный, счет штук и партий | |
Характеристики управляющих сигналов
| Дискретные входы | 5 дискретных входов: NPN/PNP | 6 дискретных входов: NPN/PNP |
| Аналоговые входы | 1 аналоговый вход: 0…10 В / 4…20 мА | 2 аналоговых входа: 0…10 В / 4…20 мА |
| Дискретные выходы | 1 релейный выход: НО/НЗ 1 транзисторный выход: NPN | 2 релейных выхода: НО/НЗ 1 транзисторный выход: NPN |
| Аналоговые выходы | 1 аналоговый выход: 0…10 В / 4…20 мА | 2 аналоговых выхода: 0…10 В / 4…20 мА |
| Интерфейс связи | RS-485, протокол Modbus RTU (максимальная скорость передачи данных 115200 бит/сек) | |
| Источник задания выходной частоты | Пульт управления, аналоговый вход, импульсный вход, интерфейс связи RS-485, программный режим управления скоростью | |
Перегрузочная способность и защиты
| Перегрузочная способность | 150 % от номинального тока в течение 60 сек, 180 % от номинального тока в течение 3 сек |
| Защиты | Повышенное/пониженное напряжение, перегрузка по току |
Условия эксплуатации
| Класс защиты | IP20 |
| Температура окружающей среды | -10…+40 °С (без обмерзания) |
| Относительная влажность | Не более 95% (без образования конденсата) |
| Уровень вибрационных воздействий | Максимальная амплитуда ускорения 0,6g (5,9 м/сек2) |
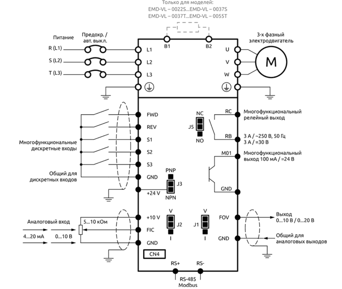
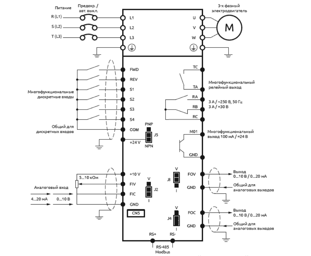
Схема подключения векторных преобразователей EMD–V
Схема подключения векторных преобразователей для моделей EMD-VL
Схема подключения векторных преобразователей для моделей EMD-VH
Габаритные размеры векторных преобразователей EMD–V
| Типоразмер | Артикул | Габаритные размеры, мм | Масса, кг | ||||||
| W | H | H1 | D | A | B | Ød | |||
| А | EMD-VL — 0004…0015 S | 72 | 142 | — | 127 | 130 | 61 | 4,5 | 0,9 |
| EMD-VL — 0007…0022 T | |||||||||
| EMD-VL — 0022…0037 S | 85 | 180 | — | 131 | 167 | 72 | 5,5 | 1,3 | |
| EMD-VL — 0037…0055 T | |||||||||
| В | EMD-VH — 0075…0110 T | 106 | 240 | — | 168 | 230 | 96 | 4,5 | 2,2 |
| EMD-VH — 0150…0220 T | 151 | 332 | — | 183 | 318 | 137 | 7 | 5,0 | |
| EMD-VH — 0300…0370 T | 217 | 400 | — | 216 | 385 | 202 | 7 | 10,0 | |
| С | EMD-VH — 0450…0750 T | 300 | 440 | 470 | 240 | 200 | 455 | 9 | 19,5 |
| EMD-VH — 0750…0110 T | 275 | 590 | 630 | 310 | 200 | 612 | 9 | 30,0 | |
| EMD-VH — 1320…1600 T | 400 | 675 | 715 | 310 | 320 | 695 | 11 | 50,0 | |
| D | EMD-VH — 1850…2200 T | 300 | 1445 | 1180 | 500 | 220 | 1135 | 13 | 80,0 |
| EMD-VH — 2500 T | 300 | 1595 | 1330 | 545 | 220 | 1275 | 13 | 80,0 | |
| Бренд |
|---|


