Измерители температуры многофункциональные ПРОМА-ИТМ-010
Для непрерывного измерения значений температуры терморезистивными или термоэлектрическими датчиками.
Используются для работы в системах автоматического контроля, регулирования и управления технологическими процессами в теплоэнергетике, системах вентиляции и других отраслях.
Цена: по запросу
Преимущества:
- Универсальный вход датчиков температуры.
- Трехпозиционное регулирование входной величины.
- Возможность программной настройки прибора в зависимости от применяемого первичного преобразователя и диапазона измеряемых температур.
Типы первичных преобразователей и диапазоны температур
| № диапазона |
Диапазон измерений, ºС |
Тип первичного преобразователя, номинальная стат. характеристика |
|---|---|---|
| 01 | -50 — + 50 | ТСМ50 W100 = 1,426 |
| 02 | -50 — + 100 | |
| 03 | -50 — + 150 | |
| 04 | 0 — + 150 | |
| 05 | 0 — + 200 | |
| 06 | -50 — + 50 | ТСМ50 W100 = 1,428 |
| 07 | -50 — + 100 | |
| 08 | -50 — + 150 | |
| 09 | 0 — + 150 | |
| 10 | 0 — + 200 | |
| 11 | -50 — + 50 | ТСМ100 W100 = 1,426 |
| 12 | -50 — + 100 | |
| 13 | -50 — + 150 | |
| 14 | -0 — + 150 | |
| 15 | 0 — + 200 | |
| 16 | -50 — + 50 | ТСМ100 W100 = 1,428 |
| 17 | -50 — + 100 | |
| 18 | -50 — + 150 | |
| 19 | 0 — + 150 | ТСМ100 W100 = 1,428 |
| 20 | 0 — + 200 | |
| 21 | 0 — + 300 | ТСП50 W100 = 1,3850 |
| 22 | 0 — + 400 | |
| 23 | 0 — + 600 | |
| 24 | 0 — + 300 | ТСП50 W100 = 1,3910 |
| 25 | 0 — + 400 | |
| 26 | 0 — + 600 | |
| 27 | 0 — + 300 | ТСП100 W100 = 1,3850 |
| 28 | 0 — + 400 | |
| 29 | 0 — + 300 | ТСП100 W100 = 1,3910 |
| 30 | 0 — + 400 | |
| 31 | 0 — + 600 | Термопара XK (L) – только для ПРОМА-ИТМ |
| 32 | 0 — + 800 | |
| 33 | 100 — + 500 | |
| 34 | 200 — + 600 | |
| 35 | 0 — + 800 | Термопара XA (K) – только для ПРОМА-ИТМ |
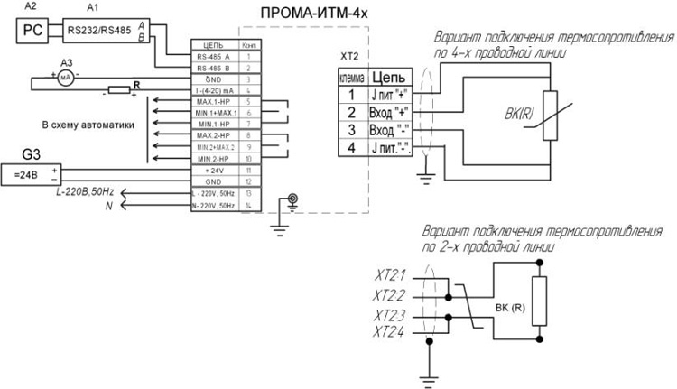
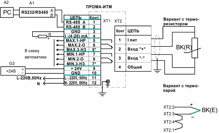
Схема внешних подключений
– ПРОМА-ИТМ-4Х
– ПРОМА-ИТМ
BK(E) – термопара , подключать компенсационными проводами.
BK(R) – термометр сопротивления , подключать медными проводами с сечением от 0,5 до 1,5 мм².
R – нагрузка токового выхода (суммарная – не более 500 Ом).
А1 – преобразователь интерфейса RS-232 / RS-485 c гальванической развязкой типа ADAM-4520.
А2 – ПЭВМ РС с программным обеспечением для SCADA системы.
G3 – источники постоянного тока 24В с допустимым током 0,2А на один прибор.


