Фотодатчик взрывозащищенный ФДС-03-С-Ex
Для контроля наличия пламени горелки в топках котлоагрегатов, технологических установок и выдачи сигналов наличия/отсутствия пламени в схемы контроля и защиты установок. Обеспечивает МАКСИМАЛЬНУЮ селективность наличия/отсутствия пламени основных и пилотных горелок печей.
Вид топлива – газ/мазут.
Цена: по запросу
Отправьте заявку
0
людей смотрят этот товар прямо сейчас
Принципиально новая версия датчиков контроля пламени горелок для нефтехимических производств.
Технические характеристики ФДС-03-С-Ex
| Выходной сигнал | Оптоэлетронное реле Токовый аналоговый сигнал 4-20 мА |
| Допустимая нагрузка | 100 мА при 30 В постоянного тока; от 1 до 500 Ом |
| Время срабатывания (регулируемое, настраивается в меню), с — при появлении пламени — при погасании пламени |
0-5 0-5 |
| Питание, постоянный ток, В | от 24 В ± 2,4 В |
| Максимальный потребляемый ток, мА | 100 |
| Сигнализация о наличии контролируемого пламени горелки | индикатор светодиодный и цифровой 2 группы переключающихся контактов оптоэлектронного реле |
| Температура окружающего воздуха, °С | — 50 до + 60 |
| Степень защиты по ГОСТ 14254–96 | IP65 |
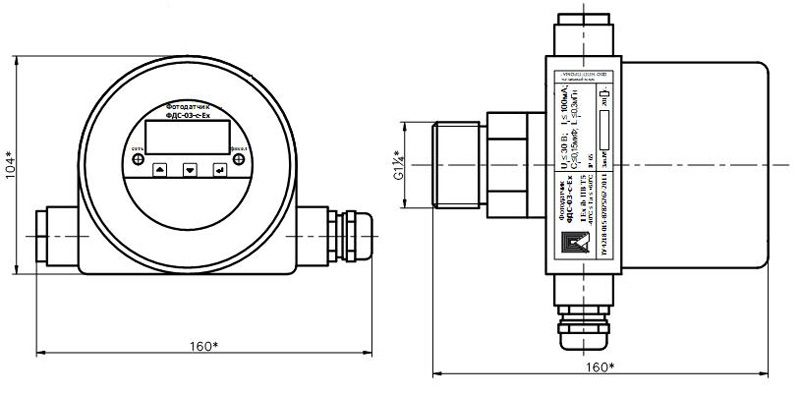
| Габаритные размеры: мм ширина х высота х глубина | 160х104х160 |
| Масса прибора, кг | 1,5 |


