E-V81-G Частотные преобразователи ERMAN (0.75-400кВт) для точного управления
Область применения
Электроприводы как с высокоинерционной, так и с динамически изменяющейся нагрузкой. Электроприводы, требующие точного управления с высокой скоростью реагирования на изменение нагрузки
В серии представлены преобразователи частоты номинальной мощностью от 0,75 до 400 кВт.
Цена: по запросу
Преобразователи частоты серии E-V81 применяются для трехфазных электродвигателей. Электроприводы как с высокоинерционной, так и с динамически изменяющейся нагрузкой. Электроприводы, требующие точного управления с высокой скоростью реагирования на изменение нагрузки.
Благодаря современному алгоритму пространственно-векторного управления, частотный преобразователь для электродвигателя серии E-V81 не требует использования датчиков скорости и положения ротора, для бездатчикового метода управления двигателем, что позволяет их применять во многих отраслях промышленности.
Область применения
Электроприводы как с высокоинерционной, так и с динамически изменяющейся нагрузкой. Электроприводы, требующие точного управления с высокой скоростью реагирования на изменение нагрузки.
Основные особенности
- Благодаря современному алгоритму пространственно-векторного управления, частотный преобразователь (ПЧ) для электродвигателя серии E-V81 не требует использования датчиков скорости и положения ротора, для бездатчикового метода управления двигателем, что позволяет их применять во многих отраслях промышленности.
- Функция автоматической компенсации пускового крутящего момента электродвигателя в ПЧ серии E-V81 позволяет получать высокий пусковой момент двигателя и компенсировать его скольжение при запуске. Преобразователь адаптируется к параметрам нагрузки, выдерживая высокую точность управления приводом.
- Множество режимов удовлетворят самым взыскательным требованиям к возможностям удаленного мониторинга и управления электроприводом.
- Преобразователи серии E-V81 содержат встроенный ПИД-регулятор для задания требуемой характеристики автоматического управления электроприводом. Предустановленные режимы обеспечивают эффективную работу двигателя.
- ПЧ имеет режим управления, позволяющий ему входить в состояние «сна» с остановом электродвигателя при выводе величины за установленный порог и автоматически «просыпаться» при выходе значения величины ниже установленного порога.
- Опциональная плата подключения импульсного энкодера для обратной связи по оборотам двигателя позволяет достичь большей точности управления, расширить динамический диапазон и снизить время реакции электропривода (при установке датчика частоты вращения).
- Встроенная функция автоматического энергосберегающего управления двигателем оптимизирует коэффициент мощности электродвигателя и выбирает режимы с максимальным КПД.
- Встроенный ПЛК предоставляет широкие возможности управления электроприводом.
- Опциональные платы последовательных интерфейсов RS-485/CAN/ с протоколами MODBUS/CANlink/Profibus-DP позволяет интегрировать преобразователь в систему централизованного управления и сбора данных.
- Частотный преобразователь легко устанавливается.
Характеристики
| Свойство | Значение | |||||||||||||||
| Выход | 220В | Максимальная мощность применяемого двигателя, кВт | 0,75 | 1,5 | 2,2 | — | — | — | — | — | — | — | — | — | — | — |
| Номинальный выходной ток при 100% нагрузки, А | 4,0 | 7,0 | 10,0 | — | — | — | — | — | — | — | — | — | — | — | ||
| 380В | Максимальная мощность применяемого двигателя, кВт | 0,75 | 1,5 | 2,2 | 3,7 | 5,5 | 7,5 | 11 | 15 | 18,5 | 22 | 30 | 37 | 45 | 55 | |
| Номинальный выходной ток при 100% нагрузки, А | 2,6 | 3,7 | 5,1 | 8,5 | 13 | 16 | 25 | 32 | 38 | 45 | 60 | 75 | 90 | 110 | ||
| Максимальная мощность применяемого двигателя, кВт | 75 | 93 | 110 | 132 | 160 | 200 | 220 | 250 | 280 | 315 | 355 | 400 | 450 | — | ||
| Номинальный выходной ток при 100% нагрузки, А | 150 | 170 | 210 | 250 | 300 | 380 | 415 | 470 | 520 | 600 | 650 | 725 | 815 | — | ||
| Перегрузка по току | 150% — номинального тока в течение 2 минут, 180% — номинального тока в течение 3 секунд | |||||||||||||||
| Питание | Номинальное входное напряжение (В) и частота (Гц) |
однофазное 220В (+10% ÷ -15%) 50/60Гц (±5%) |
||||||||||||||
| Характеристики тракта управленния | Способ управления | Панель оператора с LED индикатором | ||||||||||||||
| Режимы управления нагрузкой | Синусоидальная широтно-импульсная модуляция | |||||||||||||||
| Диапазон выходной частоты | 0,1 ÷ 400Гц | |||||||||||||||
| Точность удержания частоты |
0,5% при векторном управлении без датчика оборотов |
|||||||||||||||
| Точность установки частоты | При цифровом управлении 0.01Гц (-10ºC ÷ +40ºC); При аналоговом управлении 0.1Гц (+15ºC ÷ +35ºC). |
|||||||||||||||
| Шаг установки выходной частоты | 0.01Гц | |||||||||||||||
| Входы задания частоты | 0 ÷ +10В (22 кОм), 4 ÷ 20мА (500 Ом), импульсный вход | |||||||||||||||
| Время разгона/замедления | 0.1 ÷ 6000 сек (время разгона и замедления устанавливаются раздельно) | |||||||||||||||
| Тормозной момент |
20% от номинального момента двигателя |
|||||||||||||||
| Зависимости V/F | Линейная, многоточечная, квадратичная | |||||||||||||||
| Основные функции управления | Перезапуск при отказе сетевого питания ПИД-регулирование Автоматическая компенсация крутящего момента и скольжения Управление с пульта, с дискретных входов, от последовательного порта RS-485 с протоколом MODBUS ПИД-регулятор Пять виртуальных групп цифровых входов/выходов Управление от аналоговых входов по току и напряжению Управление от энкодера Управление от встроенного таймера от 0 до 6500 минут Управление двумя двигателями (опционально – до семи двигателей) Два цифровых, один релейный, один аналоговый выход. Два аналоговых входа. |
|||||||||||||||
| Дополнительные функции | Счетчик времени наработки преобразователя Счетчик времени наработки двигателя Протокол отказов и предупреждений Протокол режимов работы Настраиваемый режим энергосбережения Выходные интерфейсы |
|||||||||||||||
| Функции защиты | Автоматическая регулировка напряжения Ограничение рабочего напряжения/тока при перегрузках Ограничение мгновенного тока Ограничение и управление крутящим моментом Защита от обрыва заземления, прерывания электропитания Защита от КЗ в нагрузке, от перегрузки по напряжению и току Защита от пониженного напряжения, от потери фазы на входе/выходе Тепловая защита |
|||||||||||||||
| Параметры окружающей среды | Рабочая температура | -10 ºC ÷ +40 ºC | ||||||||||||||
| Температура хранения | -20 ºC ÷ +60 ºC | |||||||||||||||
| Влажность | Не более 95% (без образования конденсата) | |||||||||||||||
| Установка | Высота над уровнем моря не более 1000м, изоляция от пыли, прямых солнечных лучей, агрессивных газов и паров | |||||||||||||||
| Вибрация | ускорение не более 5,9 м/с2. (0,6g) | |||||||||||||||
| Исполнение | IP20 | |||||||||||||||
| Способ охлаждения | Принудительное воздушное (электровентилятор) | |||||||||||||||
Пример обозначения при заказе:
| E | V81 | G/P | 011 | T4 | B |
| Артикул изделия | Артикул серии | Тип нагрузки | Максимальная мощность электродвигателя | Класс номинального входного напряжения | Опции |
| E | V81 | G – с постоянным моментом Р – насос, вентилятор |
0R4 : 0,4кВт 1R5 : 1,5кВт 2R2 : 2,2 кВт 3R7 : 3,7 кВт 011 : 11 кВт … 450 : 450 кВт |
S2: 220 В |
Пустое поле: стандартное исполнение В: с функцией торможения (встроенный тормозной блок) |
Передняя панель
| Индикатор | Режим работы | Описание |
| RUN
Индикатор состояния |
Включен | РАБОТА |
| Выключен | ОСТАНОВ | |
| FWD/REV
Индикатор работы |
Включен | Работа вперед |
| Выключен | Работа назад | |
| TUNE/TC
Индикатор состояния |
Включен | УПРАВЛЕНИЕ |
| Редко мигает | НАСТРОЙКА | |
| Часто мигает | НЕИСПРАВНОСТЬ | |
| Hz / A / V
Индикаторы единиц измерения |
Hz | Частота, Герц |
| A | Ток, Ампер | |
| V | Напряжение, Вольт | |
| RPM(Hsia) | Скорость вращения вала двигателя, об/мин | |
| %(A+V) | Ток в процентах | |
| LOCAL/REMOT
Индикатор источника управления |
Включен | Управление от клемм |
| Выключен | Управление от пульта | |
| Мигает | Дистанционное управление | |
| Цифровой дисплей | 5-значный светодиодный дисплей для отображения установленной частоты, выходной частоты, различных данных для мониторинга, коды аварийных сообщений. | |
| Клавиша | Описание |
| PRG | Клавиша программирования Переход к главному меню или выход из режима программирования. |
| >>/SHIFT | Клавиша выбора Используется для выбора отображаемого параметра, параметры отображаются по кругу. При изменении значения параметра этой кнопкой выбирают разряд индикатора, который необходимо изменить. |
| PRG + >>/SHIFT | Выбор кода при программировании, переход к различным режимам меню в соответствии со значением РР.03 (по умолчанию режим функциональных параметров) |
| ENTER | Кнопка подтверждения
|
| ∧ | Кнопка «УВЕЛИЧИТЬ» Увеличение вводимых данных или функционального кода |
| ∨ | Кнопка «УМЕНЬШИТЬ» Уменьшение вводимых данных или функционального кода |
| MFK/REV | Многофункциональная кнопка выбора. |
| RUN | Кнопка РАБОТА Используется для запуска преобразователя в работу от пульта управления. |
| STOP / RESET | Кнопка СТОП/ПЕРЕЗАПУСК В состоянии РАБОТА нажатием этой кнопки производят остановку работы ПЧ. В аварийном состоянии этой кнопкой перезапускают систему. Характеристики этой кнопки ограничиваются функциональным кодом P7.02. |
| Потенциометр | Предназначен для линейного задания частоты |
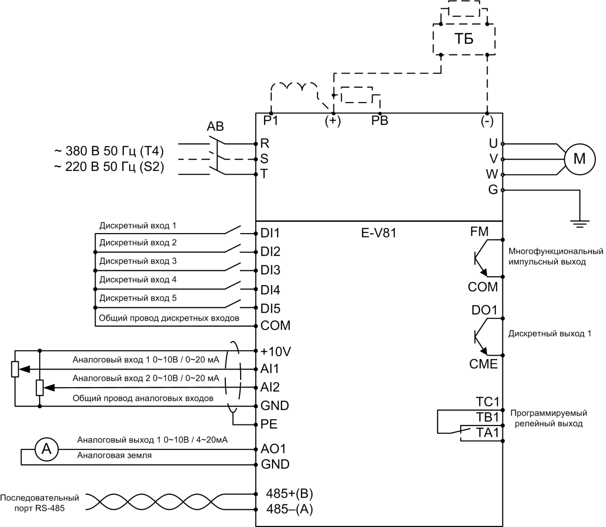
Схема подключения
| Классификация | Клемма | Назначение, функция сигнала |
| Входы электропитания | R, S, T | Ввод питания трехфазного ПЧ, ~ 380 В 50 Гц. Для модели с однофазным питанием 220В 50 Гц – подключение производится к клеммам R и T |
| U, V, W | Выходы ПЧ для подключения двигателя | |
| P1, (+) | Клеммы для подключения дросселя звена постоянного тока, удалите замыкающую перемычку | |
| (+), (-) | Клеммы для подключения внешнего тормозного блока | |
| (+), PB | Клеммы для подключения внешнего тормозного резистора | |
| G | Клемма заземления | |
| Дискретные входы | DI1 | Программируемые гальванически развязанные двухполярные дискретные входы с Rвх=4,7 кОм, Uвх=9…30В :
|
| DI2 | ||
| DI3 | ||
| DI4 | ||
| DI5 | Импульсный вход датчика оборотов двигателя | |
| COM | Общий контакт для дискретных входов | |
| Аналоговые входные сигналы | E | Контакт заземления |
| V10 | Выход напряжения 10В для питания цепей аналоговых | |
| AI1 | Сигнал задания частоты напряжением 0…10 В | |
| AI2 | Сигнал задания частоты током 4…20 мА | |
| GND | Общий контакт для аналоговых входов | |
| Аналоговый выходной сигнал | АО1 | Многофункциональный аналоговый выход:
|
| Дискретный выход 1 | DO1-CME | Программируемый гальванически развязанный биполярный дискретный выход типа «открытый коллектор» 24В, 50 мА |
| Импульсный выход | FM-COM | Программируемый гальванически развязанный биполярный дискретный выход типа «открытый коллектор» 24В, 50 мА. или гальванически развязанный импульсный выход, частота до 100 кГц. |
| Релейный выход | ТА1-ТС1 | Нормально разомкнутый контакт |
| ТВ1-ТС1 | Нормально замкнутый контакт | |
| Последовательный интерфейс RS-485 | 485+ | Отрицательный провод RS-485 (А) |
| 485- | Положительный провод RS-485 (B) | |
| Заземление | PE | PE — контакт заземления для подключения экранов сигнальных кабелей. |
Габаритные размеры
Настенное исполнение
| Напряжение питания | Модель | Габаритные размеры | Установочные размеры | Масса | Изображение | Типоразмер | Примечание | |||||||
| W | D | H | W1 | H1 | d | H2 | D2 | брутто, кг | нетто, кг | |||||
| S2(220B) | E-V81G-0R4~2R2S2B | 125 | 167 | 186 | 113 | 172 | 5 | — | 167 | 2,5 | 1,7 | Рис. 1 | 1F2 | Встр. тормозной блок Без дросселя |
| T4(380B) | E-V81G-0R7~2R2T4B | 125 | 167 | 186 | 113 | 172 | 5 | — | 167 | 2,5 | 1,7 | Рис. 1 | 1F4 | Встр. тормозной блок Без дросселя |
| E-V81G-3R7~5R5T4B E-V81P-5R5~7R5T4B |
160 | 204 | 248 | 148 | 236 | 5 | — | 204 | 4 | 3,3 | Рис. 1 | 2F4 | Встр. тормозной блок Без дросселя |
|
| E-V81G-7R5~015T4B E-V81P-011 ~018T4B |
208 | 190 | 320 | 190 | 305 | 7 | — | 190 | 7 | 6,5 | Рис. 1 | 3F4 | Встр. тормозной блок Без дросселя |
|
| E-V81G-018~022T4 E-V81P-022~030T4 |
241 | 223 | 421 | 180 | 410 | 8 | 396 | 165 | 15 | 14 | Рис. 2 | 4F4 | Без дросселя | |
| E-V81G-030~037T4 E-V81P-037~045T4 |
286 | 246 | 476 | 180 | 466 | 8 | 451 | 190 | 30 | 28 | Рис. 2 | 5F4 | Без дросселя | |
| E-V81G-045~055T4 E-V81P-055~075T4 |
385 | 265 | 600 | 260 | 580 | 10 | 550 | 265 | 48 | 41 | Рис. 3 | 6F4 | Без дросселя | |
| E-V81G-075~093T4 E-V81P-093~110T4 |
438 | 295 | 711 | 343 | 678 | 10 | 650 | 295 | 67 | 55 | Рис. 3 | 7F4 | Без дросселя | |
| E-V81G-110~0180T4 E-V81P-132~200T4 |
520 | 340 | 930 | 450 | 900 | 12 | 860 | 247 | 104 | 82 | Рис. 3 | 8F4 | Без дросселя | |
| E-V81G-200~280T4 E-V81P-220~315T4 |
608 | 379 | 1153 | 420 | 1120 | 12 | 1082 | 265 | 164 | 134 | Рис. 3 | 9F4 | Без дросселя | |
| E-V81G-315~400T4 E-V81P-355~450T4 |
780 | 400 | 1290 | 520 | 1260 | 16 | 1200 | 262 | 219 | 184 | Рис. 3 | 10F4 | Без дросселя | |
Напольное исполнение
| Напряжение питания | Модель | Габаритные размеры | Установочные размеры | Масса | Изображение | Типоразмер | Примечание | |||||||
| W | D | H | W1 | H1 | d | H2 | D2 | брутто, кг | нетто, кг | |||||
| T4(380B) | E-V81G-075~093T4C E-V81P-093~110T4C |
423 | 270 | 1000 | 355 | 235 | 11 | 320 | — | 92 | 80 | Рис. 4 | 11F4 | Без дросселя |
| E-V81G-110~160T4C E-V81P-132~200T4C |
520 | 312 | 1200 | 405 | 257 | 13 | 340 | — | 144 | 122 | Рис. 4 | 12F4 | Без дросселя | |
| E-V81G-200~280T4C E-V81P-220~315T4C |
608 | 350 | 1563 | 480 | 280 | 13 | 450 | — | 214 | 184 | Рис. 4 | 13F4 | Без дросселя | |
| E-V81G-315~400T4C E-V81P-355~450T4C |
780 | 370 | 1695 | 650 | 305 | 16 | 450 | — | 294 | 259 | Рис. 4 | 14F4 | Без дросселя | |
Вы можете купить частотный преобразователь ERMAN (Эрман) E-V81-G в Перми в компании БРИКО Автоматик г. Пермь
| Вариант |
E-V81G-0R7S2 — 0,75 кВт, 4 А, 220В ERMAN ,E-V81G-1R5S2 — 1,5 кВт, 7 А, 220В ERMAN ,E-V81G-2R2S2 — 2,2 кВт, 10 А, 220В ERMAN ,E-V81G-0R7T4 — 0,75 кВт, 2,5 А, 380В ERMAN ,E-V81G-1R5T4 — 1,5 кВт, 3,7 А, 380В ERMAN ,E-V81G-2R2T4 — 2,2 кВт, 5,1 А, 380В ERMAN ,E-V81G-3R7T4 — 3,7 кВт, 8,5 А, 380В ERMAN ,E-V81G-5R5T4 — 5,5 кВт, 13 А, 380В ERMAN ,E-V81G-7R5T4 — 7,5 кВт, 16 А, 380В ERMAN ,E-V81G-011T4 — 11 кВт, 25 А, 380В ERMAN ,E-V81G-015T4 — 15 кВт, 32 А, 380В ERMAN ,E-V81G-018T4 — 18,5 кВт, 38 А, 380В ERMAN ,E-V81G-022T4 — 22 кВт, 45 А, 380В ERMAN ,E-V81G-030T4 — 30 кВт, 60 А, 380В ERMAN ,E-V81G-037T4 — 37 кВт, 75 А, 380В ERMAN ,E-V81G-045T4 — 45 кВт, 90 А, 380В ERMAN ,E-V81G-055T4 — 55 кВт, 110 А, 380В ERMAN ,E-V81G-075T4 — 75 кВт, 150 А, 380В ERMAN ,E-V81G-093T4 — 93 кВт, 170 А, 380В ERMAN ,E-V81G-110T4 — 110 кВт, 210 А, 380В ERMAN ,E-V81G-132T4 — 132 кВт, 250 А, 380В ERMAN ,E-V81G-160T4 — 160 кВт, 300 А, 380В ERMAN ,E-V81G-200T4 — 200 кВт, 380 А, 380В ERMAN ,E-V81G-220T4 — 220 кВт, 415 А, 380В ERMAN ,E-V81G-250T4 — 250 кВт, 470 А, 380В ERMAN ,E-V81G-280T4 — 280 кВт, 520 А, 380В ERMAN ,E-V81G-315T4 — 315 кВт, 600 А, 380В ERMAN ,E-V81G-355T4 — 355 кВт, 650 А, 380В ERMAN ,E-V81G-400T4 — 400 кВт, 725 А, 380В ERMAN |
|---|---|
| Бренд |






