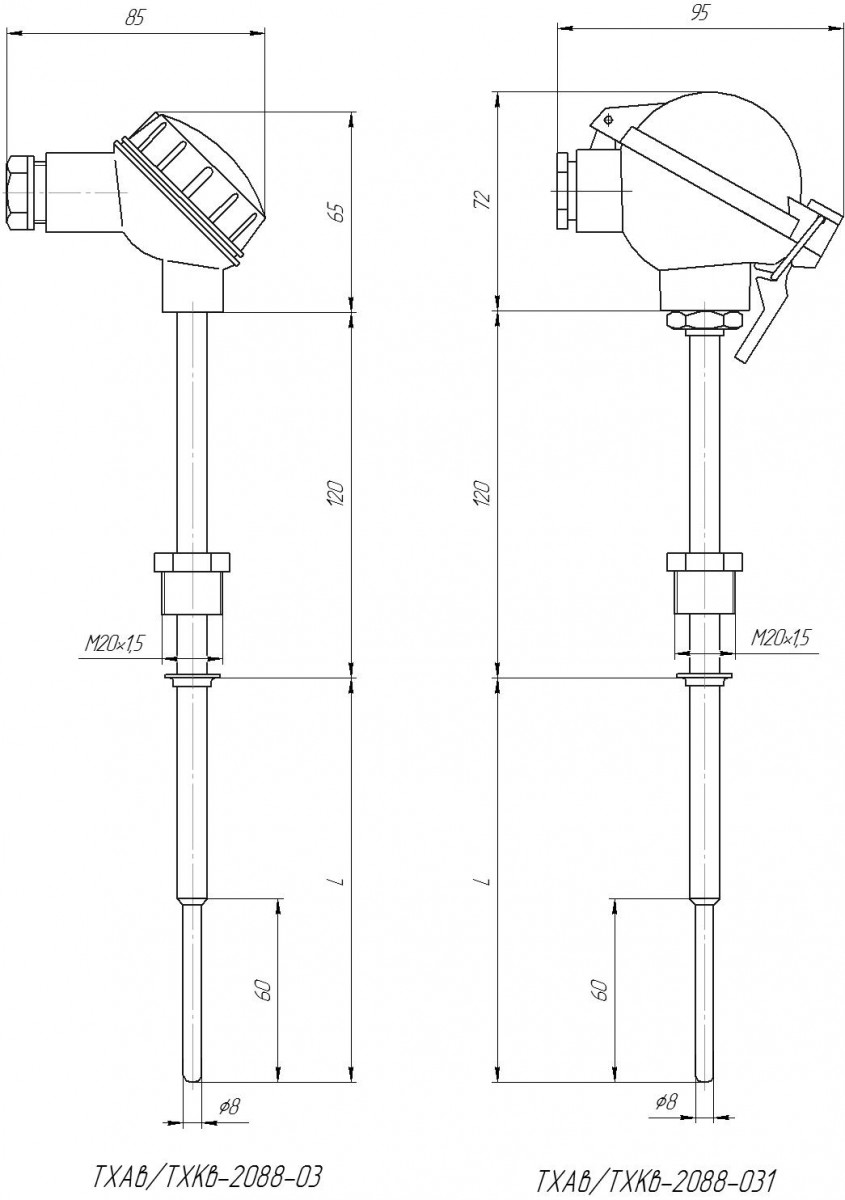
Датчик температуры ТХАВ/ТХКВ-2088-03, -031 Термопара
Цена: по запросу
Область применения
Погружные малоинерционные термопреобразователи общего назначения.
Конструктивные особенности
- ТХАв/ТХКв-2088-03: защитная арматура со штуцером М20×1,5 с утонением в зоне измерения; материал клеммной головки – фенопласт;
- ТХАв/ТХКв-2088-031: то же, что и ТХАв/ТХКв-2088-03, но головка из алюминиевого сплава.
Номинальное давление
Монтажные элементы рассчитаны на PN= 6,3 МПа.
Диапазоны измерения
|
Тип термопары |
Материал защитной арматуры |
Диапазон рабочих температур, °С |
Номинальная температура применения, °С |
|
К |
С10 |
от -40 до 800 |
600 |
|
С13 |
от -40 до 900 |
700 |
|
|
Т18 |
от -40 до 1000 |
800 |
|
|
Т45 |
от -40 до 1100 |
800 |
|
|
L |
С10, С13 |
от -40 до 600 |
450 |
Технические характеристики
|
Модификация |
Количество чувствительных элементов и вид рабочего спая |
Показатель тепловой инерции, с, не более |
Длина монтажной части, L, мм |
|
ТХАв/ТХКв-2088-03, ТХАв/ТХКв-2088-031 |
1И, 2И |
15 |
120,160, 200, 250, 320, 400, 500, 630, 800, 1000 |
|
Пример обозначения при заказе |
||||||||||
| ТХАв-2088-03 |
– |
400 |
– |
1 |
– |
1 |
– |
1 |
– |
С10 |
|
1 |
|
2 |
|
3 |
|
4 |
|
5 |
|
6 |
- Тип и модификация термопреобразователя;
- Длина монтажной части, L;
- Класс допуска: 1 или 2;
- Изоляция рабочего спая: «1» — изолированный;
- Количество рабочих спаев: 1 или 2;
- Материал защитной арматуры
