Датчик провисания конвейерной ленты INNOLevel BWS
Датчик провисания конвейерной ленты, IP67, 250/125 VAC, 10 A, -40…+75С, 2 релейных выхода
—————————————————
Датчик BWS предназначен для контроля рабочего процесса ленточного конвейера и служит для предотвращения его повреждения в результате перегруза.
Цена: по запросу
Варианты
IL-BWS корпус алюминий
IL-BWS-SS корпус нерж. сталь
Принцип действия
При провисании конвейерной ленты, являющимся следствием перегруза, лента конвейера воздействует на ролик датчика, датчик выдает сигнал на аварийное отключение конвейера, предотвращая тем самым повреждение ленты или элементов конвейера.
- Пыле- и влагонепроницаемый корпус, материал – алюминий, IP 67
- Отключение системы при наклоне рычага под углом 35°
- Применение датчиков BWS обеспечивает снижение времени простоя оборудования, имущественного ущерба и расходов, связанных с заменой поврежденной ленты конвейера
- Опционально коррозионностойкое исполнение из нержавеющей стали SUS304
Характеристики
|
Корпус |
Алюминий, IP67 |
|
Температура процесса |
-40°С … +75°С |
|
Усилие |
70-80 Н*м |
|
Коммутационные характеристики |
10A, 125/250VAC |
|
Масса |
~2,0 кг (для стандартного исполнения) ~2,5 кг (для коррозионностойкого исполнения) |
Применение
- Стандартные ленточные конвейеры
- Упаковочные линии
- Системы штабелирования, подъемные краны, погрузочные машины, экскаваторы
- Системы погрузки / разгрузки судов
- Ограничитель хода, рассчитанный на работу в тяжелых условиях
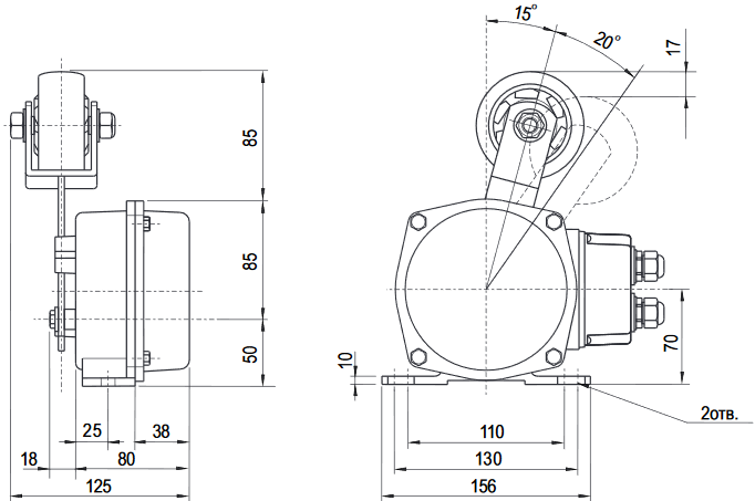
Размеры(мм)/Материалы
| Стандартное исполнение | Коррозионностойкое исполнение |
![]() |
![]() |
![]() |
![]() |
Принцип работы
Контактный ролик размещен на подпружиненном рычаге, находящимся под углом 15° относительно вертикальной оси датчика. В случае возникновения перегруза на конвейерной ленте либо ее провисания, поверхность ленты входит во взаимодействие с роликом, смещая его положение относительно стандартного состояния и изменяя угол положения подпружиненного рычага. При этом состояние датчика восстанавливается автоматически под действием пружины, когда лента возвращается к нормальному рабочему положению.
Датчик BWS снабжен двумя микровыключателями, приводящимися в действие при провисании ленты более чем на 17 мм относительно нормального положения.
Электрические характеристики
| Электросоединение | Кабельный ввод М20х1,5 — 2шт для стандартного исполнения Кабель ПВХ, 500 мм для коррозионностойкого исполнения |
| Выходной сигнал | 10 A, 250 В перем.тока, 2 релейных выхода |
| Сопротивление изоляции | свыше 100 МОм |
| Диэлектрическая прочность | 2000 VAC в течение 1 мин. |
Механические характеристики
| Корпус | Алюминий, порошковое покрытие, желтый для стандартного исполнения Нержавеющая сталь SUS304 для коррозионностойкого исполнения |
| Класс защиты корпуса | IP 67 |
| Материал контактного ролика | Нержавеющая сталь SUS304 |
| Усилие | 70-80 Н*м |
| Способ восстановления | Автоматический |
| Общий вес | ~ 2,0 кг (для стандартного исполнения) ~ 2,5 кг (для коррозионностойкого исполнения) |
Условия функционирования
| Температура окружающей среды | -40…+75°C |
| Относительная влажность | 0…100% |
| Частота срабатывания | до 20/мин |
| Ресурс | свыше 1 млн. срабатываний |
Выходной сигнал
![]() |
1. В свободном состоянии ось рычага находится под углом 15° к вертикальной оси датчика, замкнуты контакты 1 и 3 первого и 4 и 6второго микровыключателей. |
![]() |
2. При отклонении ролика на угол 35° или больше, на первом микровыключателе размыкаются контакты 1 и 3 и замыкаются контакты 1 и 2. При этом на втором микровыключателе размыкаются контакты 4 и 6 и замыкаются контакты 4 и 5. Обратное переключение происходит, когда угол наклона ролика становится меньше 35°. |
Электрическое соединение
| Клеммная колодка (стандартное исполнение) | Кабель (коррозионностойкое исполнение) |
![]() |
![]() |
Монтаж
Обслуживание
Обязательно проводите очистку датчика, когда контактный ролик загрязнен.
Вы можете купить Датчик провисания конвейерной ленты INNOLevel BWS в Перми в компании БРИКО Автоматик г. Пермь
| Вариант |
IL-BWS корпус алюминий ,IL-BWS-SS корпус нерж. сталь |
|---|---|
| Бренд |









