Датчик контроля схода ленты INNOLevel BMS-N
Датчик контроля схода ленты, IP67, 250/125VAC, 10A, -40…+75С, 2 релейныхвыхода, материал контактного ролика — нерж. сталь
——————————————————————————————
Устройство предназначено для контроля рабочего процесса в потенциально опасных условиях для активации аварийного сигнала при смещении транспортерной ленты.
Цена: по запросу
Датчик смещения транспортерной ленты предотвращает повреждение или сход ленты.
IL-BMS-N корпус алюминий
IL-BMS-SS корпус нерж. сталь
Принцип действия
Датчик BMS-N предназначен для контроля рабочего процесса ленточного конвейера. При отклонении конвейерной ленты от продольного направления датчик выдает сигнал на аварийное отключение конвейера, предотвращая тем самым повреждение ленты в результате смещения или соскакивания. Датчики BMS-N обычно устанавливаются в паре — с обеих сторон конвейерной ленты.
- Простота монтажа, надежная защита от внешних воздействий.
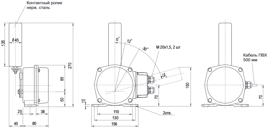
- Рычаг с контактным роликом из нержавеющей стали может отклоняться относительно вертикальной оси до 75°.
- Пыле- и влагонепроницаемый корпус, материал – алюминий, IP 67.
- Угол срабатывания рычага ролика составляет 12° для подачи аварийного сигнала и 30° для выключения конвейера.
- Применение датчиков BMS-N обеспечивает снижение времени простоя оборудования, имущественного ущерба и расходов, связанных с заменой поврежденной ленты конвейера.
- Опционально коррозионностойкое исполнение из нержавеющей стали SUS304.
Характеристики
|
Корпус |
Алюминий, IP67 |
|
Температура процесса |
-40°С … +75°С |
|
Усилие |
3,4…5,4Н*м (0,35…0,55кгс*м) |
|
Коммутационные характеристики |
10A, 125/250VAC |
|
Масса |
~2,5 кг (для стандартного исполнения) ~3,0 кг (для коррозионностойкого исполнения) |
Применение
- Стандартные ленточные конвейеры
- Рудничные, подвешиваемые на канатах ленточные конвейеры
- Отвальные / складские конвейеры
- Системы погрузки / разгрузки судов
- Челночные и реверсивные конвейеры
- Указатель предельного положения стрелы крана / экскаватора
- Ленточные питатели и конвейеры
- Ограничитель хода, рассчитанный на работу в тяжелых условиях
Размеры(мм)/Материалы
| Стандартное исполнение | Коррозионностойкое исполнение |
![]() |
![]() |
![]() |
|
Принцип работы
При штатной работе конвейера контактный ролик не вступает во взаимодействие с конвейерной лентой. В случае если поперечное смещение конвейерной ленты превышает установленное ограничение, край ленты оказывает воздействие на контактный ролик, отводя его от вертикального положения. При этом состояние датчика восстанавливается автоматически под действием пружины, когда лента возвращается к нормальному соосному положению. Датчик BMS-N снабжен двумя микровыключателями, приводящимися в действие кулачками при отклонении ленты от соосного направления в двух контрольных точках.
Электрические характеристики
| Электросоединение | Кабельный ввод М20х1,5 — 2шт для стандартного исполнения Кабель ПВХ, 500 мм для коррозионностойкого исполнения |
| Выходной сигнал | 10 A, 250 В перем.тока, 2 релейных выхода |
| Сопротивление изоляции | свыше 100 МОм |
| Диэлектрическая прочность | 2000 VAC в течение 1 мин. |
Механические характеристики
| Корпус | Алюминий, порошковое покрытие, желтый для стандартного исполнения Нержавеющая сталь SUS304 для коррозионностойкого исполнения |
| Класс защиты корпуса | IP 67 |
| Материал контактного ролика |
Нержавеющая сталь SUS304 |
| Усилие | 70-80 Н*м |
| Способ восстановления | Автоматический |
| Общий вес | ~ 2,5 кг (для стандартного исполнения) ~ 3,0 кг (для коррозионностойкого исполнения) |
Условия функционирования
| Температура окружающей среды | -40…+75°C |
| Относительная влажность | 0…100% |
| Частота срабатывания | до 20/мин |
| Ресурс | свыше 1 млн. срабатываний |
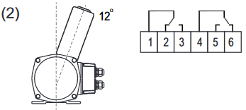
Выходной сигнал
![]() |
1. В свободном состоянии ось ролика направлена вертикально, замкнуты контакты 1 и 3 первого и 4 и 6 второго микровыключателей. |
![]() |
2. При отклонении ролика на угол 12° или больше, на первом микровыключателе размыкаются контакты 1 и 3 и замыкаются контакты 1 и 2. Обратное переключение происходит когда угол наклона ролика меньше 12°. Состояние второго микровыключетеля не изменилось, замкнуты контакты 4 и 6. |
![]() |
3. При отклонении ролика на угол 30° или больше, на втором микровыключателе размыкаются контакты 4 и 6 и замыкаются контакты 4 и 5. Обратное переключение происходит когда угол наклона ролика меньше 30°. Состояние первого микровыключетеля не изменилось, замкнуты контакты 1 и 2. |
Электрическое соединение
| Клеммная колодка (стандартное исполнение) | Кабель (коррозионностойкое исполнение) |
![]() |
![]() |
Монтаж
Обслуживание
Обязательно проводите очистку датчика, когда контактный ролик загрязнен.
Вы можете купить Датчик контроля схода ленты INNOLevel BMS-N в Перми в компании БРИКО Автоматик г. Пермь
| Вариант |
IL-BMS-N корпус алюминий ,IL-BMS-SS корпус нерж. сталь |
|---|---|
| Бренд |









