Датчик остановки конвейера INNOLevel RES-N
Датчик остановки конвейера, IP67, 250/125 VAC, 10 A, -40…+75С, 2 релейных выхода
————————————————
Тросовый датчик остановки конвейера создан специально для отключения питания транспортерной системы при аварийных условиях.
Цена: по запросу
Варианты
IL-RES-N корпус алюминий
IL-RES-SS корпус нерж. сталь
Принцип работы
Датчик остановки конвейера RES-N предназначен для отключения подачи питания на конвейер и прочее оборудование в аварийных ситуациях, приводится в действие металлическим тросом, протянутым вдоль конвейера. При воздействии на трос в любой точке на всем протяжении конвейера выключатель выдает сигнал на аварийное отключение конвейера.
- Универсальная конструкция двунаправленного действия.
- Пыле- и влагонепроницаемый корпус, материал – алюминий, IP 67.
- Отключение системы при наклоне рычага под углом 30°.
- Опционально коррозионностойкое исполнение из нержавеющей стали SUS304.
Характеристики
|
Корпус |
Алюминий, IP67 |
|
Температура процесса |
-40°С … +75°С |
|
Усилие |
49±9,8Н*м (15±1кгс*м) |
|
Коммутационные характеристики |
10A, 125/250VAC |
|
Масса |
~2,5 кг (для стандартного исполнения) ~3,0 кг (для коррозионностойкого исполнения) |
Применение
- Стандартные ленточные конвейеры
- Челночные конвейеры
- Ковшовые подъемники
- Упаковочные линии
- Системы штабелирования, подъемные краны, погрузочные машины, экскаваторы
- Системы погрузки / разгрузки судов
- Системы горизонтальной подачи
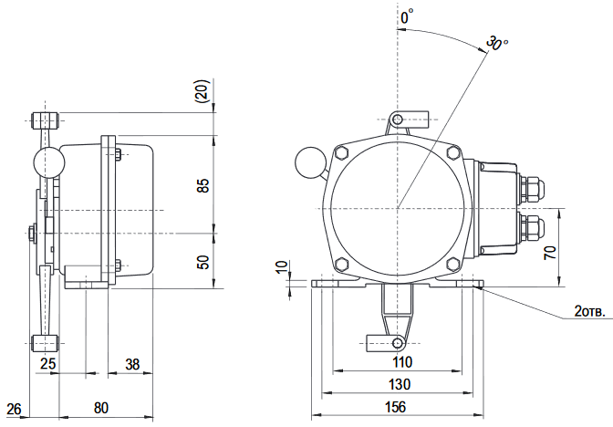
Размеры(мм)/Материалы
| Стандартное исполнение | Коррозионностойкое исполнение |
![]() |
![]() |
![]() |
![]() |
Принцип работы
Длина троса подбирается таким образом, чтобы рычаг управления находился в вертикальном или близком к вертикальному положении. Натяжение троса обеспечивается действием пружины. При необходимости остановки конвейера оператор воздействует на трос, который в свою очередь тянет рычаг управления, отклоняя его от вертикального положения. При достижении угла 30° происходит фиксация рычага управления.
Возврат в рабочее положение осуществляется нажатием на рычаг восстановления, рычаг управления принимает вертикальное положение, трос натягивается.
Датчик RES-N снабжен двумя микровыключателями, приводящимися в действие кулачками при отклонении рычага управления на угол 20°.
Электрические характеристики
| Электросоединение | Кабельный ввод М20х1,5 — 2шт для стандартного исполнения Кабель ПВХ, 500 мм для коррозионностойкого исполнения |
| Выходной сигнал | 10 A, 250 В перем.тока, 2 релейных выхода |
| Сопротивление изоляции | свыше 100 МОм |
| Диэлектрическая прочность | 2000 VAC в течение 1 мин. |
Механические характеристики
| Корпус | Алюминий, порошковое покрытие, желтый для стандартного исполнения Нержавеющая сталь SUS304 для коррозионностойкого исполнения |
| Класс защиты корпуса | IP 67 |
| Материал рычага | Алюминий, порошковое покрытие, красный для стандартного исполнения Нержавеющая сталь SUS304 для коррозионностойкого исполнения |
| Усилие | 98 Н*м |
| Способ восстановления | Ручной |
| Общий вес | ~ 2,5 кг (для стандартного исполнения) ~ 3,0 кг (для коррозионностойкого исполнения) |
Условия функционирования
| Температура окружающей среды | -40…+75°C |
| Относительная влажность | 0…100% |
| Частота срабатывания | до 20/мин |
| Ресурс | свыше 1 млн. срабатываний |
Выходной сигнал
![]() |
1. В рабочем состоянии рычаг направления находится в вертикальном положении, замкнуты контакты 1 и 3 первого и 4 и 6 второго микровыключателей. |
![]() |
2. При отклонении рычага на угол 20° или больше, на первом микровыключателе размыкаются контакты 1 и 3 и замыкаются контакты 1 и 2, на втором микровыключателе размыкаются контакты 4 и 6 и замыкаются контакты 4 и 5. |
Электрическое соединение
| Клеммная колодка (стандартное исполнение) | Кабель (коррозионностойкое исполнение) |
![]() |
![]() |
Монтаж
Трос диаметром 5 мм продевается в проушины и закрепляется зажимами. При длине троса более 15 метров следует устанавливать поддерживающие опоры через каждые 3 метра, а при длине троса в 25 метров – через каждый метр. Монтажное основание изготавливается заказчиком самостоятельно. Трос и зажимы в комплект поставки не входят.
Обслуживание
Обязательно проводите очистку датчика, когда загрязнены рычаги управления и восстановления.
Вы можете купить Датчик остановки конвейера INNOLevel RES-N в Перми в компании БРИКО Автоматик г. Пермь
| Вариант |
IL-RES-N корпус алюминий ,IL-RES-SS корпус нерж. сталь |
|---|---|
| Бренд |










