Датчик давления микропроцессорный с индикацией ДДМ-03-МИ
Для преобразования избыточного давления (ДИ), абсолютного (ДА), разрежения (ДВ), избыточного давления и разрежения (ДИВ), разности давлений (ДД) в стандартный токовый сигнал (4-20)мА и отображения текущего значения на цифровом табло.
Цена: по запросу
Отличительные особенности:
- 3 настроенных диапазона;
- Выходной сигнал (4-20)мА;
- Рабочее давление для ДД до 25 кГс/см;
- Класс точности 0,5;
- Вариант прибора во взрывозащищенном исполнении;
- Межповерочный интервал 4 года;
- Рабочая среда: газ, воздух, жидкость;
Датчик имеет исполнение общепромышленное и взрывозащищенное. Датчики исполнения Ех могут использоваться во взрывоопасных условиях, имеют вид взрывозащиты «ia» — искробезопасная электрическая цепь и маркировку взрывозащиты «0Exia IIAT5 Х».
Датчик давления микропроцессорный без индикации. Преобразование избыточного ДИ вакуумметрического ДВ, избыточного и вакуумметрического ДИВ давлений, разности давления ДД.
Технические характеристики
|
Предельные значения выходного сигнала постоянного тока, мА |
4 – 20 |
|
Напряжение питания датчика, постоянный ток, В |
24±6 |
|
Нагрузочное сопротивление датчика должно быть в пределах: |
от 1 до 500 |
|
Предел допускаемой основной погрешности датчика, выраженный в % от диапазона измерения выходного сигнала |
|
|
— для 2-х верхних пределов измерения |
±0,5 |
|
— для нижнего предела измерения |
±1 |
|
Дополнительная температурная погрешность на каждые 10°С изменения температуры в пределах рабочего диапазона, %, не более |
±0,45 |
|
Потребляемая датчиком мощность, Вт, не более |
0,6 |
|
Климатическое исполнение УХЛ для категории размещения 3.1 по ГОСТ 15150-69 |
от — 10°С до 70°С |
|
Температура рабочей среды |
от — 40°С до 125°С |
|
Степень защиты по ГОСТ 14254-80 |
IP54 |
|
Наработка на отказ, час |
200000 |
Исполнения
|
Тип |
Модель |
Предел |
Перегрузка |
Рабочее |
Рабочая среда |
|
ДДМ-03-ДИ-МИ ДДМ-03-ДИ-МИ-Ех |
ДДМ-03-2,5ДИ-МИ ДДМ-03-2,5ДИ-МИ-Ех |
2,5 1,6 1 |
10 |
|
Газ, воздух |
|
ДДМ-03-4ДИ-МИ ДДМ-03-4ДИ-МИ-Ех |
4 2,5 1,6 |
10 |
|||
|
ДДМ-03-10ДИ-МИ ДДМ-03-10ДИ-МИ-Ех |
10 6 4 |
75 |
|||
|
ДДМ-03-40ДИ-МИ ДДМ-03-40ДИ-МИ-Ех |
40 25 16 |
200 |
|||
|
ДДМ-03-160ДИ-МИ ДДМ-03-160ДИ-МИ-Ех |
160 100 60 |
400 |
Газ, воздух неагрессивные жидкости |
||
|
ДДМ-03-600ДИ-МИ ДДМ-03-600ДИ-МИ-Ех |
600 400 250 |
1200 |
|||
|
ДДМ-03-2500ДИ-МИ ДДМ-03-2500ДИ-МИ-Ех |
2500 1600 1000 |
5000 |
|||
|
ДДМ-03-ДВ-МИ ДДМ-03-ДВ-МИ-Ex |
ДДМ-03-100ДВ-МИ ДДМ-03-100ДВ-МИ-Ex |
0-(-100) 0-(-60) 0-(-40) |
-100 |
|
Газ, воздух |
|
ДДМ-03-ДА-МИ ДДМ-03-ДА-МИ-Ex |
ДДМ-03-250ДА-МИ ДДМ-03-250ДА-МИ-Ex |
250 160 100 |
500 |
|
Газ, воздух |
|
ДДМ-03-600ДА-МИ ДДМ-03-600ДА-МИ-Ex |
600 400 250 |
1200 |
|
||
|
ДДМ-03-ДИВ-МИ ДДМ-03-ДИВ-МИ-Ex |
ДДМ-03-0,25ДИВ-МИ ДДМ-03-0,25ДИВ-МИ-Ex |
±0,25 ±0,125 ±0,08 |
±1 |
|
Газ, воздух |
|
ДДМ-03-5ДИВ-МИ ДДМ-03-5ДИВ-МИ-Ех |
±5 ±3 ±2 |
±20 |
|||
|
ДДМ-03-30ДИВ-МИ ДДМ-03-30ДИВ-МИ-Ех |
±30 ±20 ±12,5 |
±100 |
|||
|
ДДМ-03-ДД-МИ ДДМ-03-ДД-МИ-Ех |
ДДМ-03-2,5ДД-МИ ДДМ-03-2,5ДД-МИ-Ех |
2,5 1,6 1 |
+20/-20 |
0 – 1,2 |
Газ, воздух
|
|
ДДМ-03-10ДД-МИ ДДМ-03-10ДД-МИ-Ех |
10 6,3 4 |
+70/-35 |
0 – 1,2 (0-2,5) |
Газ/жидкость |
|
|
ДДМ-03-40ДД-МИ ДДМ-03-40ДД-МИ-Ех |
40 25 16 |
+150/-70 +70/-35 +70/-35 |
0 – 2,5 |
Газ, воздух неагрессивные жидкости |
|
|
ДДМ-03-160ДД-МИ ДДМ-03-160ДД-МИ-Ех |
160 100 63 |
+700/-350 +700/-35 +150/-70 |
|||
|
ДДМ-03-630ДД-МИ ДДМ-03-630ДД-МИ-Ех |
630 400 250 |
+1400/-700 +1400/-700 +700/-350 |
|||
|
ДДМ-03-2500ДД-МИ ДДМ-03-2500ДД-МИ-Ех |
2500 1600 1000 |
+2500/ -1000 |
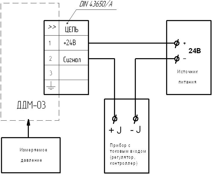
Схема внешних подключений
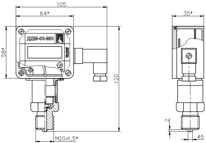
Габаритные и установочные размеры
![]() |
![]() |
| ДДМ-03-ДД-МИ | ДДМ-03-ДИ(ДВ, ДИВ)-МИ |
| Вариант |
ДДМ-03-ДИ-МИ ,ДДМ-03-ДИ-МИ-Ех ,ДДМ-03-ДВ-МИ ,ДДМ-03-ДВ-МИ-Ex ,ДДМ-03-ДА-МИ ,ДДМ-03-ДА-МИ-Ex ,ДДМ-03-ДИВ-МИ ,ДДМ-03-ДИВ-МИ-Ex ,ДДМ-03-ДД-МИ ,ДДМ-03-ДД-МИ-Ех |
|---|



