Датчик давления микропроцессорный коммунальный ДДМ-03Т
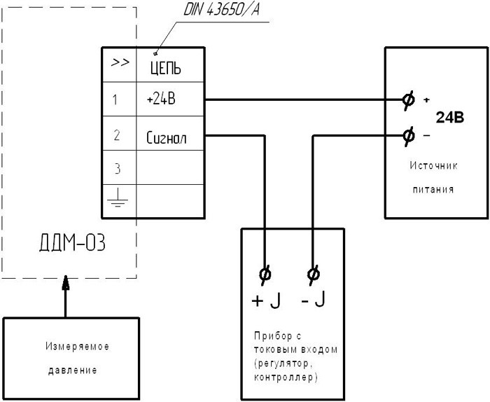
Для преобразования избыточного давления воздуха, нейтральных газов, воды, масла в стандартный токовый сигнал (4-20)мА.
Используется для работы в системах автоматического контроля, регулирования и управления технологическими процессами в теплоэнергетике, системах вентиляции и других отраслях.
Цена: по запросу
Отправьте заявку
0
людей смотрят этот товар прямо сейчас
Преимущества
- Межповерочный интервал – 4 года.
- Идеально подходит для применения на тепловых пунктах и тепловычислителях.
- Высокий класс точности 0,5%
Технические характеристики датчика ДДМ-03Т
| Характеристики | Значения |
| Предельные значения выходного сигнала постоянного тока | 4 – 20 мА |
| Напряжение питания датчика, постоянный ток | 24±6 В |
| Нагрузочное сопротивление датчика должно быть в пределах | от 1 до 500 Ом |
| Предел допускаемой основной погрешности датчика от диапазона измерения выходного сигнала | не более ±0,5% |
| Дополнительная температурная погрешность на каждые 10°С изменения температуры в пределах рабочего диапазона | не более ±0,45% |
| Потребляемая датчиком мощность | не более 0,6 Вт |
| Климатическое исполнение по ГОСТ 15150-69 | УХЛ 3.1 |
| ДДМ-03-ДИ (ДВ, ДИВ) | -40°С…+80°С |
| Температура рабочей среды Тис | -40°С…+125°С |
| Степень пылевлагозащиты (по ГОСТ 14254-80) | IP65 |
| Наработка на отказ | 200 000 часов |


