Cигнализаторы уровня ПРОМА-СУР4
Используются в системах автоматического контроля регулирования и управления технологическими процессами в теплоэнергетике, в системах водоснабжения и других отраслях.
Цена: по запросу
Отправьте заявку
0
людей смотрят этот товар прямо сейчас
Назначение:
- Для контроля уровня жидкости и сигнализации при переходе уровня жидкости за установленные пределы и выдачи срабатыванием контактов реле;
- для визуального контроля за уровнем жидкости на лицевой панели расположены четыре светодиодных индикатора.
Используются в системах автоматического контроля регулирования и управления технологическими процессами в теплоэнергетике, в системах водоснабжения и других отраслях.
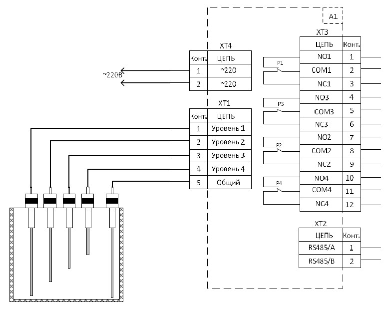
- контроль уровня жидкости осуществляется при помощи электродов – кондуктометрических датчиков. Пользователь сам устанавливает датчики в соответствии с технологическими требованиями.
- четыре канала контроля уровня жидкости – «УРОВЕНЬ 1», «УРОВЕНЬ 2», «УРОВЕНЬ 3», «УРОВЕНЬ 4».
- четыре регулятора для настройки чувствительности срабатывания соответствующего уровня.
- каждый канал контроля уровня имеет реле с нормально замкнутым (НЗ) и нормально разомкнутым (НО) контактом для управления технологическим оборудованием.
- работа в сети Modbus по интерфейсу RS485.
Исполнение:
- настенное (Н), корпус пластик;
- щитовое (Щ), корпус пластик.
Основные технические характеристики
| Напряжение питания | 220 В |
| Потребляемая мощность | 3 ВА |
| Количество каналов уровня | 4 шт. |
| Напряжение питания датчиков от внутреннего источника | 17 В |
| Максимальный ток коммутации реле | 3 VAC/6 DAC, А |
| Максимальное напряжение коммутации реле | 400VAC/300 VAC, В |
| Температура окружающей среды | от минус 40°С до плюс 70°С |
| Степень защиты корпуса | IP 54/IP 40 |
| Масса | 0,5 кг |
| Габаритные размеры: — настенный — щитовой |
96х48х105 мм 150х125х60 мм |
Схема внешних подключений
Габаритные и установочные размеры
| Вариант |
ПРОМА-СУР4-Н ,ПРОМА-СУР4-Щ |
|---|


