АДМ-100.2.1 стрелочный манометр с токовым и цифровым (RS-485) выходами
Предназначен для визуального отображения измеряемого избыточного давления жидкостей, паров и газов, а также преобразования значения давления в сигнал постоянного тока 4-20мА, c одновременной выдачей цифрового сигнала, в стандарте RS-485, во внешнюю систему сбора информации по протоколу MODBUS.
Цена: по запросу
Назначение
Предназначен для визуального отображения измеряемого избыточного давления жидкостей, паров и газов, а также преобразования значения давления в сигнал постоянного тока 4-20мА, c одновременной выдачей цифрового сигнала, в стандарте RS-485, во внешнюю систему сбора информации по протоколу MODBUS.
Область применения
Применяются в жилищно-коммунальном хозяйстве, в системах централизованного контроля и управления технологическими процессами на объектах тепло-, водо-, нефте- и газоснабжения, в распределительных сетях, а также в локальных системах автоматизации насосного, компрессорного и другого оборудования.
АДМ-100.2.1 — три прибора в одном корпусе
Отличительные особенности стрелочного манометра АДМ-100.2.1:
- Сокращает расходы на монтаж/наладку/эксплуатацию оборудования за счет уменьшения количества приборов и мест присоединения.
- Оптимальное сочетание цена/качество.
- Прост в монтаже и наладке.
- Стабильные метрологические характеристики.
- Значительно упрощает построения систем автоматизации в жилищно-коммунальном хозяйстве, на объектах тепло-, водо-, нефте- и газо-снабжения и т.п.
Технические характеристики:
- Верхний предел измерения 0,25 МПа; 0,4 МПа;0,6 МПа; 1,0 МПа; 1,6 МПа; 2,5; 4,0; 6,0 МПа
- Выходной сигнал 4-20 мА.
- Напряжение питания от 12 до 24В.
- Потребляемый ток до 60мА.
- Интерфейс RS-485.
- Класс точности — 1,5.
- Климатическое исполнение УХЛ3.1 по ГОСТ 15150-69 -от -10 до +55 °С.
- Температура измеряемой среды -10 до +80 °С.
- Защита от воды и пыли IP 20.
- Материал штуцера — латунь, материал корпуса – сталь черная материал механизма – латунь, материал рабочей камеры – латунь
- Предельное давление перегрузки – 120% от верхнего предела измерений.
- Присоединительная резьба к отбору давления М20х1,5; G1/2.
- Диаметр корпуса – 100 мм.
- Расположение штуцера – радиальное.
- Рабочая среда – жидкости и газы, неагрессивные к материалам измерителя.
- Передача регистрируемых параметров на компьютер с помощью бесплатной программы
Измеритель давления АДМ-100.2.1 выпускается в следующих модификациях:
| Изделие | Описание | Присоединительная резьба |
|---|---|---|
| АДМ-100.2.1-0,16 | Диапазон: 0…160 кПа, 4-20 мА | М20х1,5 |
| АДМ-100.2.1-0,25 | Диапазон: 0…250 кПа, 4-20 мА | М20х1,5 |
| АДМ-100.2.1-0,4 | Диапазоны: 0…400 кПа, 4-20 мА | М20х1,5 |
| АДМ-100.2.1-0,6 | Диапазоны: 0…600 кПа, 4-20 мА | G1/2 |
| АДМ-100.2.1-1,0 | Диапазоны: 0…1 МПа, 4-20 мА | М20х1,5 |
| АДМ-100.2.1-1,6 | Диапазоны: 0…1,6 МПа, 4-20 мА | М20х1,5 |
| АДМ-100.2.1-2,5 | Диапазоны: 0…2,5 МПа, 4-20 мА | М20х1,5 |
| АДМ-100.2.1-4,0 | Диапазоны: 0…4,0 МПа, 4-20 мА | М20х1,5 |
| АДМ-100.2.1-6,0 | Диапазоны: 0…6,0 МПа, 4-20 мА | М20х1,5 |
Пример использования АДМ-100.2.1 в ИТП.
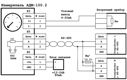
Схема внешних электрических соединений
| Вариант |
АДМ-100.2.1-0,16 Диапазон: 0…160 кПа ,АДМ-100.2.1-0,25 Диапазон: 0…250 кПа ,АДМ-100.2.1-0,4 Диапазоны: 0…400 кПа ,АДМ-100.2.1-0,6 Диапазоны: 0…600 кПа ,АДМ-100.2.1-1,0 Диапазоны: 0…1 МПа ,АДМ-100.2.1-1,6 Диапазоны: 0…1,6 МПа ,АДМ-100.2.1-2,5 Диапазоны: 0…2,5 МПа ,АДМ-100.2.1-4,0 Диапазоны: 0…4,0 МПа ,АДМ-100.2.1-6,0 Диапазоны: 0…6,0 МПа ,product_1490 |
|---|---|
| Бренд |




