ДДМ-03-МИ, ДДМ-03-МИ-Ех Датчик давления с индикацией
Для преобразования избыточного давления (ДИ), абсолютного (ДА), разрежения (ДВ), избыточного давления и разрежения (ДИВ), разности давлений (ДД) вохдуха, природного и нейтральных газов, воды, масла в стандартный токовый сигнал (4-20)мА.
Цена: по запросу
Назначение
Для преобразования избыточного давления (ДИ), абсолютного (ДА), разрежения (ДВ), избыточного давления и разрежения (ДИВ), разности давлений (ДД) вохдуха, природного и нейтральных газов, воды, масла в стандартный токовый сигнал (4-20)мА и отображения текущего значения на цифровом табло.
Датчики имеют исполнения: общепромышленное и взрывозащищенное. Датчики исполнения Ех могут использоваться во взрывоопасных условиях, имеют вид взрывозащиты «ia» — искробезопасная электрическая цепь и маркировку взрывозащиты «0Exia IIAT5 Х».
Датчики могут быть использованы для работы в системах автоматического контроля, регулирования и управления технологическими процессами в различных отраслях промышленности, в том числе во взрывоопасных производствах (для датчиков исполнения Ех), в теплоэнергетике, в газовом хозяйстве, системах вентиляции и других отраслях.
Расшифровка типов модели ДДМ-03-МИ:
- ДДМ-03-МИ- 3-х предельный с индикатором общепромышленного исполнения;
- ДДМ-03-МИ-Ех – 3-х предельный с индикатором взрывозащенного исполнения с маркировкой «0Exia IIAT5 Х».
Отличительные особенности
- 3 настроенных диапазона;
- Выходной сигнал (4-20)мА;
- Рабочее давление для ДД до 25 кГс/см;
- Вариант прибора во взрывозащищенном исполнении;
- Межповерочный интервал 2 года;
- Рабочая среда: газ, воздух, жидкость;
Технические характеристики
| Дополнительная температурная погрешность на каждые 10°С изменения температуры в пределах рабочего диапазона %, не более: | ±0,45 |
| Предельные значения выходного сигнала постоянного тока, мА | (4 – 20) |
| Напряжение питания датчика, постоянный ток, В | 24±6 |
| Условия эксплуатации: температура окружающего воздуха, °С — ДДМ-03-МИ-Ех — ДДМ-03-МИ |
(от -25 до +50) (от -25 до +70) |
| Степень защиты по ГОСТ 14254-96: ДДМ-03-МИ-Ех ДДМ-03-МИ |
IP54 |
| Наработка на отказ, ч. | 80000 |
| Масса, не более, кг — ДДМ-03-ДИ(ДА,ДВ,ДИВ)-МИ-Ех, ДДМ-03-ДИ(ДА,ДВ,ДИВ)-МИ — ДДМ-03-ДД-МИ-Ех, ДДМ-03-ДД-МИ |
0,5 1,2 |
| Габаритные размеры, не более, мм — ДДМ-03-ДИ(ДА,ДВ,ДИВ)-МИ-Ех, ДДМ-03-ДИ(ДА,ДВ,ДИВ)-МИ — ДДМ-03-ДД-МИ-Ех, ДДМ-03-ДД-МИ |
100×100×35 120×80×45 |
| Межповерочный интервал | 2 года |
Исполнения
|
Тип |
Модель |
Предел |
Перегрузка |
Рабочее |
Рабочая среда |
|---|---|---|---|---|---|
|
ДДМ-03-ДИ-МИ ДДМ-03-ДИ-МИ-Ех |
ДДМ-03-2,5ДИ-МИ ДДМ-03-2,5ДИ-МИ-Ех |
2,5 1,6 1 |
10 |
|
Газ, воздух |
|
ДДМ-03-4ДИ-МИ ДДМ-03-4ДИ-МИ-Ех |
4 2,5 1,6 |
10 |
|||
|
ДДМ-03-10ДИ-МИ ДДМ-03-10ДИ-МИ-Ех |
10 6 4 |
75 |
|||
|
ДДМ-03-40ДИ-МИ ДДМ-03-40ДИ-МИ-Ех |
40 25 16 |
200 |
|||
|
ДДМ-03-160ДИ-МИ ДДМ-03-160ДИ-МИ-Ех |
160 100 60 |
400 |
Газ, воздух неагрессивные жидкости |
||
|
ДДМ-03-600ДИ-МИ ДДМ-03-600ДИ-МИ-Ех |
600 400 250 |
1200 |
|||
|
ДДМ-03-2500ДИ-МИ ДДМ-03-2500ДИ-МИ-Ех |
2500 1600 1000 |
5000 |
|||
|
ДДМ-03-ДВ-МИ ДДМ-03-ДВ-МИ-Ex |
ДДМ-03-100ДВ-МИ ДДМ-03-100ДВ-МИ-Ex |
0-(-100) 0-(-60) 0-(-40) |
-100 |
|
Газ, воздух |
|
ДДМ-03-ДА-МИ ДДМ-03-ДА-МИ-Ex |
ДДМ-03-250ДА-МИ ДДМ-03-250ДА-МИ-Ex |
250 160 100 |
500 |
|
Газ, воздух |
|
ДДМ-03-600ДА-МИ ДДМ-03-600ДА-МИ-Ex |
600 400 250 |
1200 |
|
||
|
ДДМ-03-ДИВ-МИ ДДМ-03-ДИВ-МИ-Ex |
ДДМ-03-0,25ДИВ-МИ ДДМ-03-0,25ДИВ-МИ-Ex |
±0,25 ±0,125 ±0,08 |
±1 |
|
Газ, воздух |
|
ДДМ-03-5ДИВ-МИ ДДМ-03-5ДИВ-МИ-Ех |
±5 ±3 ±2 |
±20 |
|||
|
ДДМ-03-30ДИВ-МИ ДДМ-03-30ДИВ-МИ-Ех |
±30 ±20 ±12,5 |
±100 |
|||
|
ДДМ-03-ДД-МИ ДДМ-03-ДД-МИ-Ех |
ДДМ-03-2,5ДД-МИ ДДМ-03-2,5ДД-МИ-Ех |
2,5 1,6 1 |
+20/-20 |
0 – 1,2 |
Газ, воздух
|
|
ДДМ-03-10ДД-МИ ДДМ-03-10ДД-МИ-Ех |
10 6,3 4 |
+70/-35 |
0 – 1,2 (0-2,5) |
Газ/жидкость |
|
|
ДДМ-03-40ДД-МИ ДДМ-03-40ДД-МИ-Ех |
40 25 16 |
+150/-70 +70/-35 +70/-35 |
0 – 2,5 |
Газ, воздух неагрессивные жидкости |
|
|
ДДМ-03-160ДД-МИ ДДМ-03-160ДД-МИ-Ех |
160 100 63 |
+700/-350 +700/-35 +150/-70 |
|||
|
ДДМ-03-630ДД-МИ ДДМ-03-630ДД-МИ-Ех |
630 400 250 |
+1400/-700 +1400/-700 +700/-350 |
|||
|
ДДМ-03-2500ДД-МИ ДДМ-03-2500ДД-МИ-Ех |
2500 1600 1000 |
+2500/ -1000 |
Схема внешних подключений
![]() |
![]() |
| Схема подключения датчика ДДМ-03-МИ общепромышленного исполнения на объекте | Схема подключения датчика ДДМ-03-МИ-Ех на объекте с применением взрывозащищенного источника питания |
![]() |
|
| Схема подключения датчика ДДМ-03-МИ-Ех на объекте с применением барьера искрозащиты | |
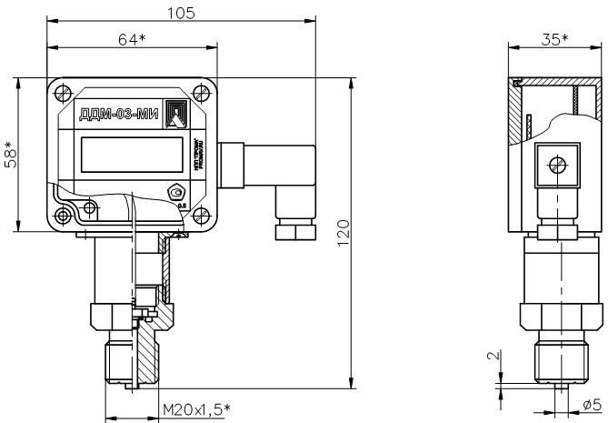
Габаритные и установочные размеры
![]() |
![]() |
| ДДМ-03-ДД-МИ, ДДМ-03-ДД-МИ-Ех | ДДМ-03-ДИ(ДВ, ДИВ)-МИ |
![]() |
|
| ДДМ-03-ДИ(ДВ,ДИВ,ДА)-МИ-Ex | |
| Бренд |
|---|






