ДДМ-03, ДДМ-03-Ех, Датчик давления ДИ (на низкое давление), ДВ, ДА

Для преобразования избыточного давления (ДИ), абсолютного (ДА), разрежения (ДВ), избыточного давления и разрежения (ДИВ), разности давлений (ДД) вохдуха, природного и нейтральных газов, воды, масла в стандартный токовый сигнал (4-20)мА.

Цена: по запросу

Отправьте заявку
Форма заявки

0 людей смотрят этот товар прямо сейчас

Назначение

Для преобразования избыточного давления (ДИ), абсолютного (ДА), разрежения (ДВ), избыточного давления и разрежения (ДИВ), разности давлений (ДД) вохдуха, природного и нейтральных газов, воды, масла в стандартный токовый сигнал (4-20)мА и отображения текущего значения на цифровом табло.

Рабочей средой прибора являются вода, масло, нейтральные газы, неагрессивные жидкости и обычный воздух.

Отличительные особенности

  • 3 настроенных диапазона;
  • Выходной сигнал (4-20)мА;
  • Рабочее давление для ДД до 25 кГс/см;
  • Вариант прибора во взрывозащищенном исполнении;
  • Межповерочный интервал 2 года;
  • Рабочая среда: газ, воздух, жидкость.

Технические характеристики преобразователя давления ДДМ-03

Предельные значения выходного сигнала постоянного тока, мА 4 – 20
Напряжение питания датчика, постоянный ток, В = 24±6
Нагрузочное сопротивление датчика должно быть в пределах от 1 до 500
Предел допускаемой основной погрешности датчика, выраженный в % от диапазона измерения выходного сигнала, не более ±0,5
Дополнительная температурная погрешность на каждые 10°С изменения температуры в пределах рабочего диапазона %, не более ±0,45
Потребляемая датчиком мощность, Вт  не более 0,6
Климатическое исполнение УХЛ для категории размещения 3.1  по ГОСТ 15150-69  
ДДМ-03-ДИ (ДВ, ДИВ) от — 40°С до 80°С
ДДМ-03-ДД от 0°С до 80°С
Температура рабочей среды от — 40°С до 85°С
Степень защиты по ГОСТ 14254-80 IP65
Наработка на отказ, час 80 000

Исполнения

№ п/п Тип Модель Предел измере- ний кПа Перегрузка кПа Рабочее давление МПа
1 Датчик избыточного давления ДДМ-03-ДИ; ДДМ-03-ДИ-Ех ДДМ-03-40 ДИ ДДМ-03-40 ДИ-Ех 40 80
2 ДДМ-03-60 ДИ ДДМ-03-60 ДИ-ЕХ 60 120
3 ДДМ-03-100 ДИ ДДМ-03-100 ДИ-Ех 100 200
4 ДДМ-03-160 ДИ ДДМ-03-160 ДИ-Ех 160 320
5 ДДМ-03-250 ДИ ДДМ-03-250 ДИ-Ех 250 500
6 ДДМ-03-400 ДИ ДДМ-03-400 ДИ-Ех 400 800
7 ДДМ-03-600 ДИ ДДМ-03-600 ДИ-Ех 600 1200
8 ДДМ-03-1000 ДИ ДДМ-03-1000 ДИ-Ех 1000 2000
9 ДДМ-03-1600 ДИ ДДМ-03-1600 ДИ-Ех 1600 3200
10 ДДМ-03-2500 ДИ ДДМ-03-2500 ДИ-Ех 2500 5000
11 Датчик вакуума ДДМ-03-ДВ; ДДМ-03-ДВ-Ех ДДМ-03-40 ДВ ДДМ-03-40 ДВ-Ех -40 -100
12 ДДМ-03-60 ДВ ДДМ-03-60 ДВ-Ех -60 -100
13 ДДМ-03-100 ДВ ДДМ-03-100 ДВ-Ех -100 -100
14 Датчик дифферен- циального давления ДДМ-03-ДД; ДДМ-03-ДД-Ех ДДМ-03-4 ДД ДДМ-03-4 ДД-Ех 4 +70/-35 0 – 2,5
15 ДДМ-03-6 ДД ДДМ-03-6 ДД-Ех 6 +70/-35
16 ДДМ-03-6,3 ДД ДДМ-03-6,3 ДД-Ех 6,3 +70/-35
17 ДДМ-03-10 ДД ДДМ-03-10 ДД-Ех 10 +70/-35
18 ДДМ-03-16 ДД ДДМ-03-16 ДД-Ех 16 +70/-35
19 ДДМ-03-25 ДД ДДМ-03-25 ДД-Ех 25 +70/-35
20 ДДМ-03-40 ДД ДДМ-03-40 ДД-Ех 40 +150/-70
21 ДДМ-03-60 ДД ДДМ-03-60 ДД-Ех 60 +150/-70
22 ДДМ-03-63 ДД ДДМ-03-63 ДД-Ех 63 +150/-70
23 ДДМ-03-100 ДД ДДМ-03-100 ДД-Ех 100 +700/-350
24 ДДМ-03-160 ДД ДДМ-03-160 ДД-Ех 160 +700/-350
25 ДДМ-03-250 ДД ДДМ-03-250 ДД-Ех 250 +700/-350
26 ДДМ-03-400 ДД ДДМ-03-400 ДД-Ех 400 +1400/-700
27 ДДМ-03-600 ДД ДДМ-03-600 ДД-Ех 600 +1400/-700
28 ДДМ-03-630 ДД ДДМ-03-630 ДД-Ех 630 +1400/-700
29 ДДМ-03-1000 ДД ДДМ-03-1000 ДД-Ех 1000 +2500/-1000
30 ДДМ-03-1600 ДД ДДМ-03-1600 ДД-Ех 1600 +2500/-1000
31 ДДМ-03-2500 ДД ДДМ-03-2500 ДД-Ех 2500 +2500/-1000
32 Датчик абсолютного давления ДДМ-03-ДА; ДДМ-03-ДА-Ех ДДМ-03-160 ДА ДДМ-03-160 ДА-Ех 0-160 320
33 ДДМ-03-250 ДА ДДМ-03-250 ДА-Ех 0-250 500
34 ДДМ-03-400 ДА ДДМ-03-400 ДА-Ех 0-400 800
35 ДДМ-03-600 ДА ДДМ-03-600 ДА-Ех 0-600 1200

Схема внешних подключений

Схема подключения датчика ДДМ-03 общепромышленного исполнения на объекте Схема подключения датчика ДДМ-03-Ех на объекте с применением взрыво-защищенного источника питания
Схема подключения датчика ДДМ-03-Ех на объекте с применением барьера искрозащиты

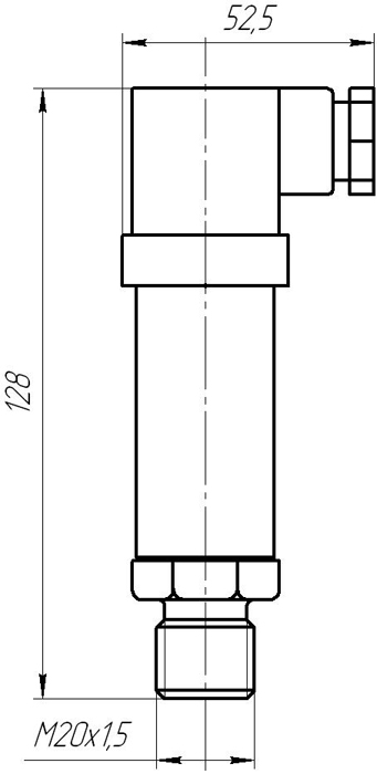
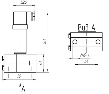
Габаритные и установочные размеры

ДДМ-03-ДД, ДДМ-03-ДД-Ех ДДМ-03-ДИ, ДВ, ДИВ, ДДМ-03-ДИ, ДВ, ДИВ-Ех
Бренд