Вентильный блок, комплекты монтажных частей КМЧ
Для подключения и крепления датчиков давления типа ДДМ, ДДМ-03, ДДМ-03-МИ, выносных модулей для многофункциональных приборов ПРОМА-ИДМ(В)
Цена: по запросу
Отправьте заявку
0
людей смотрят этот товар прямо сейчас
Комплект монтажных частей:
- КМЧ-1. Назначение — подключение дифференциальных датчиков ПРОМА-ИДМ-ДД-Р, ПРОМА-ИДМ-ДД-В (выносной датчик) ДДМ-03-ДД или ДДМ-03-МИ-ДД (только газ) к трубопроводу при рабочих давлениях до 1 кГс/см2 (см. РЭ) без применения вентильного блока. В других случаях применять вентильный блок обязательно. Применяется по 2 гайки и 2 штуцера на один датчик.
- КМЧ-2. Назначение — подключение датчика ДДМ-03-МИ – модели ДИ, ДВ, ДИВ и обеспечение установки под любым удобным углом визирования от 0 до 360 на трубопроводе с помощью переходника М20В/М20Н.
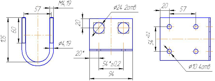
- КМЧ-3. Назначение — крепление 3-х вентильных блоков на объекте.
- Вентильный блок. Назначение — монтаж датчиков разности давлений и коммутации импульсных линий в системах автоматизации технологических процессов.
- Демпфер. Назначение — защита чувствительного элемента датчика давления, например ДДМ-03, от воздействия гидроударов или пульсаций измеряемых сред. Рабочая среда – газ, жидкость.
Габаритные и установочные размеры
| 3-х вентильный блок | ![]() |
| КМЧ-1 | ![]() |
| КМЧ-2 | ![]() |
| КМЧ-3 | ![]() |
| Демпфер | ![]() |
| Трубка | ![]() |
| Вариант |
КМЧ-1 ,КМЧ-2 ,КМЧ-3 ,Вентильный блок ,Демпфер |
|---|






