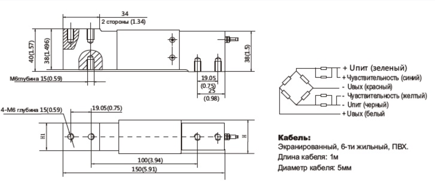
Тензометрический датчик B6N
Нагрузка: от 5кг до 200кг
Материал исполнения: нержавеющая сталь
Класс защиты: IP66
Гарантия: 30 месяцев
Цена: по запросу
Техническое описание
Одноточечный тип датчиков применяется для изготовления весов и весоизмерительных систем на одном датчике, в основном применяется при изготовлении торговых, напольных весов, а также дозирующего оборудования. Класс защиты тензодатчика IP66.
Благодаря высоким метрологическим характеристикам этот тип датчиков находит широкое применение во многих промышленных системах весоизмерения.
Выбор датчика зависит от размеров платформы, рекомендуемый максимальный размер грузоприемной платформы составляет 400х400мм.
Габаритные размеры
| Бренд |
|---|

