Соленоидный клапан (электромагнитный) AR-YCSL-11-2
Клапан соленоидный нормально закрытый прямого действия с поршнем для управления потоком рабочей среды в трубопроводе
- Рабочая среда: вода, горячая вода, воздух, инертные газы, масла
- Температура рабочей среды: −10…120°С
- Рабочее давление: 0,0…0,1 МПа
- Диаметр условного прохода: 1 мм
- Материал корпуса: латунь
- Материал уплотнения: VITON
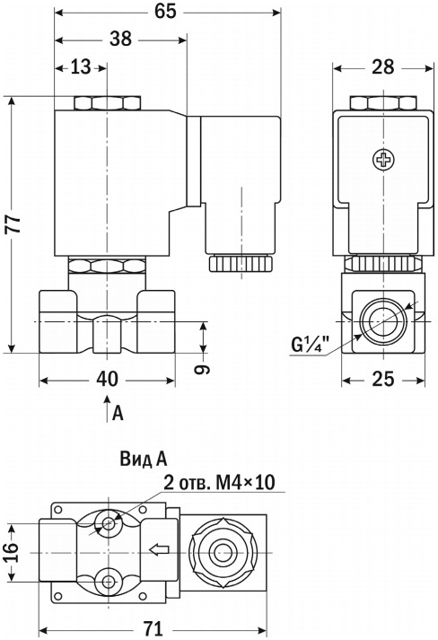
- Присоединение: резьбовое ¼»
Цена: по запросу
Клапан соленоидный нормально закрытый прямого действия с поршнем AR-YCSL-11-2 для управления потоком рабочей среды в трубопроводе.
Особенности:
- Высокая скорость открытия/закрытия
- Срабатывание при нулевом давлении
- Подходит для создания водяных завес
- Долгий срок службы
Принцип действия и область применения:
Нормально закрытый соленоидный клапан – это магнитный клапан, в котором закрытое положение сохраняется, если управляющее напряжение на его индукционную катушку не подается. При подаче напряжения на катушку нормально закрытый клапан открывается и пропускает через себя поток рабочей среды. При отключении управляющего напряжения этот клапан автоматически закрывается и перекрывает поток рабочей среды в трубопроводе. При обрыве провода управляющего напряжения клапан будет закрыт.
В большинстве случаев подходит для эксплуатации в системах водоснабжения, теплоснабжения, вентиляции и пневмоуправления. Особенно актуально применение данного типа клапана, когда клапан должен быть закрыт большую часть времени либо когда он обязательно должен быть закрыт при отключении электропитания системы.
Технические характеристики:
| Параметр | Значение |
| Рабочая среда | Вода, горячая вода, воздух, инертные газы, масла |
| Материал | Корпуса: латунь Уплотнения: VITON |
| Температура рабочей среды | −10…120°С |
| Рабочее давление | 0,0…0,1 МПа |
| Диаметр условного прохода | 1 мм |
| Присоединение | Резьбовое ¼» |
| Катушка | S11B, IP65 |
| Питание | ~220 В, ~110 В, ~24 В =24 В, =12 В |
| Мощность | 22 ВА (AC), 13 Вт (DC) |
Модификации:
| Модель | Ду, мм | Kv, м³/ч | Присоединение | Pmin , МПа | Pmax , МПа | Катушка | Вес, кг |
| AR-YCSL-11-2 GBV | 1 | 0,26 | G¼» | 0,0 | 0,1 | S11B | 0,335 |
| Габаритные размеры |
![]() |

