Соленоидный клапан (электромагнитный) AR-YCP32 (VITON)
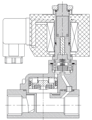
Клапан соленоидный нормально открытый непрямого действия с поршнем для управления потоком рабочей среды в трубопроводе
- Рабочая среда: пар, вода, горячая вода, масла, спирт
- Температура рабочей среды: −20…150°С
- Рабочее давление: 0,05…1,6 MПa
- Диаметр условного прохода: 32…50 мм
- Материал корпуса: нержавеющая сталь
- Материал уплотнения: VITON
- Присоединение: резьбовое G1¼»…G2″
Цена: по запросу
Отправьте заявку
0
людей смотрят этот товар прямо сейчас
Клапан соленоидный нормально открытый непрямого действия с поршнем AR-YCP32 (VITON) предназначен для управления потоком рабочей среды в трубопроводе.
Особенности:
- Долгий срок службы уплотнителя в среде пара
- Конструкция предусматривает долгосрочную эксплуатацию в системе паротрубопроводов
- Защита трубопровода от гидравлических ударов благодаря специальной конструкции клапана
- Работа при высоком давлении до 1,6 МПа
Принцип действия и область применения:
Нормально открытый соленоидный клапан – это клапан, который при отсутствии напряжения на его индукционной катушке открыт для потока рабочей среды через него. При подаче напряжения на катушку магнитный клапан этого типа закрывается и остается закрытым все время, пока напряжение подается на катушку. При обрыве провода управляющего напряжения клапан будет открыт.
В большинстве случаев подходит для эксплуатации в системах водоснабжения, теплоснабжения, вентиляции и пневмоуправления. Особенно актуально применение данного типа клапана, когда клапан должен быть открыт большую часть времени либо когда он обязательно должен быть открыт при отключении электропитания системы.
Технические характеристики:
| Параметр | Значение |
| Рабочая среда | Пар, вода, горячая вода, масла, спирт |
| Материал | Корпуса: нержавеющая сталь Уплотнения: VITON |
| Температура рабочей среды | −20…150°С |
| Рабочее давление | 0,05…1,6 MПa |
| Диаметр условного прохода | 32…50 мм |
| Присоединение | Резьбовое G1¼»…G2″ |
| Катушка | S21H, ASE21B*, Ex1320, SB282, IP65 |
| Питание | ~220 В, ~110 В**, ~24 В** =24 В, =12 В |
| Мощность | S21H: 22 ВА (АС), 15 Вт (DC) ASE21B: 5,5 ВА (АС), 12 Вт (DC) Ex1320: 28 ВА (AC), 20 Вт (DC) SB282: 24 ВА (AC), 17 Вт (DC) |
* Для установки катушки ASE21B на клапан нужна рассверловка до ∅ 15 мм металлической пластины верхней части катушки
** Кроме ASE21B
Модификации:
| Модель | Ду, мм | Kv, м³/ч | Присоединение | Pmin , МПа | Pmax , МПа | Катушка |
| AR-YCP3232 GSV | 32 | 20 | G1¼» | 0,05 | 1,6 | S21H, ASE21B, Ex1320, SB282 |
| AR-YCP3240 GSV | 40 | 25 | G1½» | |||
| AR-YCP3250 GSV | 50 | 41 | G2″ |
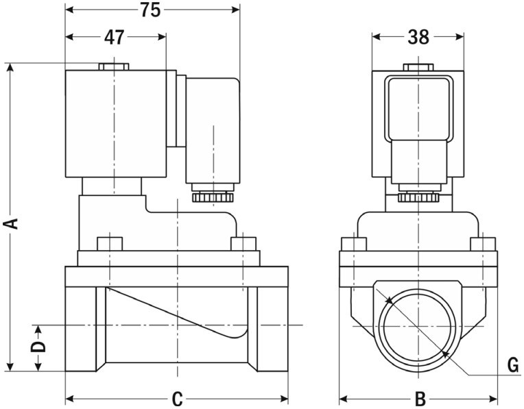
| Габаритные размеры |
![]() |
| Размер, мм | AR-YCP3212 | AR-YCP3215 | AR-YCP3220 | AR-YCP3225 | AR-YCP3232 | AR-YCP3240 | AR-YCP3250 |
| A | 113 | 113 | 127 | 140 | 151 | 173 | 176 |
| B | 48 | 48 | 60 | 72 | 95 | 96 | 120 |
| C | 75 | 75 | 84 | 102 | 129 | 130 | 155 |
| D | 13,5 | 13,5 | 15 | 20 | 28 | 28 | 34 |
| G | ⅜» | ½» | ¾» | 1″ | 1¼» | 1½» | 2″ |
| Вариант |
AR-YCP3232 GSV ,AR-YCP3240 GSV ,AR-YCP3250 GSV |
|---|

