Соленоидный клапан (электромагнитный) AR-YCFP31F
Клапан соленоидный нормально закрытый прямого действия с поршнем для агрессивных сред предназначен для управления потоком рабочей среды в трубопроводе
- Рабочая среда: концентрированные щелочи, кислоты, соли
- Температура рабочей среды: −20…95°С
- Рабочее давление: 0,01…0,6 МПа
- Диаметр условного прохода: 15…50 мм
- Материал корпуса: хлорированный поливинилхлорид (ХПВХ)
- Материал уплотнения: VITON
- Присоединение: фланцевое ½», ¾», 1¼», 1½», 2″
Цена: по запросу
Клапан соленоидный нормально закрытый прямого действия с поршнем для агрессивных сред AR-YCFP31F предназначен для управления потоком рабочей среды в трубопроводе
Особенности:
- Использование на агрессивные среды, в том числе 60% раствор серной или соляной кислоты, при высоких температурах до 95°С
- Изолированный от рабочей среды поршень
- Длительный срок службы
Принцип действия и область применения:
Нормально закрытый соленоидный клапан – это магнитный клапан, в котором закрытое положение сохраняется, если управляющее напряжение на его индукционную катушку не подается. При подаче напряжения на катушку нормально закрытый клапан открывается и пропускает через себя поток рабочей среды. При отключении управляющего напряжения этот клапан автоматически закрывается и перекрывает поток рабочей среды в трубопроводе. При обрыве провода управляющего напряжения клапан будет закрыт.
Технические характеристики:
| Параметр | Значение |
| Рабочая среда | Концентрированные щелочи, кислоты, соли |
| Материал | Корпуса: хлорированный поливинилхлорид (ХПВХ) Уплотнения: VITON |
| Температура рабочей среды | −20…95°С |
| Рабочее давление | 0,01…0,6 МПа |
| Диаметр условного прохода | 15…50 мм |
| Присоединение | Фланцевое ½», ¾», 1¼», 1½», 2″ |
| Катушка | YC1B, YE1B, YF1B |
| Питание | ~220 В, ~110 В, ~24 В =24 В, =12 В |
| Мощность | YC1B: 15 ВА (AC), 16 Вт (DC); YE1B: 5 ВА (при запуске 200 ВА) (AC), 28 Вт (DC); YF1B: 10 ВА (при запуске 350 ВА) (AC), 25 Вт (при запуске 75 Вт) (DC) |
Модификации:
| Модель | Ду, мм | Kv, м³/ч | Присоединение | Pmin , МПа | Pmax , МПа | Катушка | Вес, кг |
| AR-YCFP3115 FCV | 15 | 3,84 | F½» | 0,01 | 0,6 | YC1B | 1,06 |
| AR-YCFP3120 FCV | 20 | 7,93 | F¾» | 1,17 | |||
| AR-YCFP3125 FCV | 25 | 10,24 | F1¼» | 1,36 | |||
| AR-YCFP3132 FCV | 32 | 20,47 | F1½» | YE1B | 2,01 | ||
| AR-YCFP3140 FCV | 40 | 24,74 | F2″ | 2,2 | |||
| AR-YCFP3150 FCV | 50 | 40,94 | F2″ | YF1B | 3,8 |
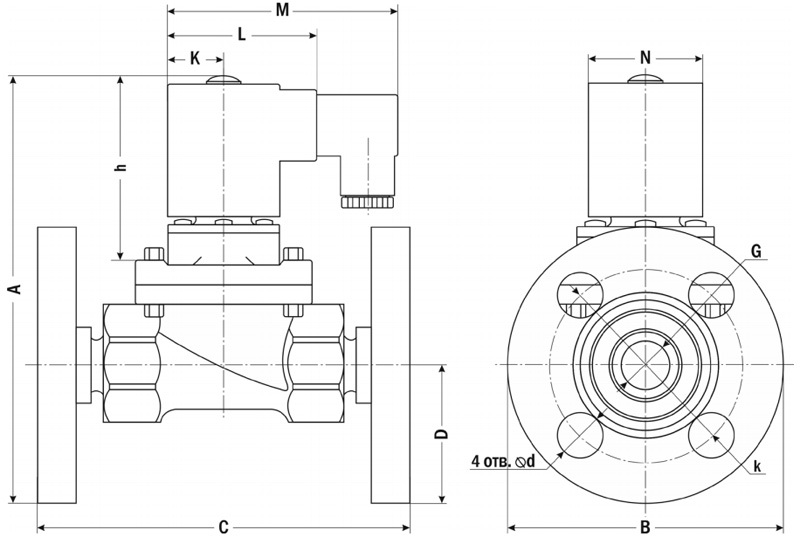
| Габаритные размеры |
![]() |
| Размер, мм | AR-YCFP31, Ду, мм | |||||
| 15 | 20 | 25 | 32 | 40 | 50 | |
| A | 161 | 167 | 176 | 230 | 244 | 276 |
| ∅B | 94 | 105 | 115 | 140 | 148 | 163 |
| C | 123 | 134 | 162 | 192 | 212 | 271 |
| D | 47 | 52,5 | 57,5 | 70 | 74 | 81,5 |
| G | F½» | F¾» | F1¼» | F1½» | F2″ | F2″ |
| K | 22,5 | 22,5 | 22,5 | 23 | 23 | 31 |
| L | 56 | 56 | 56 | 58 | 58 | 76 |
| M | 89 | 89 | 89 | 90 | 90 | 109 |
| N | 45 | 45 | 45 | 46 | 46 | 62 |
| d | 16 | 16 | 16 | 21 | 21 | 21 |
| h | 76 | 76 | 79 | 118 | 119 | 132 |
| k | 65 | 76 | 86 | 101 | 109 | 126 |
| Вариант |
AR-YCFP3115 FCV ,AR-YCFP3120 FCV ,AR-YCFP3125 FCV ,AR-YCFP3132 FCV ,AR-YCFP3140 FCV ,AR-YCFP3150 FCV |
|---|

